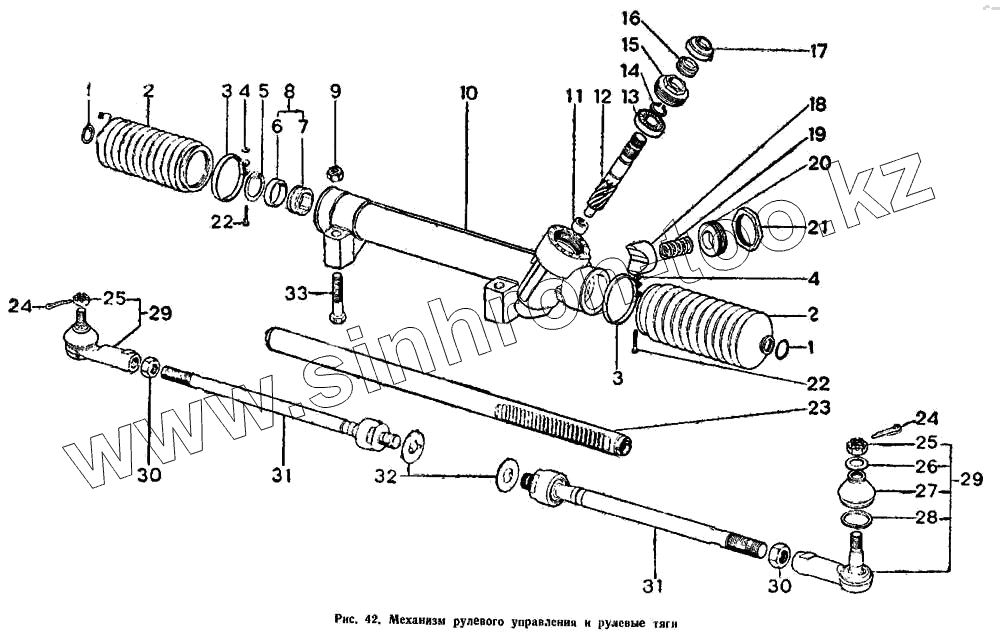
Каталог запасных частей к технике: ИЖ 2126. Механизм рулевого управления и рулевые тяги
1
2
3
4
5
6
7
8
9
10
11
12
13
14
15
16
17
18
19
20
21
22
23
24
25
26
27
28
29
30
31
32
33
| Позиция на иллюстрации | Заводской номер детали | Название детали | |
|---|---|---|---|
| 2126-3401200 | 2126-3401200 | Механизм рулевой | |
| ГОСТ 18829-73 | ГОСТ 18829-73 | Кольцо крепления чехла рейки | |
| 604901ЕУС17 | 604901ЕУС17 | Подшипник шестерни роликовый | |
| 1 | 013-017-25-2-2 | Кольцо крепления чехла рейки | |
| 2 | 2126-3401277 | Чехол рейки | |
| 3 | 2126-3401285 | Хомут | |
| 4 | 45 9553 1051 | Гайка М3 | |
| 5 | 2126-3401247 | Кольцо упорное втулки | |
| 6 | 2126-3401243 | Кольцо втулки рейки | |
| 7 | 2126-3401242 | Втулка рейки | |
| 8 | 2126-3401240 | Втулка рейки с кольцом | |
| 9 | 45 9565 1308 | Гайка М10х1,25 | |
| 10 | 2126-3401212 | Картер | |
| 11 | 2126-3401230 | Подшипник шестерни роликовый | |
| 12 | 2126-3401246 | Шестерня | |
| 13 | 202 ГОСТ 8338-75 | Подшипник шестерни шариковый | |
| 14 | 2126-3401255 | Кольцо упорное шестерни | |
| 15 | 2126-3401248 | Кольцо упорное втулки Гайка подшипника | |
| 16 | 2126-3401252 | Манжета шестерни | |
| 17 | 2126-3401288 | Колпачок защитный | |
| 18 | 2126-3401262 | Упор рейкн | |
| 19 | 2126-3401264 | Пружина упора | |
| 20 | 2126-3401265 | Гайка упора | |
| 21 | 2126-3401267 | Контргайка упора | |
| 22 | 45 9432 1036 | Вкнт М3Х25 | |
| 23 | 2126-3401244 | Рейка | |
| 24 | 25 8025-29 | Шплпнт 2,5х20 | |
| 25 | 45 9553 1508 | Гайка М10Х1.25 | |
| 26 | 2126-3414075 | Кольцо уплотнительное | |
| 27 | 2126-3414076 | Чехол защитный | |
| 28 | 2126-3414098 | Кольцо пружинное | |
| 29 | 2126-3414056 | Наконечник тяги наружный | |
| 30 | 45 9553 1062 | Гайка М 14Х1,5 | |
| 31 | 2126-3414020 | Наконечник с шаровой тягой | |
| 32 | 2126-3414042 | Шайба стопорная | |
| 33 | 45 9347 1587 | Болт М10х1,25 |
Содержащиеся в справочниках-каталогах запасные части и детали не предлагаются к продаже, а носят исключительно информационный характер