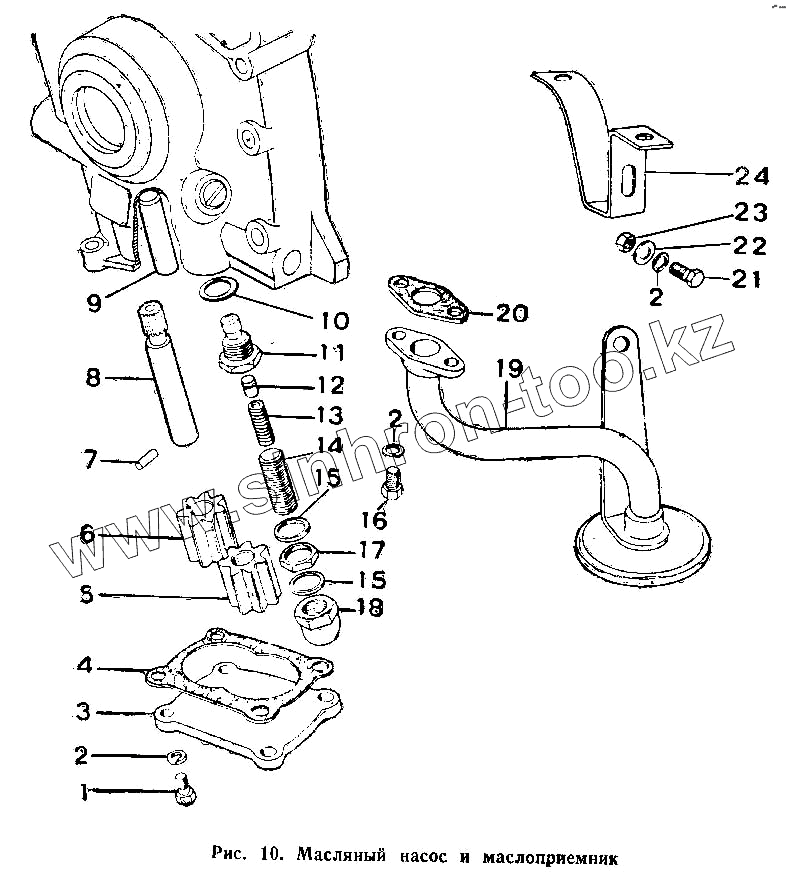
Каталог запасных частей к технике: ИЖ 2126. Масляный насос и маслоприемник
1
2
3
4
5
6
7
8
9
10
11
12
13
14
15
16
17
18
19
20
21
22
23
24
| Позиция на иллюстрации | Заводской номер детали | Название детали | |
|---|---|---|---|
| 412-1011010-40 | 412-1011010-40 | Насос масляный в сборе | |
| 412-1011040 | 412-1011040 | Валик ведущий шестерни в сборе | |
| 1 | 201422-29 | Болт М6х25 | |
| 2 | 252134-29 | Шайба 6 пружинная | |
| 3 | 412-1011052-10 | Крышка масляного насоса | |
| 4 | 412-1011065-10 | Прокладка крышки | |
| 5 | 412-1011032 | Колесо зубчатое ведомое | |
| 6 | 412-1011045 | Шестерня ведущая | |
| 7 | 258926 | Штифт 3х18 | |
| 8 | 412-1011042 | Валик насоса | |
| 9 | 412-1011025-10 | Ось ведомой шестерни | |
| 10 | 412-1011366 | Прокладка корпуса клапана | |
| 11 | 412-10113.62 | Корпус клапана | |
| 12 | 412-1011364 | Клапан предохранительный | |
| 13 | 412-1011368 | Пружина клапана | |
| 14 | 412-1011365-10 | Винт клапана регулировочный | |
| 15 | 365151 | Шайба 14 | |
| 16 | 201420-29 | Болт М6х20 | |
| 17 | 362145-29 | Гайка М14Х1 регулировочная | |
| 18 | 412-1011373 | Гайка колпачковая | |
| 19 | 2126-1010010 | Маслоприемник насоса в сборе | |
| 20 | 412-1010053 | Прокладка фланца | |
| 21 | 201417 | Болт М6х14 | |
| 22 | 252037-29 | Шайба 6 | |
| 23 | 250508-29 | Гайка М6 | |
| 24 | 331.1010072 | Кронштейн крепления масло-приемника |
Содержащиеся в справочниках-каталогах запасные части и детали не предлагаются к продаже, а носят исключительно информационный характер