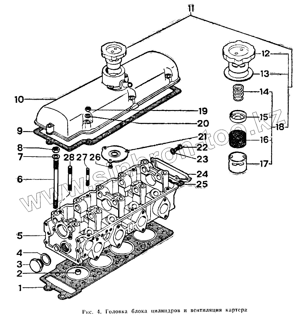
Каталог запасных частей к технике: ИЖ 2126. Головка блока цилиндров и вентиляции картера
1
2
3
4
5
6
7
8
9
10
11
12
13
14
15
16
17
18
19
20
21
22
23
24
25
26
27
28
| Позиция на иллюстрации | Заводской номер детали | Название детали | |
|---|---|---|---|
| 331.1003011 | 331.1003011 | Головка цилиндров с седлами и втулками в сборе | |
| 412.1003260-01 | 412.1003260-01 | Крышка головки в сборе | |
| 331.1003010-10 | 331.1003010-10 | Головка цилиндров в сборе | |
| 1 | 412-1003020-01 | Прокладка головки в сборе | |
| 2 | 361981 | Штифт 16,5х15 | |
| 3 | 367105 | Пробка М36х1,5 | |
| 4 | 365154 | Шайба 36 уплотнительная | |
| 5 | 331.1003015 | Головка цилиндров | |
| 6 | 412-1003016-10 | Шпилька М12х1,25-260 | |
| 7 | 365153 | Шайба 12,5 | |
| 8 | 362042 | Гайка М12х1.25 | |
| 9 | 412-1003270-01 | Прокладка крышки | |
| 10 | 412-1003264-02 | Крышка головки | |
| 11 | 412-1003145-01 | Пробка маслоналивного патрубка с фильтром в сборе | |
| 12 | 412-1003146-10 | Пробка в сборе | |
| 13 | 412-1003262 | Прокладка пробки маслоналивного патрубка | |
| 14 | 412-1014154 | Пружина фильтра | |
| 15 | 412-1014159-10 | Крышка фильтра | |
| 16 | 412-1014165 | Элемент фильтрующий | |
| 17 | 412-1014182 | Корпус фильтра | |
| 18 | 412-1014150-01 | Фильтр вентиляции картера в сборе | |
| 19 | 250508-29 | Гайка М6 | |
| 20 | 252004-29 | Шайба 6 | |
| 21 | 412-1003265 | Пластина крышки | |
| 22 | 201422-29 | Болт М6х25 | |
| 23 | 252004-29 | Шайба 6 | |
| 24 | 412-1003302 | Крышка головки задняя | |
| 25 | 412-1003303 | Прокладка задней крышки | |
| 26 | 224598 | Винт М5Х12 | |
| 27 | 363077-29 | Шпилька М6х38 | |
| 28 | 363078-29 | Шпилька М6х55 |
Содержащиеся в справочниках-каталогах запасные части и детали не предлагаются к продаже, а носят исключительно информационный характер