Вернуться на главную
Поиск
Каталоги запчастей к технике
Легковые автомобили
ИЖ
ИЖ 2126
Масляный насос и маслоприёмник
Каталог запасных частей к технике: ИЖ 2126. Масляный насос и маслоприёмник
zoom-in
zoom-out
enlarge
shrink
circle-right
circle-left
file-text2
info
cart
Тип техники
Не выбрано
Легковые автомобили
Грузовые автомобили и прицепы
Автобусы
Сельхозтехника
Спецтехника
Двигатели
Мототехника
Марка
Не выбрано
BYD
Chevrolet
Daewoo
Geely
Great Wall
Hyundai
Lifan
Tata
АЗЛК
ВАЗ
ГАЗ
ЗАЗ
ЗИЛ
ИЖ
ЛуАЗ
РАФ
УАЗ
Модель
Не выбрано
ИЖ 2126
ИЖ 2126 (2004)
ИЖ 2126 с двигателем ВАЗ (2004)
ИЖ 2715 (1999)
ИЖ 2717 (2004)
ИЖ 412 (1995)
ИЖ 427 (1995)
ИЖ 434 (1995)
Схема
>
Не выбрано
Кузов
Элементы кузова
Шумоизоляционные накладки, обивка пола и багажника
Кожух пола
Стекло ветрового окна, уплотнение ветрового окна
Стеклоочиститель
Омыватель стекла ветрового окна
Омыватель со шлангами
Панель приборов
Установка наставки проема щита передка
Обивка боковины, передка, задка и крыши кузова
Стекло окна боковины и его уплотнение
Облицовочные панели и полка багажника
Дверь передняя
Опускное стекло и стеклоподъемник передней двери
Замок с приводом передней двери
Дверь задняя
Опускное стекло и стеклоподъемник задней двери
Замок с приводом задней двери
Дверь задка, стекло и уплотнение
Замок с приводом задка
Переднее сидение и подголовник
Заднее сиденье
Система отопителя и вентиляции
Установка патрубков
Наружное зеркало заднего вида
Внутреннее зеркало заднего вида
Облицовочные накладки кузова
Противосолнечный козырек и поручень
Ремни безопасности
Капот кузова, его арматура
Замок капота
Переднее крыло
Облицовка радиатора
Фартуки грязезащитные
Крышка люка заднего крыла
Двигатель в сборе
Крепление силового агрегата
Блок и гильзы цилиндров
Головка блока цилиндров и вентиляция картера
Поршень и шатун
Коленчатый вал и маховик
Распределительный механизм и его привод
Впускная труба и выпускной коллектор
Масляный картер и указатель уровня масла
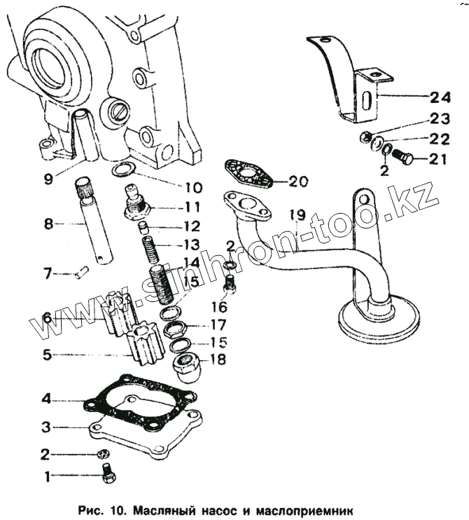
Масляный насос и маслоприёмник
Насос топливный
Бак топливный с топливопроводами и фильтром тонкой очистки топлива
Фильтр воздушный
Карбюратор
Фильтр воздушный выносной
Электромагнитный клапан экономайзера принудительного холостого хода с трубками, блок управления
Привод управления дроссельными и воздушными заслонками карбюратора
Глушитель, резонатор и приемная труба глушителя
Радиатор с электровентилятором и расширительный бочок
Водяной насос, шкив приводной ремень
Трубопроводы, шланги термостаты системы охлаждения
Двигатель с коробкой передач в сборе
Блок цилиндров и Головка блока
Блок масляный и крышки блока
Вал коленчатый и маховик
Шатуны и поршни
Привод распределительного вала
Механизм газораспределительный
Привод масляного насоса
Маслоотделитель и фильтр масляный
Насос масляный
Труба впускная и выпускной коллектор
Насос топливный
Установка топливного насоса
Фильтр воздушный выносной
Карбюратор
Крышка карбюратора
Корпус карбюратора
Корпус дроссельных заслонок
Насос водяной и трубопроводы
Насос водяной
Привод водяного насоса
Сцепление
Привод включения сцепления, педали сцепления и тормоза
Коробка передач
Механизм переключения передач
Привод переключения передач
Привод сцепления
Сцепление
Цилиндр привода включения сцепления
Коробка передач
Валы коробки передач
Шестерни коробки передач
Привод механизма переключения передач
Механизм переключения передач
Карданная передача
Задний мост
Редуктор и дифференциал заднего моста
Передний и задние буфера, буксирные проушины
Брызговик двигателя
Поперечина передней подвески с рычагами
Подвеска переднего колеса
Стойка амортизаторная
Задняя подвеска
Амортизатор задней подвески
Кулак поворотный со ступицей и тормозным диском переднего колеса
Колесо
Установка запасного колеса
Рулевое управление
Механизм рулевого управления и рулевые тяги
Тормоз переднего колеса
Тормоз заднего колеса
Главный цилиндр тормоза
Трубопроводы гидропривода тормозов
Вакуумный усилитель тормоза
Сигнальное устройство в гидроприводе тормозов
Регулятор давления в гидроприводе тормозов задних колес
Механизм привода стояночного тормоза
Генератор
Катушка зажигания, свечи зажигания, провода
Распределитель зажигания и его провод
Стартер и детали его крепления
Аккумуляторная батарея с проводами
Распределитель зажигания
Распределитель зажигания
Установка генератора и реле регулятора
Детали генератор
Статор генератора
Статор с арматурой
Статор
Задний фонарь, фонарь освещения номерного знака, жгут фонаря заднего
Фара, передний фонарь и детали крепления
Электромеханический корректор фар
Дополнительный сигнал торможения
Плафон освещения салона кузова, плафон освещения вещевого ящика, дверной выключатель плафона, световозвращатель, боковой указатель поворота
Звуковой сигнал и его крепление
Блок предохранителей и реле
Прикуриватель, розетка штепсельная
Провода и соединения - передний жгут
Провода и соединения - задний жгут
Привод датчика скорости РЮИБ.403.139.001-02
Громкоговоритель
Болты, винты, гайки
Гайки
Гайки шайбы
Прочее
Сальники
Сальники
Сальники
Схема расположения подшипников качения
1
2
2
2
3
4
5
6
7
8
9
10
11
12
13
14
15
15
16
17
18
19
20
21
22
23
24
Позиция на иллюстрации
Заводской номер детали
Название детали
412-1011010-50
412-1011010-50
Насос масляный в сборе
412-1011040
412-1011040
Валик ведущий шестерни в сборе
1
201422-29
Болт М6х25
2
252134-29
Шайба 6 пружинная
3
412-1011052-10
Крышка масляного насоса
4
412-1011065-10
Прокладка крышки
5
412-1011032
Колесо зубчатое ведомое
6
412-1011045
Шестерня ведущая
7
258926
Штифт 3х18
8
412-1011042
Валик насоса
9
412-1011025-10
Ось ведомой шестерни
10
412-1011366
Прокладка корпуса клапана
11
412-1011362
Корпус клапана
12
412-1011364
Клапан предохранительный
13
412-1011368
Пружина клапана
14
412-1011365-10
Винт клапана регулировочный
15
365151
Шайба 14
16
201420-29
Болт М6х20
17
362145-29
Гайка М14Х1 регулировочная
18
412-1011373
Гайка колпачковая
19
248-1010010
Маслоприемник насоса в сборе
20
412-1010053
Прокладка фланца
21
201417
Болт М6х14
22
252037-29
Шайба 6
23
250508-29
Гайка М6
24
331.1010072
Кронштейн крепления масло-приемника
Содержащиеся в справочниках-каталогах запасные части и детали не предлагаются к продаже, а носят исключительно информационный характер
Дополнительная информация
×
Название:
Номер:
Примечание: