Каталог запасных частей к технике: Great Wall GW-Sailor. TRANSFER CASE-BW
1
2
3
4
5
6
7
8
9
10
11
12
13
14
15
16
17
18
19
20
21
22
23
24
25
26
27
28
29
30
31
32
33
34
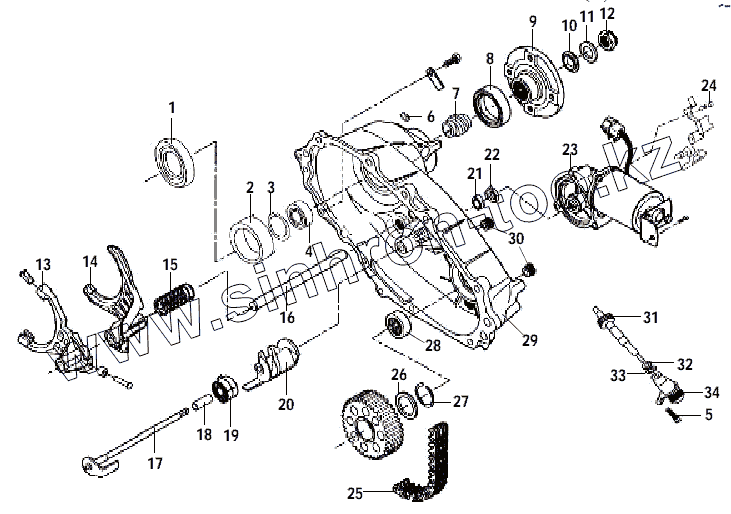
| Позиция на иллюстрации | Заводской номер детали | Название детали | |
|---|---|---|---|
| 1 | 1804021-SY | MAGNETIC CLUTCH HOUSING | |
| 2 | 1804022-SY | ELECTROMAGNETIC COILER | |
| 3 | 1802023-SY | REAR OUTPUT SHAFT BEARING RETAINER RING | |
| 4 | 1802022-SY | REAR OUTPUT SHAFT BEARING | |
| 5 | 1802057-SY | ODOMETER DRIVEN GEAR CLAMP ANCHOR BOLT | |
| 6 | 1804024-SY | MAGNETIC CLUTCH ANCHOR NUT | |
| 7 | 1802052-SY | ODOMETER DRIVE GEAR | |
| 8 | 1802021-SY | OUTPUT SHAFT OIL SEAL | |
| 9 | 1802019-SY | REAR FLANGE PLATE | |
| 10 | 1802013-SY | FRONT (REAR) OUTPUT SHAFT FLANGE PLATE SEAL RING | |
| 11 | 1802014-SY | FRONT (REAR) OUTPUT SHAFT FLANGE PLATE FLAT WASHER | |
| 12 | 1802015-SY | front (rear) output shaft flange PLATE ANCHOR NUT | |
| 13 | 1803010-SY | HIGH AND LOW SHIFT FORK ASSEMBLY | |
| 14 | 1803011-SY | SHIFT FORK ASSEMBLY | |
| 15 | 1804026-SY | GEAR SHIFT GUIDE SHAFT RETURN SPRING | |
| 16 | 1804025-SY | GEAR SHIFT GUIDE SHAFT | |
| 17 | 1803012-SY | SHIFTING SHAFT | |
| 18 | 1803014-SY | GEAR SHIFT GUIDE SHAFT BACKING | |
| 19 | 1803013-SY | SHIFTING SHAFT SPRING | |
| 20 | 1803015-SY | GEAR SHIFT RAISED BOARD | |
| 21 | 1803017-SY | SHIFTING SHAFT BEARER BEARING | |
| 22 | 1803016-SY | SHIFTING SHAFT OIL SEAL | |
| 23 | 1804030-SY | MOTOR ASSEMBLY | |
| 24 | 3624022-SY | VELOCITY SENSOR ANCHOR BOLT | |
| 25 | 1802070-SY | DRIVING CHAIN | |
| 26 | 1802024-SY | DRIVEN GEAR BACKING | |
| 27 | 1802016-SY | OUTPUT SHAFT RETAINER RING | |
| 28 | 1802017-SY | FRONT OUTPUT SHAFT BACK NEEDLE BEARING | |
| 29 | 1800020-SY | TRANSFER CASE REAR CAP | |
| 30 | 1800030-SY | OIL FILLER (DRAIN) PLUG | |
| 31 | 1802054-SY | ODOMETER DRIVEN GEAR (20 TOOTH) | |
| 32 | 1802051-SY | ODOMETER DRIVEN GEAR OIL SEAL | |
| 33 | 1802053-SY | ODOMETER DRIVEN GEAR “O” RING | |
| 34 | 1802055-SY | ODOMETER DRIVEN GEAR BUSHING |
Содержащиеся в справочниках-каталогах запасные части и детали не предлагаются к продаже, а носят исключительно информационный характер