Каталог запасных частей к технике: Geely MK. INTAKE MANIFOLD COMPONENTS
11
12
13
13
14
14
14
15
16
17
18
19
23
24
24
25
25
26
27
28
29
31
31
32
33
34
35
36
37
37
40
41
42
43
44
45
46
47
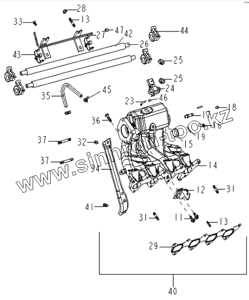
| Позиция на иллюстрации | Заводской номер детали | Название детали | |
|---|---|---|---|
| 11 | HEXAGON FLANGE BOLT M8x14 | HEXAGON FLANGE BOLT M8x14 | |
| 12 | ACCELERATOR LEVER CLIP | ACCELERATOR LEVER CLIP | |
| 13 | DOUBLE END STUD M6x25 | DOUBLE END STUD M6x25 | |
| 14 | E010200101 | INTAKE MANIFOLD | |
| 14 | 1086000511 | INTAKE MANIFOLD | |
| 14 | 1106016015 | INTAKE MANIFOLD(SPECIAL CHILE) | |
| 15 | E020300601 | SEALING COVER d35 | |
| 16 | E010200301 | STRAIGHT PIPE JOINT A | |
| 17 | E010200601 | HEXAGON HEAD PIPE JOINT R1/18X18 | |
| 18 | DUSTPROOF PLUG | DUSTPROOF PLUG | |
| 19 | E010200501 | STRAIGHT PIPE JOINT B | |
| 23 | E010200201 | BENDED PIPE JOINT | |
| 24 | E050010005 | INTAKE TEMPERATURE AND PRESSURE SENSOR | |
| 24 | 2150010006 | INTAKE TEMPERATURE AND PRESSURE SENSOR | |
| 25 | HEXAGON HEAD BOLT & PLAIN WASHER ASSY | HEXAGON HEAD BOLT & PLAIN WASHER ASSY. | |
| 26 | E110300501 | COOLING WATER BYPASS HOSE | |
| 27 | E110120005 | FUEL RETURN PIPE & BRACKET ASSY | |
| 28 | PREVAILING TORQUE TYPE HEXAGON NUT WITH FLANGE | PREVAILING TORQUE TYPE HEXAGON NUT WITH FLANGE | |
| 29 | E010001301 | INTAKE MANIFOLD GASKET | |
| 31 | E010501501 | DOUBLE END STUD M8X35 | |
| 32 | INTAKE MANIFOLD STAY FIXING BOLT M8x16 | INTAKE MANIFOLD STAY FIXING BOLT M8x16 | |
| 33 | HEXAGON HEAD BOLT & PLAIN WASHER ASSY | HEXAGON HEAD BOLT & PLAIN WASHER ASSY. | |
| 34 | 2010200901 | INTAKE MANIFOLD STAY | |
| 35 | E110100101 | FUEL RETURN HOSE | |
| 36 | INTAKE MANIFOLD FIXING BOLT | INTAKE MANIFOLD FIXING BOLT | |
| 37 | DOUBLE END STUD M8x62 | DOUBLE END STUD M8x62 | |
| 40 | E010200005 | INTAKE MANIFOLD COMPONENTS | |
| 41 | HEXAGON HEAD BOLT & PLAIN WASHER ASSY | HEXAGON HEAD BOLT & PLAIN WASHER ASSY. | |
| 42 | PIPE | PIPE | |
| 43 | CLIP | CLIP | |
| 44 | CLIP | CLIP | |
| 45 | CLIP | CLIP | |
| 46 | COVER d35x9 (FOR TRANSPORTATION) | COVER d35x9 (FOR TRANSPORTATION) | |
| 47 | COVER d7x10 (FOR TRANSPORTATION) | COVER d7x10 (FOR TRANSPORTATION) |
Содержащиеся в справочниках-каталогах запасные части и детали не предлагаются к продаже, а носят исключительно информационный характер