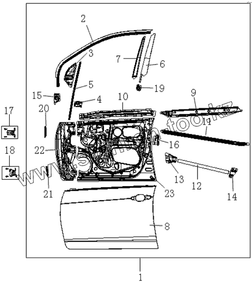
Каталог запасных частей к технике: Geely FC. LF DOOR ASSY.
1
2
3
4
5
6
7
8
9
10
11
12
13
14
15
16
17
18
19
20
21
22
23
| Позиция на иллюстрации | Заводской номер детали | Название детали | |
|---|---|---|---|
| 1 | 106200047501 | FRONT DOOR ASSY,LH | |
| 2 | LF DOOR WINDOW FRONT FRAME | LF DOOR WINDOW FRONT FRAME | |
| 3 | LF DOOR REARVIEW MIRROR FIXING PLATE | LF DOOR REARVIEW MIRROR FIXING PLATE | |
| 4 | LF DOOR WINDOW CHANNEL LOWER BRACKET | LF DOOR WINDOW CHANNEL LOWER BRACKET | |
| 5 | LF DOOR WINDOW FRONT CHANNEL | LF DOOR WINDOW FRONT CHANNEL | |
| 6 | LF DOOR WINDOW REAR FRAME | LF DOOR WINDOW REAR FRAME | |
| 7 | LF DOOR WEATHERSTRIP CHANNEL | LF DOOR WEATHERSTRIP CHANNEL | |
| 8 | LF DOOR OUTER PANEL | LF DOOR OUTER PANEL | |
| 9 | LF DOOR INNER PANEL REINFORCEMENT | LF DOOR INNER PANEL REINFORCEMENT | |
| 10 | LF DOOR INTER PANEL UPPER REINFORCEMENT | LF DOOR INTER PANEL UPPER REINFORCEMENT | |
| 11 | LF DOOR INTER PANEL MIDDLE REINFORCEMENT | LF DOOR INTER PANEL MIDDLE REINFORCEMENT | |
| 12 | FRONT DOOR REINFOCEMENT POLE | FRONT DOOR REINFOCEMENT POLE | |
| 13 | LF DOOR REINFOCEMENT POLE FRONT BRACKET | LF DOOR REINFOCEMENT POLE FRONT BRACKET | |
| 14 | LF DOOR REINFOCEMENT POLE REAR BRACKET | LF DOOR REINFOCEMENT POLE REAR BRACKET | |
| 15 | LF DOOR-WINDOW FRAME FRONT BRACKET | LF DOOR-WINDOW FRAME FRONT BRACKET | |
| 16 | LF DOOR LOCK BUCKLE FIXING PLATE | LF DOOR LOCK BUCKLE FIXING PLATE | |
| 17 | 1062000023 | FL DOOR UPPER HINGE ASSY. | |
| 18 | 1062000026 | FL DOOR LOWER HINGE ASSY. | |
| 19 | LF DOOR WINDOW FRAME REAR BRACKET | LF DOOR WINDOW FRAME REAR BRACKET | |
| 20 | FRONT DOOR UPPER HINGE REINFORCEMENT | FRONT DOOR UPPER HINGE REINFORCEMENT | |
| 21 | FRONT DOOR LOWER HINGE REINFORCEMENT | FRONT DOOR LOWER HINGE REINFORCEMENT | |
| 22 | LF DOOR INNER PLATE FRONT REINFORCEMENT | LF DOOR INNER PLATE FRONT REINFORCEMENT | |
| 23 | LF DOOR INNER PANEL | LF DOOR INNER PANEL |
Содержащиеся в справочниках-каталогах запасные части и детали не предлагаются к продаже, а носят исключительно информационный характер