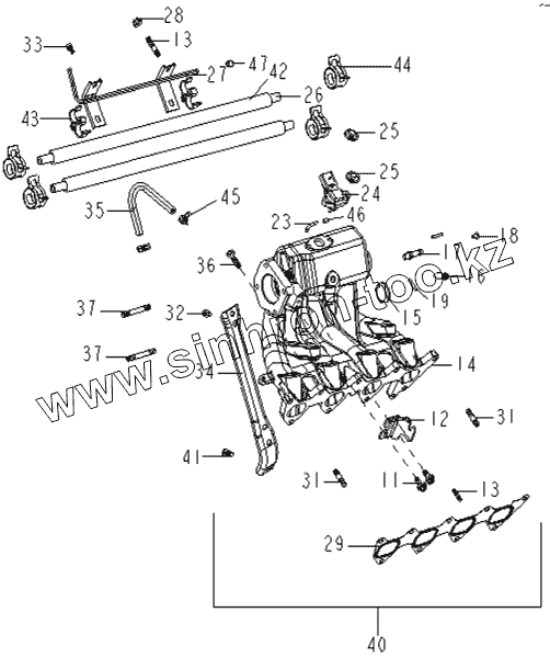
Каталог запасных частей к технике: Geely CK. INTAKE MANIFOLD COMPONENTS
11
12
13
13
14
14
14
14
15
16
17
18
19
23
24
24
24
24
25
25
26
26
27
27
27
28
29
31
31
32
33
34
35
36
37
37
40
41
42
43
44
45
46
47
47
| Позиция на иллюстрации | Заводской номер детали | Название детали | |
|---|---|---|---|
| 11 | FLANGE BOLT M8X14 | HEXAGON FLANGE BOLT M8X14 | |
| 12 | ACCELERATOR LEVER CLIP | ACCELERATOR LEVER CLIP | |
| 13 | DOUBLE END STUD M6X25 | DOUBLE END STUD M6X25 | |
| 14 | E010200101 | INTAKE MANIFOLD | |
| 14 | 1086001147 | INTAKE MANIFOLD (479Q) | |
| 14 | 1086000511 | INTAKE MANIFOLD | |
| 14 | 1086001172 | INTAKE MANIFOLD (479QA) | |
| 15 | E020300601 | SEALING COVER d35 | |
| 16 | E010200301 | STRAIGHT PIPE JOINT A | |
| 17 | E010200601 | HEXAGON HEAD PIPE JOINT R1/18X18 | |
| 18 | DUSTPROOF PLUG | DUSTPROOF PLUG | |
| 19 | E010200501 | STRAIGHT PIPE JOINT B | |
| 23 | E010200201 | BENDED PIPE JOINT | |
| 24 | E050010005 | INTAKE TEMPERATURE AND PRESSURE SENSOR | |
| 24 | 2150010006 | INTAKE TEMPERATURE AND PRESSURE SENSOR | |
| 24 | 1086001167 | INTAKE TEMPERATURE AND PRESSURE SENSOR (479Q) | |
| 24 | 1086000786 | INTAKE TEMPERATURE AND PRESSURE SENSOR (479QA) | |
| 25 | BOLT AND PLAIN WASHER ASSEMBLY | HEXAGON HEAD BOLT AND PLAIN WASHER ASSEMBLY | |
| 26 | E110300501 | COOLING WATER BYPASS HOSE | |
| 26 | 1086005001 | COOLING WATER BYPASS HOSE | |
| 27 | E110120105 | FUEL RETURN PIPE & BRACKET ASSY. | |
| 27 | 1086001174 | FUEL RETURN PIPE & BRACKET ASSY. (479QA) | |
| 27 | 1086001173 | FUEL RETURN PIPE & BRACKET ASSY. (479Q) | |
| 28 | NUT WITH FLANGE | PREVAILING TORQUE TYPE HEXAGON NUT WITH FLANGE | |
| 29 | E010001301 | INTAKE MANIFOLD GASKET | |
| 31 | E010501501 | DOUBLE END STUD M8X35 | |
| 32 | BOLT M8X16 | INTAKE MANIFOLD STAY FIXING BOLT M8X16 | |
| 33 | BOLT AND PLAIN WASHER ASSEMBLY | HEXAGON HEAD BOLT AND PLAIN WASHER ASSEMBLY | |
| 34 | 2010200901 | INTAKE MANIFOLD STAY | |
| 35 | E110100101 | FUEL RETURN HOSE | |
| 36 | FIXING BOLT | INTAKE MANIFOLD FIXING BOLT | |
| 37 | STUD M8X62 | DOUBLE END STUD M8X62 | |
| 40 | E010200005 | INTAKE MANIFOLD COMPONENTS | |
| 41 | BOLT AND PLAIN WASHER ASSEMBLY | HEXAGON HEAD BOLT AND PLAIN WASHER ASSEMBLY | |
| 42 | PIPE | PIPE | |
| 43 | CLIP | CLIP | |
| 44 | CLIP | CLIP | |
| 45 | CLIP | CLIP | |
| 46 | COVER d35X9 | COVER d3.5X9 (FOR TRANSPORTATION) | |
| 47 | COVER d7X10 | COVER d7X10 (FOR TRANSPORTATION) | |
| 47 | 1086000233 | INTAKE TEMPERATURE & PRESSURE SENSOR BRACKET |
Содержащиеся в справочниках-каталогах запасные части и детали не предлагаются к продаже, а носят исключительно информационный характер