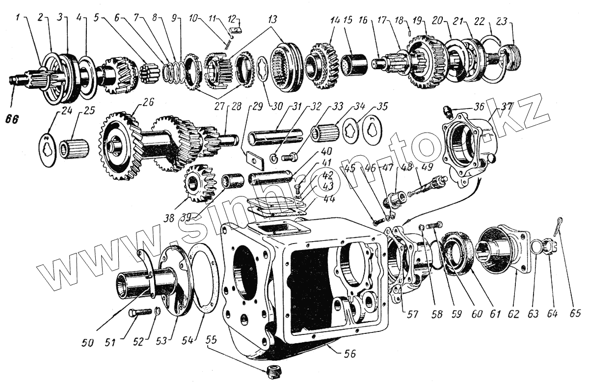
Каталог запасных частей к технике: ГАЗ М20 Победа. Коробка передач
1
2
3
4
5
6
7
8
9
10
11
12
13
14
15
16
17
18
19
20
21
22
23
24
25
26
27
28
29
30
31
32
33
34
35
36
37
38
39
40
41
42
43
44
45
46
47
48
49
50
51
52
53
54
55
56
57
58
59
60
61
62
63
64
65
66
| Позиция на иллюстрации | Заводской номер детали | Название детали | |
|---|---|---|---|
| 20-1701122 | 20-1701122 | Комплект шестерни второй передачи с блокирующим кольцом синхронизатора после притирки конусов | |
| 20-1701022 | 20-1701022 | Комплект первичного вала и блокирующего кольца синхронизатора (20-1701164) после притирки конусов | |
| 20-1701200-В2 | 20-1701200-В2 | Крышка заднего подшипника вторичного вала коробки передач в сборе | |
| 20-1700010-Б2 | 20-1700010-Б2 | Коробка передач в сборе | |
| 1 | 20-1701036 | Кольцо упорное | |
| 2 | 20-1701034 | Кольцо стопорное подшипника | |
| 3 | 20-1701032 | Подшипник шариковый первичного вала коробки передач задний (ГПЗ-50208У) | |
| 4 | М-7040 | Маслоотражатель подшипника первичного вала коробки передач | |
| 5 | 20-1701182 | Ролик переднего подшипника вторичного вала коробки передач | |
| 6 | 20-1701183 | Кольцо стопорное роликового подшипника вторичного вала коробки передач | |
| 7 | 20-1701159 | Кольцо стопорное толщиной 2,0 мм | |
| 8 | М-7112 | Прокладка регулировочная вторичного вала толстая | |
| 9 | М-7114 | Прокладка регулировочная вторичного вала тонкая | |
| 10 | 20-1701170 | Пружина синхронизатора коробки передач | |
| 11 | 508605 | Шарик диаметром 1/4" блокировочного сухаря синхронизатора коробки передач | |
| 12 | 20-1701171 | Сухарь блокировочный второй и третьей передач синхронизатора коробки передач | |
| 13 | 20-1701116-Б | Муфта скользящая переключения второй и третьей передач со ступицей - комплект | |
| 14 | 20-1701126-Б | Шестерня второй передачи коробки передач с втулкой в сборе | |
| 15 | 20-1701130-Б | Втулка шестерни второй передачи коробки передач | |
| 16 | 20-1701105-В | Вал вторичный коробки передач | |
| 17 | 20-1701132 | Шайба упорная шестерни второй передачи коробки передач | |
| 18 | 258611-П18 | Штифт 4х10 | |
| 19 | 20-1701112-В | Шестерня скользящая первой передачи и заднего хода коробки передач | |
| 20 | М-7080-А1 | Маслоотражатель подшипника вторичного вала коробки передач | |
| 21 | 20-1701190 | Подшипник 50 306КШ раздаточной коробки (ГПЗ-50306) | |
| 22 | 20-1701192 | Кольцо стопорное | |
| 23 | 20-3802033-В | Шестерня привода к спидометру ведущая | |
| 24 | М-7119 | Шайба упорная блока шестерен промежуточного вала коробки передач - неподвижная | |
| 25 | М-7118 | Подшипник роликовый блока шестерен промежуточного вала коробки передач-короткий (ГПЗ-64903) | |
| 26 | 20-1701050-В | Блок шестерен промежуточного вала коробки передач | |
| 27 | 20-1701164 | Кольцо блокирующее второй и третьей передач синхронизатора коробки передач | |
| 28 | 11-7111 | Ось блока шестерен промежуточного вала коробки передач | |
| 29 | 11-7155 | Стопор осей блока шестерен промежуточного вала и промежуточной шестерни коробки передач | |
| 30 | 20-1701158 | Шайба между ступицей скользящей муфты и шестерней второй передачи коробки передач | |
| 31 | М-7115 | Втулка распорная роликовых подшипников блока шестерен промежуточного вала коробки передач | |
| 32 | 252136-П2 | Шайба 10 ОТ ОСТ 37.001.115-75 | |
| 33 | 201493-П8 | Болт М10-6gх16 | |
| 34 | М-7121 | Подшипник роликовый блока шестерен промежуточного вала коробки передач длинный (ГПЗ-64904) | |
| 35 | 20-1701062 | Шайба упорная блока шестерен промежуточного вала коробки передач плавающая | |
| 36 | 298429-П | Сапун в сборе К1/8" | |
| 37 | 20-1701205-Г | Крышка заднего подшипника вторичного вала | |
| 38 | 20-1701080-Б | Шестерня промежуточная заднего хода коробки передач с втулкой в сборе | |
| 39 | А-7143-В | Втулка промежуточной шестерни заднего хода коробки передач | |
| 40 | 11-7140 | Ось промежуточной шестерни заднего хода коробки передач | |
| 41 | 201417-П8 | Болт М6х1х14 | |
| 42 | 252134-П2 | Шайба 6Т ОСТ 37.001.115-75 | |
| 43 | 20-1701020 | Крышка смотрового люка картера коробки передач | |
| 44 | 20-1701021 | Прокладка крышки смотрового люка картера коробки передач | |
| 45 | 290490-П8 | Болт М6-6gх12 | |
| 46 | 252154-П2 | Шайба 6Л ОСТ 37.001.115-75 | |
| 47 | 51-3802031 | Стопор | |
| 48 | 51-3802030 | Штуцер гибкого вала | |
| 49 | 20-3802034-В | Шестерня привода к спидометру ведомая | |
| 50 | 51-1601190 | Скоба оттяжной пружины муфты подшипника выключения сцепления | |
| 51 | 201458-П8 | Болт М8х1,25х25 | |
| 52 | 252135-П2 | Шайба 8Т ОСТ 37.001.115-75 | |
| 53 | 20-1701040-Б | Крышка подшипника первичного вала коробки передач | |
| 54 | 11-7051-Б | Прокладка крышки подшипника первичного вала коробки передач | |
| 55 | 262513-П | Пробка КГ 3/4" | |
| 56 | 20-1701015-Б3 | Картер коробки передач | |
| 57 | 20-1701203-Б | Прокладка крышки заднего подшипника вторичного вала коробки передач | |
| 58 | 252135-П2 | Шайба 8Т ОСТ 37.001.115-75 | |
| 59 | 201458-П8 | Болт М8х1,25х25 | |
| 60 | 20-1701220 | Пружина сальника крышки заднего подшипника вторичного вала | |
| 61 | 20-1701210 | Сальник | |
| 62 | 20-1701238-Б | Фланец вторичного вала коробки передач в сборе | |
| 63 | 20-2402064-Б | Шайба 21 | |
| 64 | 292917-П2 | Гайка 1М20х1,5 | |
| 65 | 258054-П | Шплинт 4х30 | |
| 66 | 20-1701030-Б | Вал первичный коробки передач |
Содержащиеся в справочниках-каталогах запасные части и детали не предлагаются к продаже, а носят исключительно информационный характер