Каталог запасных частей к технике: ГАЗ-69. Стартер
2
3
4
5
6
7
8
9
10
11
12
12
13
14
14
15
16
17
18
19
20
21
21
21
22
23
24
24
25
26
27
28
29
30
31
32
33
34
35
36
37
38
39
40
41
42
43
44
45
46
47
48
49
50
51
52
53
54
55
56
57
58
59
60
61
| Позиция на иллюстрации | Заводской номер детали | Название детали | |
|---|---|---|---|
| МХ-0097 | МХ-0097 | Винт М5-8gх12 | |
| 7Х-4279 | 7Х-4279 | Винт | |
| Х-4069 | Х-4069 | Шайба 8 пружинная | |
| 252134-П2 | 252134-П2 | Шайба 6Т ОСТ 37.001.115-75 | |
| Х-4001 | Х-4001 | Шайба 5Т пружинная | |
| Х-1482 | Х-1482 | Шайба 6Т пружинная | |
| 1МЮ-37 | 1МЮ-37 | Шайба диаметром 8 мм | |
| Х-1012 | Х-1012 | Шайба 4 пружинная | |
| ВК14-3708080 | ВК14-3708080 | Диск контактный в сборе | |
| РСБ-3708030 | РСБ-3708030 | Диск контактный включателя стартера в сборе | |
| МХ-0233 | МХ-0233 | Винт крепления фланца | |
| 8Х-1598 | 8Х-1598 | Винт М5х7 | |
| ВКН-3708000-Б | ВКН-3708000-Б | Включатель стартера в сборе | |
| Х-1533 | Х-1533 | Гайка М6 | |
| 8Х-1537 | 8Х-1537 | Гайка М8 | |
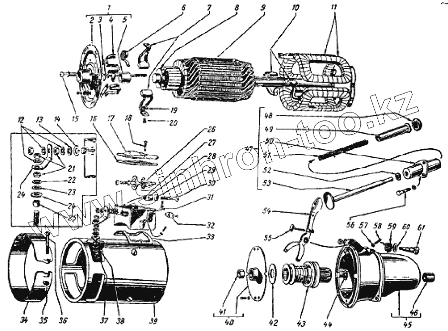
| 1 | СТ06-3708300 | Крышка со стороны коллектора в сборе | |
| 2 | 2-МАР-1065 | Крышка со стороны коллектора | |
| 3 | 1-М3-43А | Изоляционная прокладка | |
| 4 | 1-М3-16 | Щеткодержатель | |
| 5 | 1-М3-40А | Втулка крышки со стороны коллектора | |
| 6 | 1-М3-19 | Пружина щетки стартера | |
| 7 | 1-МАФ-13 | Щетка стартера в сборе на массу | |
| 8 | Х3-9411 | Шайба упорная якоря стартера передняя | |
| 9 | СТ15-3708200-Г | Якорь стартера в сборе | |
| 10 | 1-МАФ-12 | Щетка стартера в сборе изолированная | |
| 11 | СТ-20-3708110 | Катушка возбуждения в сборе | |
| 12 | МХ-0246 | Шайба 8 пружинная | |
| 12 | МХ-0246 | Шайба 8 пружинная | |
| 13 | 1-МЮ-37 | Шайба контактного болта | |
| 14 | 1-МАБ-31 | Шайба контактного болта изолирующая | |
| 14 | 1-МАБ-31 | Шайба контактного болта изолирующая | |
| 15 | 1-МВВ-20-Б | Винт корпуса стартера стяжной | |
| 16 | ВК14-3708045 | Прокладка крышки включателя | |
| 17 | ВК14-3708041 | Крышка включателя стартера | |
| 18 | МХ-0278 | Винт | |
| 19 | 8Х-1531 | Гайка М5 | |
| 20 | 8Х-1580 | Винт крепления щетки | |
| 21 | 8Х-1537 | Гайка М8 | |
| 21 | 8Х-1537 | Гайка М8 | |
| 21 | 8Х-1537 | Гайка М8 | |
| 22 | МХ-0246 | Шайба 8 пружинная | |
| 23 | 1-МЮ-37 | Шайба контактного болта | |
| 24 | СТ20-3708090-В | Шина соединительная | |
| 25 | 1-МАБ-85 | Втулка контактного болта | |
| 26 | ВК14-3708060 | Плунжер с дисками в сборе | |
| 27 | 1-МЮ-52 | Шайба контактного болта изолирующая | |
| 28 | ВК14-3708005 | Втулка контактного болта | |
| 29 | ВК14-3708046 | Прокладка контактного болта | |
| 30 | ВК14-3708047 | Болт контактный включателя | |
| 31 | ВК14-3708053 | Скоба клеммы включателя стартера | |
| 32 | ВК14-3708030 | Фланец с фильцем в сборе | |
| 33 | МАФ-10-1358 | Прокладка | |
| 34 | СЛ-8534-Б | Лента защитная | |
| 35 | Х-1531 | Гайка М6 | |
| 36 | МХ-0139 | Винт М5 | |
| 37 | 1МЮ-28 | Болт контактный | |
| 38 | 1-МЮ-39 | Шайба изоляционная контактного болта | |
| 39 | СТ20-3708100-В | Корпус стартера в сборе | |
| 40 | СТ8-3708050 | Подшипник промежуточный в сборе | |
| 41 | СТ8-3708052 | Втулка промежуточного подшипника | |
| 42 | СТ06005 | Шайба упорная привода стартера | |
| 43 | СТ8-3708600-А | Привод стартера в сборе | |
| 44 | 1-МЮ-54 | Шайба упорная якоря стартера задняя | |
| 45 | СТ20-3708400-В | Крышка со стороны привода в сборе | |
| 46 | СЛ-138-88 | Втулка крышки со стороны привода | |
| 47 | 20-3708015-Б | Педаль включения привода стартера в сборе | |
| 48 | 20-3708048 | Накладка | |
| 49 | 20-3708040 | Площадка педали включения стартера с трубкой в сборе | |
| 50 | 20-3708084-Б | Фланец педали включения стартера с кожухом в сборе | |
| 51 | 20-3708094 | Пружина педали включения стартера | |
| 52 | 20-3708070 | Шайба | |
| 53 | 20-3708027 | Стержень педали включения стартера с головкой в сборе | |
| 54 | СТ20-3708020-В | Рычаг включения привода стартера в сборе | |
| 55 | СТ8-3708080-Б | Упор включателя стартера | |
| 56 | 201416-П8 | Болт М6-6gх12 | |
| 57 | МП-9 | Контргайка | |
| 58 | МП-40991 | Винт ограничения хода рычага включения привода стартера | |
| 59 | СТ8-3708016 | Пружина оси рычага | |
| 60 | СТ8-3708015 | Седло пружины оси рычага | |
| 61 | СТ8-3708014 | Ось рычага включения привода стартера |
Содержащиеся в справочниках-каталогах запасные части и детали не предлагаются к продаже, а носят исключительно информационный характер