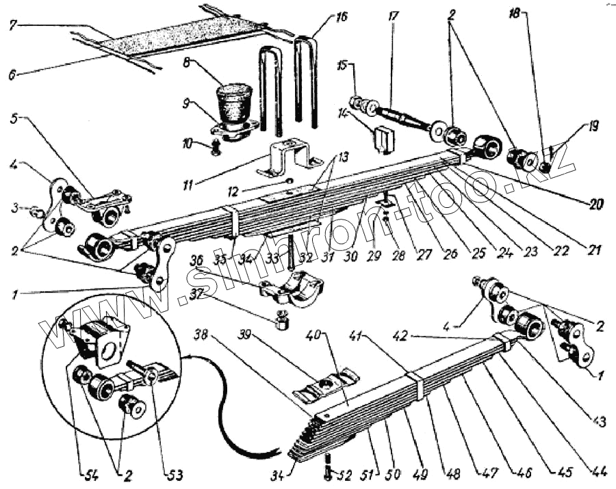
Каталог запасных частей к технике: ГАЗ-69. Передние рессоры
1
1
2
2
2
2
3
4
4
5
5
6
6
6
7
7
7
8
8
9
9
10
10
11
12
12
13
13
14
15
16
17
18
19
20
21
22
23
24
25
25
26
26
27
27
27
27
27
28
28
28
29
29
30
31
32
33
34
34
35
36
36
37
38
38
39
40
41
42
43
44
45
46
46
47
48
49
50
51
52
53
54
| Позиция на иллюстрации | Заводской номер детали | Название детали | |
|---|---|---|---|
| 69-2915007 | 69-2915007 | Амортизатор задней подвески левый в сборе | |
| 69-2915006 | 69-2915006 | Амортизатор задней подвески правый в сборе | |
| 67Б-18009 | 67Б-18009 | Амортизатор передней подвески в сборе левый | |
| 67Б-18010 | 67Б-18010 | Амортизатор передней подвески в сборе правый | |
| 290607-П2 | 290607-П2 | Винт 1М8х1х13,5 | |
| 290607-П2 | 290607-П2 | Винт 1М8х1х13,5 | |
| 250551-П8 | 250551-П8 | Гайка М14х1,5 | |
| 290845-П8 | 290845-П8 | Гайка 1М14Х1,5 стремянки задней рессоры | |
| 292845-П8 | 292845-П8 | Гайка 1М14х1,5 | |
| 252773-П | 252773-П | Заклепка 8х26 | |
| 252773-П | 252773-П | Заклепка 8х26 | |
| 252773-П | 252773-П | Заклепка 8х26 | |
| 69-2902418-В | 69-2902418-В | Подкладка стремянок передней рессоры правая | |
| 69-2902121 | 69-2902121 | Прокладка второго листа передней рессоры | |
| 69-2902122 | 69-2902122 | Прокладка пятого листа задней рессоры | |
| 69-2912124 | 69-2912124 | Прокладка пятого листа задней рессоры | |
| 69-2902124 | 69-2902124 | Прокладка пятого листа передней рессоры | |
| 69-2912122 | 69-2912122 | Прокладка третьего листа задней рессоры | |
| 69-2902122 | 69-2902122 | Прокладка пятого листа задней рессоры | |
| 69-2912123 | 69-2912123 | Прокладка четвертого листа задней рессоры | |
| 69-2902123 | 69-2902123 | Прокладка четвертого листа передней рессоры | |
| 69-2902123 | 69-2902123 | Прокладка четвертого листа передней рессоры | |
| 69-2912125 | 69-2912125 | Прокладка шестого листа задней рессоры | |
| 69А-2912012 | 69А-2912012 | Рессора задняя в сборе | |
| 69А-2912010-Б | 69А-2912010-Б | Рессора задняя с чехлами в сборе | |
| 293389-П2 | 293389-П2 | Специальная шайба диаметром 14 мм крепления заднего ушка передней рессоры | |
| 293502-П2 | 293502-П2 | Специальная шайба диаметром 20,5 мм крепления заднего ушка передней рессоры | |
| 69-2912408 | 69-2912408 | Стремянка задней рессоры | |
| 69А-2912062 | 69А-2912062 | Хомут восьмого листа задней рессоры | |
| 69-2902063 | 69-2902063 | Хомут восьмого листа передней рессоры | |
| 252158-П2 | 252158-П2 | Шайба 14Л ОСТ 37.001.115-75 | |
| 252155-П2 | 252155-П2 | Шайба 8Л ОСТ 37.001.115-75 | |
| 293439-П | 293439-П | Шайба 16 плоская | |
| 252018-П2 | 252018-П2 | Шайба плоская диаметром 18 мм гайки крепления оси заднего ушка передней рессоры | |
| 252156-П2 | 252156-П2 | Шайба 10Л ОСТ 37.001.115-75 | |
| 252156-П2 | 252156-П2 | Шайба 10Л ОСТ 37.001.115-75 | |
| 252158-П2 | 252158-П2 | Шайба 14Л ОСТ 37.001.115-75 | |
| 252138-П2 | 252138-П2 | Шайба 14.ОТ ОСТ 37.001.115-75 | |
| 252138-П2 | 252138-П2 | Шайба 14.ОТ ОСТ 37.001.115-75 | |
| 252140-П2 | 252140-П2 | Шайба 18 пружинная | |
| 252155-П2 | 252155-П2 | Шайба 8Л ОСТ 37.001.115-75 | |
| 252155-П2 | 252155-П2 | Шайба 8Л ОСТ 37.001.115-75 | |
| 1 | 69-2902458-Б | Щека серьги с пальцами в сборе | |
| 1 | 69-2902458-Б | Щека серьги с пальцами в сборе | |
| 2 | 20-2912028 | Втулка ушка задней рессоры | |
| 2 | 20-2912028 | Втулка ушка задней рессоры | |
| 3 | 250551-П8 | Гайка М14х1,5 | |
| 4 | 69-2902467-Б | Щека серьги задней рессоры - внутренняя | |
| 4 | 69-2902467-Б | Щека серьги задней рессоры - внутренняя | |
| 5 | 69-2902444 | Кронштейн серьги задней рессоры | |
| 5 | 69-2902444 | Кронштейн серьги задней рессоры | |
| 6 | 69-2912170 | Чехол задней рессоры внутренний в сборе | |
| 6 | 69-2912170 | Чехол задней рессоры внутренний в сборе | |
| 6 | 69-2902170 | Чехол передней рессоры внутренний в сборе | |
| 7 | 69-2912140-Б | Чехол задней рессоры наружный в сборе | |
| 7 | 69-2912140-Б | Чехол задней рессоры наружный в сборе | |
| 7 | 69-2902140-Б | Чехол передней рессоры наружный в сборе | |
| 8 | 69-2902624-А | Буфер задней рессоры | |
| 8 | 69-2902624-А | Буфер задней рессоры | |
| 9 | 69-2902614-А | Обойма буфера задней рессоры | |
| 9 | 69-2902614-А | Обойма буфера задней рессоры | |
| 10 | 201496-П8 | Болт М10-6gх22 | |
| 10 | 201496-П8 | Болт М10-6gх22 | |
| 11 | 69-2902412-Б | Накладка передней рессоры | |
| 12 | 250789-П2 | Гайка М8х1 | |
| 12 | 250789-П2 | Гайка М8х1 | |
| 13 | 69-2902129 | Прокладка рессоры | |
| 13 | 69-2902129 | Прокладка рессоры | |
| 14 | 69-2902062 | Хомут шестого листа передней рессоры | |
| 15 | 250563-П8 | Гайка 1М18Х1,5 крепления оси заднего ушка передней рессоры | |
| 16 | 69-2902408 | Стремянка передней рессоры | |
| 17 | 69-2902480 | Ось заднего ушка передней рессоры | |
| 18 | 250864-П8 | Гайка 1М14Х1,5 крепления заднего ушка передней рессоры | |
| 19 | 258040-П | Шплинт 2,7х25 | |
| 20 | 69-2902061-Б | Хомут третьего листа передней рессоры | |
| 21 | 69-2902099 | Лист обратный передней рессоры | |
| 22 | 69-2902015 | Лист первый коренной передней рессоры со втулками в сборе | |
| 23 | 69-2902102 | Лист второй передней рессоры | |
| 24 | 69-2902103 | Лист третий передней рессоры | |
| 25 | 69-2902104 | Лист четвертый передней рессоры | |
| 25 | 69-2902104 | Лист четвертый передней рессоры | |
| 26 | 69-2902105 | Лист пятый передней рессоры | |
| 26 | 69-2902105 | Лист пятый передней рессоры | |
| 27 | 290607-П2 | Винт 1М8х1х13,5 | |
| 27 | 290607-П2 | Винт 1М8х1х13,5 | |
| 27 | 290607-П2 | Винт 1М8х1х13,5 | |
| 27 | 290607-П2 | Винт 1М8х1х13,5 | |
| 27 | 290607-П2 | Винт 1М8х1х13,5 | |
| 28 | 250611-П2 | Гайка 1М8х1 | |
| 28 | 250611-П2 | Гайка 1М8х1 | |
| 28 | 250611-П2 | Гайка 1М8х1 | |
| 29 | 12-2912066 | Пластина хомутов | |
| 29 | 12-2912066 | Пластина хомутов | |
| 30 | 69-2902106 | Лист шестой передней рессоры | |
| 31 | 69-2902107 | Лист седьмой передней рессоры | |
| 32 | 69-2902108 | Лист восьмой передней рессоры | |
| 33 | 209432-П2 | Болт 1М8х1х78 | |
| 34 | 69-2902109 | Лист девятый передней рессоры | |
| 34 | 69-2902109 | Лист девятый передней рессоры | |
| 35 | 69-2912062 | Хомут восьмого листа передней рессоры | |
| 36 | 69-2912418 | Подкладка стремянок задней рессоры | |
| 36 | 69-2912418 | Подкладка стремянок задней рессоры | |
| 37 | 292845-П8 | Гайка 1М14х1,5 | |
| 38 | 69-2912121 | Прокладка второго листа задней рессоры | |
| 38 | 69-2902121 | Прокладка второго листа передней рессоры | |
| 39 | 69-2912412 | Накладка задней рессоры | |
| 40 | 69-2912015 | Лист первый коренной задней рессоры с втулками в сборе | |
| 41 | 69-2912062 | Хомут восьмого листа передней рессоры | |
| 42 | 69-2912061 | Хомут третьего листа задней рессоры | |
| 43 | 69-2912102 | Лист второй задней рессоры | |
| 44 | 69-2912103 | Лист третий задней рессоры | |
| 45 | 69-2912104 | Лист четвертый задней рессоры | |
| 46 | 69-2912105 | Лист пятый задней рессоры | |
| 46 | 69А-2912105 | Лист пятый задней рессоры | |
| 47 | 69-2912106 | Лист шестой задней рессоры | |
| 48 | 69-2912107 | Лист седьмой задней рессоры | |
| 49 | 69-2912108 | Лист восьмой задней рессоры | |
| 50 | 69-2912109 | Лист девятый задней рессоры | |
| 51 | 69-2912110 | Лист десятый задней рессоры | |
| 52 | 209436-П2 | Болт 1М8Х1Х85 стяжной листов задней рессоры | |
| 53 | 20-2912474-Б | Палец переднего кронштейна задней рессоры с шайбой в сборе | |
| 54 | 69-2912440 | Кронштейн задней рессоры - передний в сборе |
Содержащиеся в справочниках-каталогах запасные части и детали не предлагаются к продаже, а носят исключительно информационный характер