Каталог запасных частей к технике: ГАЗ-69. Коленчатый вал и маховик
1
2
3
4
5
5
6
7
9
10
11
12
13
14
15
16
17
18
19
| Позиция на иллюстрации | Заводской номер детали | Название детали | |
|---|---|---|---|
| 20-1000102-ДР | 20-1000102-ДР | Вкладыши коренных подшипников диаметром 63,50 мм (комплект на 1 двигатель) | |
| 12-1005131-ВР | 12-1005131-ВР | Вкладыши диаметром 63,75 мм переднего подшипника коленчатого вала (комплект) | |
| 12-1005133-ВР | 12-1005133-ВР | Вкладыши диаметром 63,75 мм среднего подшипника коленчатого вала (комплект) | |
| 12-1005134-БР | 12-1005134-БР | Вкладыши диаметром 63,95 мм заднего подшипника коленчатого вала (комплект) | |
| 12-1005131-БР | 12-1005131-БР | Вкладыши переднего и промежуточных подшипников коленчатого вала диаметром 63,95 мм | |
| 12-1005133-БР | 12-1005133-БР | Вкладыши диаметром 63,95 мм среднего подшипника коленчатого вала (комплект) | |
| 20-1000102-КР | 20-1000102-КР | Вкладыши коренных подшипников диаметром 62,50 мм (комплект на 1 двигатель) | |
| 20-1000102-ИР | 20-1000102-ИР | Вкладыши коренных подшипников диаметром 62,75 мм (комплект на 1 двигатель) | |
| 20-1000102-ЖР | 20-1000102-ЖР | Вкладыши коренных подшипников диаметром 63,00 мм (комплект на 1 двигатель) | |
| 20-1000102-ЕР | 20-1000102-ЕР | Вкладыши коренных подшипников диаметром 63,25 мм (комплект на 1 двигатель) | |
| 201238-П8 | 201238-П8 | Болт М8-4hх14 | |
| 20-1000102-ВР | 20-1000102-ВР | Вкладыши коренных подшипников диаметром 63,75 мм (комплект на 1 двигатель) | |
| 20-1000102-БР | 20-1000102-БР | Вкладыши коренных подшипников диаметром 63,95 мм (комплект на 1 двигатель) | |
| 292797-П | 292797-П | Гайка М11х1 | |
| 20-1000102-ИБР | 20-1000102-ИБР | Заготовки для вкладышей коренных подшипников диаметром от 63,50 до 62,75 мм (комплект на 1 двигатель) | |
| 20-1000102-ДБР | 20-1000102-ДБР | Заготовки для вкладышей коренных подшипников диаметром от 64,00 до 63,50 мм (комплект на 1 двигатель) | |
| М-7600 | М-7600 | Подшипник шариковый переднего конца ведущего вала коробки передач (ГПЗ-60203) | |
| 252135-П2 | 252135-П2 | Шайба 8Т ОСТ 37.001.115-75 | |
| 258025-П | 258025-П | Шплинт 2,5х20 | |
| 51-1005142 | 51-1005142 | Штифт передней шайбы упорного подшипника коленчатого вала | |
| 12-1005133-ГР | 12-1005133-ГР | Вкладыши диаметром 63,70 мм среднего подшипника коленчатого вала (комплект) | |
| 11-6387 | 11-6387 | Болт крепления маховика | |
| 12-1005131-КР | 12-1005131-КР | Вкладыши переднего и промежуточных подшипников коленчатого вала диаметром 62,50 мм | |
| 12-1005134-КР | 12-1005134-КР | Вкладыши диаметром 62,50 мм заднего подшипника коленчатого вала (комплект) | |
| 12-1005133-КР | 12-1005133-КР | Вкладыши диаметром 62,50 мм среднего подшипника коленчатого вала (комплект) | |
| 12-1005134-ИР | 12-1005134-ИР | Вкладыши диаметром 62,75 мм заднего подшипника коленчатого вала (комплект) | |
| 12-1005133-ИР | 12-1005133-ИР | Вкладыши диаметром 62,75 мм среднего подшипника коленчатого вала (комплект) | |
| 12-1005131-ИР | 12-1005131-ИР | Вкладыши диаметром 62.75 мм переднего подшипника коленчатого вала (комплект) | |
| 12-1005134-ЖР | 12-1005134-ЖР | Вкладыши диаметром 63,00 мм заднего подшипника коленчатого вала (комплект) | |
| 12-1005131-ЖР | 12-1005131-ЖР | Вкладыши переднего и промежуточных подшипников коленчатого вала диаметром 63,00 мм | |
| 12-1005134-ЕР | 12-1005134-ЕР | Вкладыши диаметром 63,25 мм заднего подшипника коленчатого вала (комплект) | |
| 12-1005131-ЕР | 12-1005131-ЕР | Вкладыши диаметром 63,25 мм переднего подшипника коленчатого вала (комплект) | |
| 12-1005133-ЕР | 12-1005133-ЕР | Вкладыши диаметром 63,25 мм среднего подшипника коленчатого вала (комплект) | |
| 12-1005134-ДР | 12-1005134-ДР | Вкладыши диаметром 63,50 мм заднего подшипника коленчатого вала (комплект) | |
| 12-1005131-ДР | 12-1005131-ДР | Вкладыши переднего и промежуточных подшипников коленчатого вала диаметром 63,50 мм | |
| 12-1005133-ДР | 12-1005133-ДР | Вкладыши диаметром 63,50 мм среднего подшипника коленчатого вала (комплект) | |
| 12-1005134-ГР | 12-1005134-ГР | Вкладыши диаметром 63,70 мм заднего подшипника коленчатого вала (комплект) | |
| 12-1005131-ГР | 12-1005131-ГР | Вкладыши диаметром 63,70 мм переднего подшипника коленчатого вала (комплект) | |
| 12-1005134-ВР | 12-1005134-ВР | Вкладыши диаметром 63,75 мм заднего подшипника коленчатого вала (комплект) | |
| 12-1005133-ЖР | 12-1005133-ЖР | Вкладыши диаметром 63,00 мм среднего подшипника коленчатого вала (комплект) | |
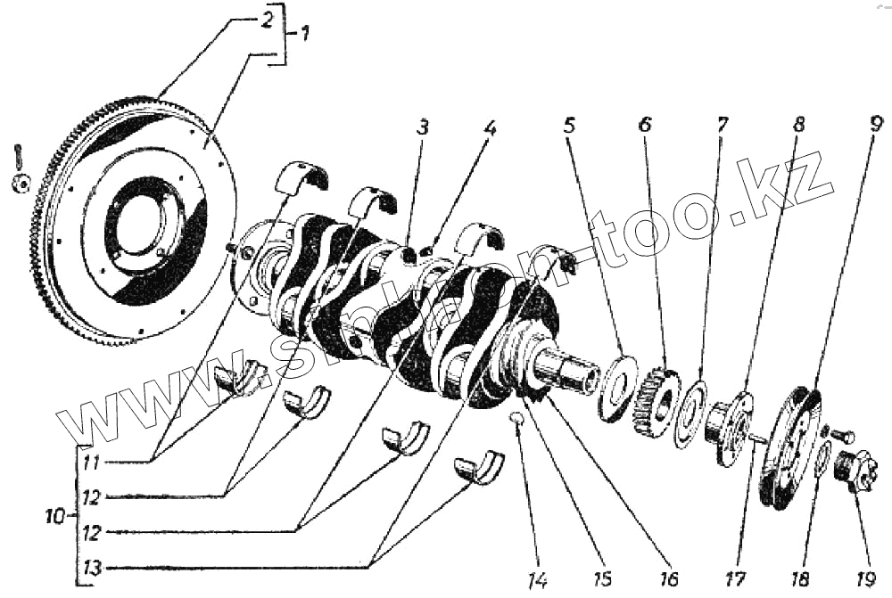
| 1 | 20-1005115 | Маховик в сборе | |
| 2 | 20-1005125 | Обод зубчатый маховика | |
| 3 | 20-1005015-Б | Вал коленчатый | |
| 4 | 262531-П | Пробка КГ 1/8" | |
| 5 | 11.6313-А2 | Ступица шкива коленчатого вала | |
| 5 | 11-6307 | Шайба упорная коленчатого вала | |
| 6 | 11-6306-А2 | Шестерня распределительная коленчатого вала | |
| 7 | 11-6310 | Маслоотражатель коленчатого вала | |
| 9 | 20-1005060-А2 | Шкив коленчатого вала | |
| 10 | 20-1000102-А | Вкладыши коренных подшипников диаметром 64,00 мм (комплект на 1 двигатель) | |
| 11 | 12-1005134-А | Вкладыши диаметром 64,00 мм заднего подшипника коленчатого вала (комплект) | |
| 12 | 12-1005133-Л | Вкладыши диаметром 64,00 мм среднего подшипника коленчатого вала (комплект) | |
| 13 | 12-1005131-А | Вкладыши диаметром 64 мм переднего подшипника коленчатого вала (комплект) | |
| 14 | 296075-П | Шпонка 32х6 сегментная | |
| 15 | 11-6309-А5 | Шайба упорного подшипника коленчатого вала задняя | |
| 16 | 11-6308-А5 | Шайба упорного подшипника коленчатого вала передняя | |
| 17 | 296140-П | Шпонка 8х6х28 призматическая | |
| 18 | 293554-П8 | Шайба 28 пружинная | |
| 19 | 12-1005054 | Храповик коленчатого вала |
Содержащиеся в справочниках-каталогах запасные части и детали не предлагаются к продаже, а носят исключительно информационный характер