Каталог запасных частей к технике: ГАЗ-69. Фильтр масляный тонкой очистки
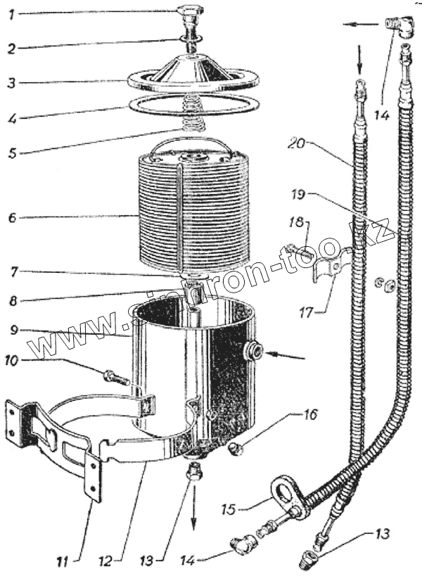
1
2
3
4
5
6
7
8
9
10
11
12
13
13
14
14
15
16
17
18
19
20
| Позиция на иллюстрации | Заводской номер детали | Название детали | |
|---|---|---|---|
| 251104-П8 | 251104-П8 | Гайка М6х1 | |
| 252704-П | 252704-П | Заклепка 6х16 | |
| 20-1017092-Б | 20-1017092-Б | Усилитель кронштейна масляного фильтра тонкой очистки | |
| 12-1017010-А | 12-1017010-А | Фильтр масляный тонкой очистки в сборе | |
| 252134-П2 | 252134-П2 | Шайба 6Т ОСТ 37.001.115-75 | |
| 251107-П8 | 251107-П8 | Гайка 1М8х1 | |
| 1 | 51-1017026 | Болт стяжной крышки масляного фильтра тонкой очистки | |
| 2 | 297216-П | Шайба 16 | |
| 3 | 51-1017025 | Крышка масляного фильтра тонкой очистки | |
| 4 | 51-1017065 | Прокладка крышки масляного фильтра тонкой очистки | |
| 5 | 51-1017028 | Пружина распорная масляного фильтра тонкой очистки | |
| 6 | 51-1017035-А3 | Элемент фильтрующий масляного фильтра тонкой очистки в сборе (АСФО-2) | |
| 7 | 252016-П8 | Шайба 14 | |
| 8 | 51-1017067 | Трубка распорная фильтрующего элемента масляного фильтра тонкой очистки | |
| 9 | 12-1017015-А | Корпус масляного фильтра тонкой очистки в сборе | |
| 10 | 201482-П8 | Болт М8х1-6gх35 | |
| 11 | 12-1017091 | Кронштейн крепления масляного фильтра тонкой очистки | |
| 12 | 20-1017087 | Хомут крепления масляного фильтра тонкой очистки | |
| 13 | 298458-П8 | Штуцер 1/4"-18 прямой | |
| 14 | 298493-П | Штуцер 1/4"-18 угловой | |
| 15 | 20-1017151 | Хомут крепления впускного шланга масляного фильтра тонкой очистки | |
| 16 | 353052-S | Пробка сливного | |
| 17 | 63-1013119-А | Скоба соединительная шлангов масляного фильтра тонкой очистки | |
| 18 | 220109-П8 | Винт М6х1х25 | |
| 19 | 20-1017120 | Шланг впускной масляного фильтра тонкой очистки в сборе | |
| 20 | 20-1017124 | Шланг выпускной масляного фильтра тонкой очистки в сборе |
Содержащиеся в справочниках-каталогах запасные части и детали не предлагаются к продаже, а носят исключительно информационный характер