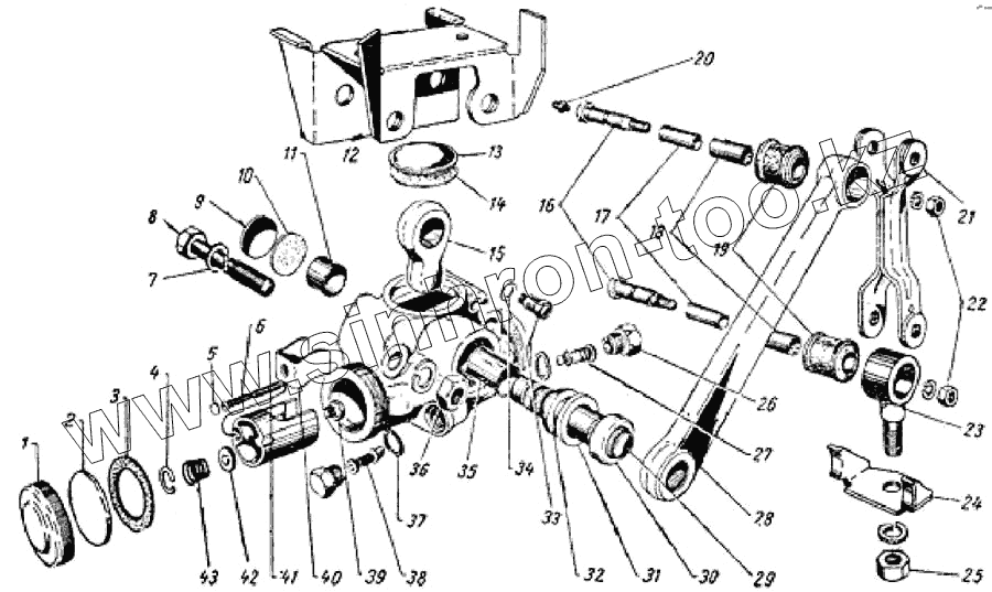
Каталог запасных частей к технике: ГАЗ-69. Амортизаторы задней подвески
1
2
3
4
5
6
7
8
9
10
11
12
13
14
15
16
17
17
18
18
19
19
20
21
22
23
24
25
26
27
28
29
30
31
32
33
34
35
36
37
38
39
40
41
42
43
| Позиция на иллюстрации | Заводской номер детали | Название детали | |
|---|---|---|---|
| 252137-П2 | 252137-П2 | Шайба 12.ОТ ОСТ 37.001.115-75 | |
| 69-2915535 | 69-2915535 | Кронштейн амортизатора задней подвески - левый в сборе | |
| 252155-П2 | 252155-П2 | Шайба 8Л ОСТ 37.001.115-75 | |
| 252158-П2 | 252158-П2 | Шайба 14Л ОСТ 37.001.115-75 | |
| 1 | 11-18020 | Крышка днища цилиндра картера амортизатора | |
| 2 | 11-18021 | Пластина крышки днища картера амортизатора | |
| 3 | 11-18022 | Прокладка крышки днища картера амортизатора | |
| 4 | 11-18045 | Кольцо стопорное пружины впускного клапана амортизатора | |
| 5 | 296906-П | Заглушка 9 | |
| 6 | 11-18037 | Пружина стяжного винта поршня амортизатора | |
| 7 | 293393-П | Специальная шайба плоская кронштейна амортизатора задней подвески | |
| 8 | 291055-П8 | Болт М14х1,5х75 | |
| 9 | 296986-П | Заглушка 30 | |
| 10 | 11-18025 | Прокладка заглушки заднего отверстия картера амортизатора | |
| 11 | 18018-Б | Втулка валика амортизатора задней подвески -малая | |
| 12 | 69-2915534 | Кронштейн амортизатора задней подвески -правый в сборе | |
| 13 | 296995-П | Заглушка 52 | |
| 14 | 11-18026 | Прокладка заглушки верхнего отверстия картера амортизатора | |
| 15 | 11-18065-Б | Кулачок амортизатора | |
| 16 | 69-2915418 | Палец стойки амортизатора | |
| 17 | 11-18080 | Втулка (бронзовая) головки рычага амортизатора | |
| 17 | 11-18080 | Втулка (бронзовая) головки рычага амортизатора | |
| 18 | 11-18079 | Втулка рычага и проушины стойки амортизатора задней подвески стальная | |
| 18 | 11-18079 | Втулка рычага и проушины стойки амортизатора задней подвески стальная | |
| 19 | 11-18078 | Втулка рычага и проушины стойки амортизатора задней подвески резиновая | |
| 19 | 11-18078 | Втулка рычага и проушины стойки амортизатора задней подвески резиновая | |
| 20 | 264072-П8 | Пресс-масленка М6х1 коническая | |
| 21 | 69-2915430 | Стойка амортизатора задней подвески | |
| 22 | 250789-П8 | Гайка 1М8х1 | |
| 23 | 11-5887 | Проушина стойки амортизатора задней подвески | |
| 24 | 69-2915510 | Кронштейн стойки амортизатора задней подвески | |
| 25 | 250835-П8 | Гайка 1М12х1,25 | |
| 26 | 11-2905054 | Пробка рабочего клапана амортизатора | |
| 27 | 51-2905240 | Клапан рабочий хода отдачи амортизатора задней подвески в сборе | |
| 28 | 69-2915126 | Рычаг амортизатора задней подвески | |
| 29 | 11-18062-Б | Валик амортизатора | |
| 30 | 11-18068-Б | Колпачок сальника валика амортизатора | |
| 31 | 11-18066-Б | Кольцо уплотнительное сальника валика амортизатора (пробковое) | |
| 32 | 20-2915150 | Кольцо уплотнительное сальника валика амортизатора (резиновое) | |
| 33 | 69-2915072 | Пробка наливного отверстия картера амортизатора задней подвески | |
| 34 | 11-18024 | Прокладка пробки наливного отверстия картера амортизатора | |
| 35 | 11-18017-Б | Втулка валика амортизатора - большая | |
| 36 | 250559-П8 | Гайка М14х1,5 | |
| 37 | 11-2905092 | Прокладка пробки рабочего клапана амортизатора | |
| 38 | 20-2915142 | Клапан рабочий хода сжатия амортизатора задней подвески в сборе | |
| 39 | 20-2915170 | Головка упорная поршня амортизатора | |
| 40 | 11-18035 | Пластина пружинная поршня амортизатора | |
| 41 | 290325-П | Винт М4х0,7х62 | |
| 42 | 11-18038 | Тарелка впускного клапана амортизатора в сборе | |
| 43 | 11-18044 | Пружина впускного клапана амортизатора |
Содержащиеся в справочниках-каталогах запасные части и детали не предлагаются к продаже, а носят исключительно информационный характер