Вернуться на главную
Поиск
Каталоги запчастей к технике
Легковые автомобили
ГАЗ
ГАЗ-3302 (ГАЗель)
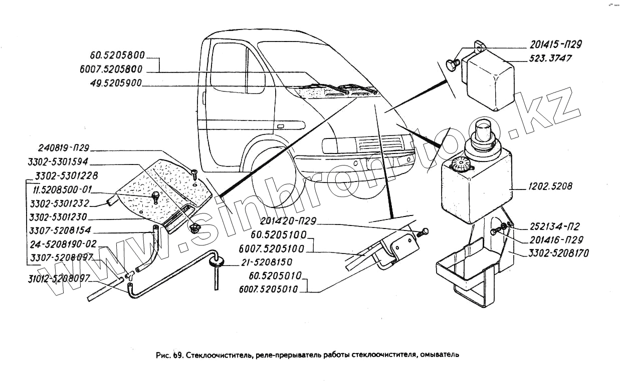
Стеклоочиститель, реле-прерыватель работы стеклоочистителя, омыватель
Каталог запасных частей к технике: ГАЗ-3302 (ГАЗель). Стеклоочиститель, реле-прерыватель работы стеклоочистителя, омыватель
zoom-in
zoom-out
enlarge
shrink
circle-right
circle-left
file-text2
info
cart
Тип техники
Не выбрано
Легковые автомобили
Грузовые автомобили и прицепы
Автобусы
Сельхозтехника
Спецтехника
Двигатели
Мототехника
Марка
Не выбрано
BYD
Chevrolet
Daewoo
Geely
Great Wall
Hyundai
Lifan
Tata
АЗЛК
ВАЗ
ГАЗ
ЗАЗ
ЗИЛ
ИЖ
ЛуАЗ
РАФ
УАЗ
Модель
Не выбрано
АКП Волга Сайбер (2009)
ГАЗ-12 (ЗИМ)
ГАЗ-14 (Чайка) (1980)
ГАЗ-21
ГАЗ-21 (каталог 69 г.) (1969)
ГАЗ-2217 (доп. с дв. Chr Е 3) (2009)
ГАЗ-2217 (доп. с дв. ЗМЗ Е 3) (2009)
ГАЗ-2217 (Соболь) (1999)
ГАЗ-24
ГАЗ-24-10 (1995)
ГАЗ-2705 (Cummins E-4) (2015)
ГАЗ-2705 (ГАЗель) (2000)
ГАЗ-2705 (дв. ЗМЗ-402) (2006)
ГАЗ-2705 (дв. ЗМЗ-406) (2006)
ГАЗ-2705 (дв. УМЗ-4215) (2006)
ГАЗ-2705 (доп. с дв. Chr Е-3) (2009)
ГАЗ-2705 (доп. с дв. ЗМЗ Е-3) (2009)
ГАЗ-2705, 3221 (куз. детали) (2006)
ГАЗ-2752 (доп. с дв. Chr Е 3) (2009)
ГАЗ-2752 (доп. с дв. ЗМЗ Е 3) (2009)
ГАЗ-3102 (2000)
ГАЗ-3102, 3110 (дополнение) (2009)
ГАЗ-31029
ГАЗ-3105 (1996)
ГАЗ-3110
ГАЗ-31105
ГАЗ-31105 (дополнение) (2005)
ГАЗ-3111 (2004)
ГАЗ-3221 (1999)
ГАЗ-3221 (2006) (2006)
ГАЗ-3221 (доп. с дв. Chr Е-3) (2009)
ГАЗ-3221 (Уст. АБС 8.1) (2008)
ГАЗ-3302 (2004) (2004)
ГАЗ-3302 (Cummins E-4) (2015)
ГАЗ-3302 (ГАЗель)
ГАЗ-3302 (доп. с дв. Chr Е 3) (2009)
ГАЗ-3302 (доп. с дв. ЗМЗ Е 3) (2009)
ГАЗ-3302 (Кузовные дет.) (2011)
ГАЗ-3302 (с двиг. УМЗ) (2015)
ГАЗ-3302, 2705 (доп. для ГБО) (2015)
ГАЗ-33027 (Дополнение)
ГАЗ-69 (1957)
ГАЗель 4x4 (Дополнение) (2012)
ГАЗель 4х4 (2001) (2009)
ГАЗЕЛЬ NEXT A65R32-40 (2021)
ГАЗель NEXT Citiline A64R42 (2021)
ГАЗель, Соболь (2003) (2003)
ГАЗель-Бизнес 2705-393 (2015)
ГУР 3110 и 3102 (2000)
Кузов ГАЗ 31029
М20 Победа
Облицовка ГАЗ-31105, 3102 (2009)
Установка климатическая (2009)
Схема
>
Не выбрано
Крепление кабины, стекло ветрового окна, стекло окна задка, уплотнитель под рычаг КПП
Коврики пола, обивка передка, обивка задка, обивка крыши
Стеклоочиститель, реле-прерыватель работы стеклоочистителя, омыватель
Панель приборов
Дверь, обивка, навеска, уплотнители, поручень, ящик аптечки, стекло неподвижное и его уплотнитель
Окно двери и механизм перемещения стекла двери
Замок и ручки двери
Сиденье водителя, подголовник, ручка шарнира и облицовки сиденья водителя
Механизм регулирования сиденья водителя
Сиденье двухместное, подголовник двухместного сиденья и облицовки
Отопитель, патрубки отопителя обогрева ветрового стекла, воздуховод и патрубок центральный вентиляции кабины, шланги и патрубки обогрева боковых стекол
Корпус отопителя, крышка отопителя верхняя, радиатор, электродвигатели с роторами, привод вентиляции и отопления
Короб воздухозаборника и трубопроводы отопления
Кожух отопителя с вставкой, крышка кожуха, корпус вентилятора, крышка корпуса вентилятора, заслонки вентиляции и отопления
Управление вентиляцией и отоплением
Зеркало заднего вида, стойка с опорой, кожух правый, левый
Ремни безопасности, поручни, козырек противосолнечный с кронштейном, крючок для одежды
Решетка облицовки радиатора, арка переднего крыла правая и левая, щиток переднего крыла правый и левый, облицовки
Капот, уплотнитель, замок капота и его привод, петли капота
Платформа, брызговик заднего колеса, фартук заднего брызговика
Основание платформы и его крепление
Подвеска двигателей ЗМЗ 4061.10, ЗМЗ 4063.10, ЗМЗ 40637.10, ЗМЗ 4025.10, ЗМЗ 4026.10
Блок и головка цилиндров двигателей ЗМЗ 4061.10, ЗМЗ 4063.10, ЗМЗ 40637.10
Блок и головка цилиндров двигателей ЗМЗ 4025.10, ЗМЗ 4026.10
Вал коленчатый, поршни и шатуны двигателей ЗМЗ 4061.10, ЗМЗ 4063.10, ЗМЗ 40637.10
Вал коленчатый, поршни и шатуны двигателей ЗМЗ 4025.10, ЗМЗ 4026.10
Валы распределительные двигателей ЗМЗ 4061.10, ЗМЗ 4063.10, ЗМЗ 40637.10
Клапаны и толкатели клапанов, крышка маслоналивного патрубка, свечи, наконечники помехоподавительные и провода зажигания двигателей ЗМЗ 4061.10, ЗМЗ 4063.10, ЗМЗ 40637.10
Вал распределительный, клапаны и толкатели клапанов двигателей ЗМЗ 4025.10, ЗМЗ 4026.10
Газопровод двигателей ЗМЗ 4061.10, ЗМЗ 4063.10. ЗМЗ 40637.10
Газопровод двигателей ЗМЗ 4025.10, ЗМЗ 4026.10
Картер масляный, указатель уровня масла, насос масляный и его привод, фильтр очистки масла, датчик указателя давления масла и датчик аварийного давления масла двигателей ЗМЗ 4061.10, ЗМЗ 4063.10, ЗМЗ 40637.10
Картер масляный, указатель уровня масла, насос масляный и крышка маслоналивного патрубка двигателей ЗМЗ 4025.10, ЗМЗ 4026.10
Привод распределителя зажигания и фильтр очистки масла двигателей ЗМЗ 4025.10, ЗМЗ 4026.10
Вентиляция картера, карбюратор, фильтр воздушный, клапан рециркуляции, термовакуумный выключатель двигателей ЗМЗ 4061.10, ЗМЗ 4063.10, ЗМЗ 40637.10
Вентиляция картера, карбюратор, фильтр воздушный, клапан рециркуляции, термовакуумный выключатель двигателей ЗМЗ 4025.10, ЗМЗ 4026.10
Бак топливный, насос топливный, фильтр тонкой очистки топлива, трубопроводы
Трубопроводы топливные и пробка топливного бака
Акселератор
Глушитель, резонатор, трубы и подвеска глушителя
Радиатор, подвеска радиатора, трубопроводы и шланги
Насос водяной, вентилятор и его привод двигателей ЗМЗ 4061.10, ЗМЗ 4063.10, ЗМЗ 40637.10
Насос водяной, вентилятор и его привод двигателей ЗМЗ 4025.10. ЗМЗ 4026.10
Расширительный бачок
Сцепление двигателей ЗМЗ 4061.10, ЗМЗ 4063.10, ЗМЗ 40637.10
Сцепление двигателей ЗМЗ 4025.10, ЗМЗ 4026.10
Цилиндр выключения сцепления, усилитель вакуумный с главным цилиндром тормозов и их приводы
Педали сцепления и тормоза, выключатель сигнала торможения
Детали главного цилиндра привода сцепления и рабочего цилиндра выключения сцепления
Коробка передач
Детали коробки передач
Механизм переключения передач
Передача карданная трансмиссии
Мост задний
Рама, поперечины крепления и установки двигателя, брызговик двигателя
Бампер передний, скобы и кронштейны переднего буксирного устройства
Рессора передняя
Амортизаторы
Рессора задняя, рессора задняя дополнительная, амортизатор
Поворотные кулаки, рычаги рулевой трапеции и поворотного кулака, тяги рулевые, сошка руля
Колеса, колпаки колес, шины, крепление запасного колеса на автомобиле шасси и удлинитель вентиля, ось передняя с тормозами
Ступица, тормозной диск, щит и скоба переднего колеса, ось передняя
Установка и крепление запасного колеса на бортовом автомобиле
Управление рулевое, выключатель зажигания, переключатель стеклоочистителя и стеклоомывателя, переключатель указателей поворота ближнего и дальнего света
Механизм рулевого управления
Механизм рулевого управления в сборе, вал карданный и крестовины рулевого управления
Полуось, ступица с барабаном, тормоза рабочие задние
Скоба переднего колеса
Тормоза рабочие задние и колесный цилиндр
Бачок главного цилиндра тормозов, датчик аварийного уровня тормозной жидкости и детали главного цилиндра тормозов
Трубопроводы гидротормозов, трубопроводы вакуумного усилителя, установка и детали регулятора тормозных сил
Тормоз стояночный и его привод
Усилитель вакуумный тормозов и обратный клапан
Генератор двигателей ЗМЗ 4061.10, ЗМЗ 4063.10, ЗМЗ 40637.10
Генератор двигателей ЗМЗ 4025.10, ЗМЗ 4026.10
Батарея аккумуляторная
Катушка зажигания, датчик-распределитель, свечи и провода зажигания двигателей ЗМЗ 4025.10, ЗМЗ 4026.10
Стартер двигателей ЗМЗ 4061.10, ЗМЗ 4063.10, ЗМЗ 40637.10
Стартер двигателей ЗМЗ 4025.10, ЗМЗ 4026.10
Фары, указатели поворота, повторители боковые указателя поворота, лампа переносная, блок плафонов освещения кабины, фонарь освещения под капотом
Фонари задние
Электропровода
Приборы электрооборудования автомобиля ГАЗ-3302
Приборы электрооборудования автомобиля ГАЗ-33021
Щиток приборов
Сумка инструментальная, домкрат, огнетушитель, насос воздушный ручной и принадлежности
6007.5205100
49.5205900
252134-П2
3302-5301232
3307-5208154
3307-5208097
31012-5208097
24-5208190-02
6007.5205010
60.5205010
6007.5205800
60.5205800
523.3747
201415-П29
60.5205100
1202.5208
3302-5301228
3302-5301230
11.5208500-01
3302-5208170
3302-5301594
21-5208150
240819-П29
201420-П29
201416-П29
Позиция на иллюстрации
Заводской номер детали
Название детали
6007.5205100
6007.5205100
Привод стеклоочистителя
49.5205900
49.5205900
Щетка стеклоочистителя
252134-П2
252134-П2
Шайба 6Т ОСТ 37.001.115-75
3302-5301232
3302-5301232
Уплотнитель нижней облицовки передка
3307-5208154
3307-5208154
Трубка
3307-5208097
3307-5208097
Трубка
31012-5208097
31012-5208097
Трубка
24-5208190-02
24-5208190-02
Тройник
6007.5205010
6007.5205010
Стеклоочиститель
60.5205010
60.5205010
Стеклоочиститель
6007.5205800
6007.5205800
Рычаг стеклоочистителя
60.5205800
60.5205800
Рычаг стеклоочистителя
523.3747
523.3747
Реле-прерыватель работы стеклоочистителя (523.3747010)
201415-П29
201415-П29
Болт М6-6gх10 ОСТ 37.001.123-96
60.5205100
60.5205100
Привод стеклоочистителя
1202.5208
1202.5208
Омыватель электрический (1202.5208000)
3302-5301228
3302-5301228
Облицовка наружной панели передка нижняя
3302-5301230
3302-5301230
Облицовка наружной панели передка нижняя
11.5208500-01
11.5208500-01
Жиклер в сборе
3302-5208170
3302-5208170
Держатель бачка омывателя в сборе
3302-5301594
3302-5301594
Гайка
21-5208150
21-5208150
Втулка уплотнительная
240819-П29
240819-П29
Винт М4х16 ОСТ 37.001.188-81
201420-П29
201420-П29
Болт М6-6gх20 ОСТ 37.001.123-96
201416-П29
201416-П29
Болт М6-6gх12 ОСТ 37.001.123-96
Содержащиеся в справочниках-каталогах запасные части и детали не предлагаются к продаже, а носят исключительно информационный характер
Дополнительная информация
×
Название:
Номер:
Примечание: