Вернуться на главную
Поиск
Каталоги запчастей к технике
Легковые автомобили
ГАЗ
ГАЗ-3221 (2006)
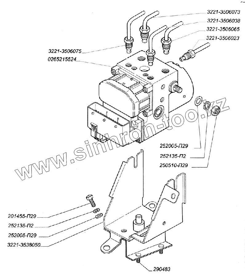
Установка гидроагрегата антиблокировочной системы тормозов
Каталог запасных частей к технике: ГАЗ-3221 (2006). Установка гидроагрегата антиблокировочной системы тормозов
zoom-in
zoom-out
enlarge
shrink
circle-right
circle-left
file-text2
info
cart
Тип техники
Не выбрано
Легковые автомобили
Грузовые автомобили и прицепы
Автобусы
Сельхозтехника
Спецтехника
Двигатели
Мототехника
Марка
Не выбрано
BYD
Chevrolet
Daewoo
Geely
Great Wall
Hyundai
Lifan
Tata
АЗЛК
ВАЗ
ГАЗ
ЗАЗ
ЗИЛ
ИЖ
ЛуАЗ
РАФ
УАЗ
Модель
Не выбрано
АКП Волга Сайбер (2009)
ГАЗ-12 (ЗИМ)
ГАЗ-14 (Чайка) (1980)
ГАЗ-21
ГАЗ-21 (каталог 69 г.) (1969)
ГАЗ-2217 (доп. с дв. Chr Е 3) (2009)
ГАЗ-2217 (доп. с дв. ЗМЗ Е 3) (2009)
ГАЗ-2217 (Соболь) (1999)
ГАЗ-24
ГАЗ-24-10 (1995)
ГАЗ-2705 (Cummins E-4) (2015)
ГАЗ-2705 (ГАЗель) (2000)
ГАЗ-2705 (дв. ЗМЗ-402) (2006)
ГАЗ-2705 (дв. ЗМЗ-406) (2006)
ГАЗ-2705 (дв. УМЗ-4215) (2006)
ГАЗ-2705 (доп. с дв. Chr Е-3) (2009)
ГАЗ-2705 (доп. с дв. ЗМЗ Е-3) (2009)
ГАЗ-2705, 3221 (куз. детали) (2006)
ГАЗ-2752 (доп. с дв. Chr Е 3) (2009)
ГАЗ-2752 (доп. с дв. ЗМЗ Е 3) (2009)
ГАЗ-3102 (2000)
ГАЗ-3102, 3110 (дополнение) (2009)
ГАЗ-31029
ГАЗ-3105 (1996)
ГАЗ-3110
ГАЗ-31105
ГАЗ-31105 (дополнение) (2005)
ГАЗ-3111 (2004)
ГАЗ-3221 (1999)
ГАЗ-3221 (2006) (2006)
ГАЗ-3221 (доп. с дв. Chr Е-3) (2009)
ГАЗ-3221 (Уст. АБС 8.1) (2008)
ГАЗ-3302 (2004) (2004)
ГАЗ-3302 (Cummins E-4) (2015)
ГАЗ-3302 (ГАЗель)
ГАЗ-3302 (доп. с дв. Chr Е 3) (2009)
ГАЗ-3302 (доп. с дв. ЗМЗ Е 3) (2009)
ГАЗ-3302 (Кузовные дет.) (2011)
ГАЗ-3302 (с двиг. УМЗ) (2015)
ГАЗ-3302, 2705 (доп. для ГБО) (2015)
ГАЗ-33027 (Дополнение)
ГАЗ-69 (1957)
ГАЗель 4x4 (Дополнение) (2012)
ГАЗель 4х4 (2001) (2009)
ГАЗЕЛЬ NEXT A65R32-40 (2021)
ГАЗель NEXT Citiline A64R42 (2021)
ГАЗель, Соболь (2003) (2003)
ГАЗель-Бизнес 2705-393 (2015)
ГУР 3110 и 3102 (2000)
Кузов ГАЗ 31029
М20 Победа
Облицовка ГАЗ-31105, 3102 (2009)
Установка климатическая (2009)
Схема
>
Не выбрано
Обивка пассажирского салона автобусов ГАЗ-3221 и ГАЗ-32213
Обивка пассажирского салона автобуса ГАЗ-322132
Надставка среднего пола в сборе
Настил пола, усилители настила, рейки боковины
Коврик пола салона, настил подножки боковой двери, стол
Стойки боковины
Окна боковины, стекла окон, замок подвижного стекла, обивка боковой и задних дверей, поручни
Окна боковины, шторы
Люк крыши, плафоны пассажирского салона, задние фонари
Обивки крыши задняя и средняя № 3
Установка сидений автобуса ГАЗ-3221
Сиденье водителя и переднее сиденье автобуса ГАЗ-3221
Одноместные сиденья № 1 и № 2 переднего ряда салона автобуса ГАЗ-3221
Одноместные сиденья № 3 и № 4 второго ряда салона и трехместное сиденье автобуса ГАЗ-3221
Установка сидений автобуса ГАЗ-32213 (на автобусе могут быть установлены спинки и подушки сидений других поставщиков)
Установка сидений автобуса-такси ГАЗ-322132
Панели перегородки, громкоговорители, шторы перегородки автобуса ГАЗ-3221
Облицовка перегородки автобуса ГАЗ-3221
Трубопроводы отопителей, электронасос (для автобусов выпуска до 2003 года)
Трубопроводы заднего отопителя автобусов
Отопители задние: I-для автомобилей выпуска до 2003 года, II-для автомобилей выпуска с 2003 года
Установка ремней безопасности на автобусе ГАЗ-3221
Главный и рабочий цилиндры привода выключения сцепления, усилитель вакуумный с главным цилиндром тормозов, кронштейн с педалями (для автомобилей выпуска до 2003 года)
Буфер задний и световозвращатель (для автомобилей выпуска до 2003 года)
Рессора задняя, крепление задних рессор
Трубопроводы тормозной системы, регулятор давления тормозов с приводами
Установка гидроагрегата антиблокировочной системы тормозов
Батарея аккумуляторная, крепление батареи и проводов, блок предохранителей
Установка электропроводов в моторном отсеке и кабине (для автобусов с двигателями ЗМЗ-406)
Установка электропроводов в моторном отсеке и кабине (для автобусов с двигателями ЗМЗ-402 и УМЗ-4215)
Электропровода (пассажирский салон) автобусов ГАЗ-3221 и ГАЗ-32213
Панель с приборами, комбинация приборов, блоки предохранителей (для автобусов выпуска до 2003 года)
Органы управления на панели приборов, комбинация приборов (для автобусов выпуска с 2003 года)
265215524
3221-3506023
3221-3506038
3221-3506065
3221-3506073
3221-3506075
3221-3538050
290473
201455-П29
250510-П29
252135-П2
252135-П2
252005-П29
252005-П29
Позиция на иллюстрации
Заводской номер детали
Название детали
265215524
265215524
Гидроагрегат
3221-3506023
3221-3506023
Трубка от гидроагрегата к шлангу переднего правого тормоза
3221-3506038
3221-3506038
Трубка от гидроагрегата к шлангу переднего левого контура
3221-3506065
3221-3506065
Трубка от вторичной полости главного цилиндра к гидроагрегат
3221-3506073
3221-3506073
Трубка от первичной полости главного цилиндра к гидроагрегат
3221-3506075
3221-3506075
Трубка от гидроагрегата к шлангу заднего контура
3221-3538050
3221-3538050
Кронштейн гидроагрегата
3302-5325400
3302-5325400
Винт самонарезающий для металла и пластмассы
290473
290473
Болт М6х20
201455-П29
201455-П29
Болт М8-6gх18 ОСТ 37.001.123-96
250510-П29
250510-П29
Гайка М8-6Н ОСТ 37.001.124-93
252135-П2
252135-П2
Шайба 8Т ОСТ 37.001.115-75
252005-П29
252005-П29
Шайба 8 ОСТ 37.001.144-96
Содержащиеся в справочниках-каталогах запасные части и детали не предлагаются к продаже, а носят исключительно информационный характер
Дополнительная информация
×
Название:
Номер:
Примечание: