Вернуться на главную
Поиск
Каталоги запчастей к технике
Легковые автомобили
ГАЗ
ГАЗ-3221
Установка гидроагрегата антиблокировочной системы тормозов
Каталог запасных частей к технике: ГАЗ-3221. Установка гидроагрегата антиблокировочной системы тормозов
zoom-in
zoom-out
enlarge
shrink
circle-right
circle-left
file-text2
info
cart
Тип техники
Не выбрано
Легковые автомобили
Грузовые автомобили и прицепы
Автобусы
Сельхозтехника
Спецтехника
Двигатели
Мототехника
Марка
Не выбрано
BYD
Chevrolet
Daewoo
Geely
Great Wall
Hyundai
Lifan
Tata
АЗЛК
ВАЗ
ГАЗ
ЗАЗ
ЗИЛ
ИЖ
ЛуАЗ
РАФ
УАЗ
Модель
Не выбрано
АКП Волга Сайбер (2009)
ГАЗ-12 (ЗИМ)
ГАЗ-14 (Чайка) (1980)
ГАЗ-21
ГАЗ-21 (каталог 69 г.) (1969)
ГАЗ-2217 (доп. с дв. Chr Е 3) (2009)
ГАЗ-2217 (доп. с дв. ЗМЗ Е 3) (2009)
ГАЗ-2217 (Соболь) (1999)
ГАЗ-24
ГАЗ-24-10 (1995)
ГАЗ-2705 (Cummins E-4) (2015)
ГАЗ-2705 (ГАЗель) (2000)
ГАЗ-2705 (дв. ЗМЗ-402) (2006)
ГАЗ-2705 (дв. ЗМЗ-406) (2006)
ГАЗ-2705 (дв. УМЗ-4215) (2006)
ГАЗ-2705 (доп. с дв. Chr Е-3) (2009)
ГАЗ-2705 (доп. с дв. ЗМЗ Е-3) (2009)
ГАЗ-2705, 3221 (куз. детали) (2006)
ГАЗ-2752 (доп. с дв. Chr Е 3) (2009)
ГАЗ-2752 (доп. с дв. ЗМЗ Е 3) (2009)
ГАЗ-3102 (2000)
ГАЗ-3102, 3110 (дополнение) (2009)
ГАЗ-31029
ГАЗ-3105 (1996)
ГАЗ-3110
ГАЗ-31105
ГАЗ-31105 (дополнение) (2005)
ГАЗ-3111 (2004)
ГАЗ-3221 (1999)
ГАЗ-3221 (2006) (2006)
ГАЗ-3221 (доп. с дв. Chr Е-3) (2009)
ГАЗ-3221 (Уст. АБС 8.1) (2008)
ГАЗ-3302 (2004) (2004)
ГАЗ-3302 (Cummins E-4) (2015)
ГАЗ-3302 (ГАЗель)
ГАЗ-3302 (доп. с дв. Chr Е 3) (2009)
ГАЗ-3302 (доп. с дв. ЗМЗ Е 3) (2009)
ГАЗ-3302 (Кузовные дет.) (2011)
ГАЗ-3302 (с двиг. УМЗ) (2015)
ГАЗ-3302, 2705 (доп. для ГБО) (2015)
ГАЗ-33027 (Дополнение)
ГАЗ-69 (1957)
ГАЗель 4x4 (Дополнение) (2012)
ГАЗель 4х4 (2001) (2009)
ГАЗЕЛЬ NEXT A65R32-40 (2021)
ГАЗель NEXT Citiline A64R42 (2021)
ГАЗель, Соболь (2003) (2003)
ГАЗель-Бизнес 2705-393 (2015)
ГУР 3110 и 3102 (2000)
Кузов ГАЗ 31029
М20 Победа
Облицовка ГАЗ-31105, 3102 (2009)
Установка климатическая (2009)
Схема
>
Не выбрано
Обивка пассажирского салона автобусов ГАЗ-3221 и ГАЗ-32213
Обивка пассажирского салона автобусов ГАЗ-322132
Коврик пола салона, настил подножки боковой двери, стол
Настил пола, усилители настила, рейки боковины
Настил среднего пола в сборе
Окна боковины, стекла окон, замок подвижного стекла, обивка боковой и задних дверей, поручни
Стойки боковины
Люк крыши, плафоны пассажирского салона, задние фонари
Обивка крыши задняя и средняя №3
Одноместные сиденья №1 и №2 переднего ряда салона автобуса ГАЗ-3221
Одноместные сиденья №3 и №4 второго ряда салона и трехместное сиденье автобуса ГАЗ-3221
Сиденье водителя и переднее сиденье автобуса ГАЗ-3221
Установка сидений автобуса ГАЗ-3221
Установка сидений автобуса ГАЗ-32213 (на автобусе могут быть установлены спинки и подушки сидений других поставщиков)
Установка сидений автобуса-такси ГАЗ-322132
Облицовка перегородки автобуса ГАЗ-3221
Панели перегородки, громкоговорттели, шторы перегородки автобуса ГАЗ-3221
Отопитель задний: I - для автомобилей выпуска до 2003г., II - для автомобилей выпуска с 2003г
Трубопроводы заднего отопителя автобусов
Трубопроводы отопителей, электронасос (для автобусов выпуска до 2003г.)
Шторы, окна боковины
Установка ремней безопасности на автобусе ГАЗ-3221
Главный и рабочий цилиндры приводы выключения сцепления, усилитель вакуумный с главным цилиндром тормозов, кронштейн с педалями
Буфер задний и световозвращатель
Рессора задняя, крепление задних рессор
Трубопроводы тормозной системы, регуляторы давления тормозов с приводами
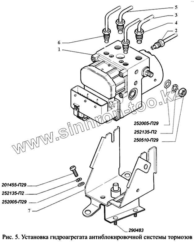
Установка гидроагрегата антиблокировочной системы тормозов
Батарея аккумуляторная, крепление батареи и проводов, блок предохранителей
Органы управления на панели приборов, комбинация приборов (для автобусов выпуска с 2003г.)
Установка электропроводов в моторном отсеке и кабине (для автобусов с двигателем ЗМЗ-406)
Установка электропроводов в моторном отсеке и кабине (для автобусов с двигателями ЗМЗ-402 и УМЗ-4215)
Электропровода (пассажирский салон) автобусов ГАЗ-3221 и ГАЗ-32213
Панель с приборами, комбинация приборов, блоки предохранителей (для автобусов выпуска до 2003 г.)
252005-П29
252005-П29
250510-П29
252135-П2
252135-П2
201455-П29
1
2
3
4
5
6
7
Позиция на иллюстрации
Заводской номер детали
Название детали
252005-П29
252005-П29
Шайба 8 ОСТ 37.001.144-96
250510-П29
250510-П29
Гайка М8-6Н ОСТ 37.001.124-93
252135-П2
252135-П2
Шайба 8Т ОСТ 37.001.115-75
201455-П29
201455-П29
Болт М8-6gх18 ОСТ 37.001.123-96
1
265215-524
Гидроагрегат
2
3221-3506023
Трубка от гидроагрегата к шлангу переднего правого тормоза
3
3221-3506038
Трубка от гидроагрегата к шлангу переднего левого контура
4
3221-3506065
Трубка от вторичной полости главного цилиндра к гидроагрегат
5
3221-3506073
Трубка от первичной полости главного цилиндра к гидроагрегат
6
3221-3506075
Трубка от гидроагрегата к шлангу заднего контура
7
3221-3538050
Кронштейн гидроагрегата
Содержащиеся в справочниках-каталогах запасные части и детали не предлагаются к продаже, а носят исключительно информационный характер
Дополнительная информация
×
Название:
Номер:
Примечание: