Вернуться на главную
Поиск
Каталоги запчастей к технике
Легковые автомобили
ГАЗ
ГАЗ-3110
Радиооборудование, антенна с электроприводом
Каталог запасных частей к технике: ГАЗ-3110. Радиооборудование, антенна с электроприводом
zoom-in
zoom-out
enlarge
shrink
circle-right
circle-left
file-text2
info
cart
Тип техники
Не выбрано
Легковые автомобили
Грузовые автомобили и прицепы
Автобусы
Сельхозтехника
Спецтехника
Двигатели
Мототехника
Марка
Не выбрано
BYD
Chevrolet
Daewoo
Geely
Great Wall
Hyundai
Lifan
Tata
АЗЛК
ВАЗ
ГАЗ
ЗАЗ
ЗИЛ
ИЖ
ЛуАЗ
РАФ
УАЗ
Модель
Не выбрано
АКП Волга Сайбер (2009)
ГАЗ-12 (ЗИМ)
ГАЗ-14 (Чайка) (1980)
ГАЗ-21
ГАЗ-21 (каталог 69 г.) (1969)
ГАЗ-2217 (доп. с дв. Chr Е 3) (2009)
ГАЗ-2217 (доп. с дв. ЗМЗ Е 3) (2009)
ГАЗ-2217 (Соболь) (1999)
ГАЗ-24
ГАЗ-24-10 (1995)
ГАЗ-2705 (Cummins E-4) (2015)
ГАЗ-2705 (ГАЗель) (2000)
ГАЗ-2705 (дв. ЗМЗ-402) (2006)
ГАЗ-2705 (дв. ЗМЗ-406) (2006)
ГАЗ-2705 (дв. УМЗ-4215) (2006)
ГАЗ-2705 (доп. с дв. Chr Е-3) (2009)
ГАЗ-2705 (доп. с дв. ЗМЗ Е-3) (2009)
ГАЗ-2705, 3221 (куз. детали) (2006)
ГАЗ-2752 (доп. с дв. Chr Е 3) (2009)
ГАЗ-2752 (доп. с дв. ЗМЗ Е 3) (2009)
ГАЗ-3102 (2000)
ГАЗ-3102, 3110 (дополнение) (2009)
ГАЗ-31029
ГАЗ-3105 (1996)
ГАЗ-3110
ГАЗ-31105
ГАЗ-31105 (дополнение) (2005)
ГАЗ-3111 (2004)
ГАЗ-3221 (1999)
ГАЗ-3221 (2006) (2006)
ГАЗ-3221 (доп. с дв. Chr Е-3) (2009)
ГАЗ-3221 (Уст. АБС 8.1) (2008)
ГАЗ-3302 (2004) (2004)
ГАЗ-3302 (Cummins E-4) (2015)
ГАЗ-3302 (ГАЗель)
ГАЗ-3302 (доп. с дв. Chr Е 3) (2009)
ГАЗ-3302 (доп. с дв. ЗМЗ Е 3) (2009)
ГАЗ-3302 (Кузовные дет.) (2011)
ГАЗ-3302 (с двиг. УМЗ) (2015)
ГАЗ-3302, 2705 (доп. для ГБО) (2015)
ГАЗ-33027 (Дополнение)
ГАЗ-69 (1957)
ГАЗель 4x4 (Дополнение) (2012)
ГАЗель 4х4 (2001) (2009)
ГАЗЕЛЬ NEXT A65R32-40 (2021)
ГАЗель NEXT Citiline A64R42 (2021)
ГАЗель, Соболь (2003) (2003)
ГАЗель-Бизнес 2705-393 (2015)
ГУР 3110 и 3102 (2000)
Кузов ГАЗ 31029
М20 Победа
Облицовка ГАЗ-31105, 3102 (2009)
Установка климатическая (2009)
Схема
>
Не выбрано
Термошумоизоляция кузова, заглушки, крышка люка пола багажника
Коврики пола кабины и багажника, уплотнители пола
Стекло ветрового окна, стеклоочиститель и омыватель электрический
Обивка передка
Ящик вещевой с замком и петлями, фонарь освещения с выключателем
Панель приборов, облицовка комбинации приборов
Облицовка панели приборов, облицовка громкоговорителей, ящик радиоаппаратуры
Панель приборов в сборе, консоль панели приборов, чехол рычага КП, прикуриватель, подкассетник, пепельницы передняя и задняя, выключатель аварийный сигнализации
Стекло окна задка, облицовка боковины, крышка люка наливной трубы топливного бака
Крышка багажника, замок и привод замка багажника, уплотнитель крышки багажника
Обивка крыши и полки задка, ящик аптечки, обивка багажника
Двери передние, навеска передних дверей, обивка, кант проема и уплотнитель передних дверей
Стекло опускное передних дверей, стеклоподъемник, уплотнитель стекла, окантовка проема окна, опора наружного зеркала
Замок и привод замка передних дверей, ручки дверей наружные и внутренние
Двери задние, навеска задних дверей, обивка, кант проема и уплотнитель задних дверей
Стекло опускное задних дверей, стеклоподъемник, стекло неподвижное, уплотнители стекол, окантовка проема окна
Замок и привод замка задних дверей, ручки дверей наружные и внутренние
Сиденье водителя и сиденье переднее, подголовник сидений
Крепление передних сидений и механизм регулирования
Сиденье заднее, подголовник сидений
Отопитель, радиатор отопителя, кожух радиатора, электродвигатель с ротором, короб вентиляции
Распределители отопителя, воздуховод центральный, воздуховод задний, шланги и патрубки распределителей отопителя и обдува ветрового стекла
Привод управления вентиляцией и отоплением, кран отопителя, трубопроводы
Зеркала заднего вида наружные и внутренние, поручни, козырьки противосолнечные, ремни безопасности
Облицовка радиатора, брызговик облицовки, капот, крылья передние, щитки крыла, уплотнители крыльев
Замок и привод замка капота
Подвеска двигателей. I - ЗМЗ-4062.10, II - ЗМЗ-402.10 и ЗМЗ-4021.10
Блок и головка цилиндров, датчик синхронизации и скорости вращения системы управления двигателем ЗМЗ-4062.10
Блок и головка цилиндров, датчик давления масла двигателей ЗМЗ-402.10 и ЗМЗ-4021.10
Вал коленчатый, поршни и шатуны двигателя ЗМЗ-4062.10
Вал коленчатый, поршни и шатуны двигателей ЗМЗ-402.10 и ЗМЗ-4021.10
Валы распределительные и цепной привод распредвалов двигателя ЗМЗ-4062.10
Клапаны и толкатели клапанов, крышка клапанов, катушки зажигания, провода и свечи, крышка маслоналивного патрубка двигателя ЗМЗ-4062.10
Вал распределительный, ось коромысел, клапаны и толкатели клапанов, крышка коромысел двигателей ЗМЗ-402.10 и ЗМЗ-4021.10
Газопровод, ресивер, корпус дросселя, клапан рециркуляции двигателя ЗМЗ-4062.10
Газопровод двигателей ЗМЗ-402.10 и ЗМЗ-4021.10
Насос масляный и его привод, фильтр очистки масла, картер, масляный радиатор, указатель уровня масла, датчики давления и аварийного давления масла двигателя ЗМЗ-4062.10
Насос масляный, картер, масляный радиатор, крышка маслоналивного патрубка, указатель уровня масла двигателей ЗМЗ-402.10 и ЗМЗ-4021.10
Привод распределителя зажигания и масляного насоса, фильтр очистки масла, датчик аварийного давления масла двигателей ЗМЗ-402.10 и ЗМЗ-4021.10
Бак топливный, труба наливная и пробка топливного бака, фильтр предварительной очистки топлива, датчик уровня топлива, указатель уровня топлива в баке. I - 70 л бак, II - 55 л бак
Электробензонасос, фильтр тонкой очистки, трубопроводы топливные двигателя ЗМЗ-4062.10
Насос топливный, фильтр тонкой очистки, трубопроводы топливные двигателей ЗМЗ-402.10 и ЗМЗ-4021.10
Топливопровод двигателя, дроссель с датчиком положения воздушной заслонки, регулятор холостого хода, электромагнитные форсунки, шланги вентиляции картера, датчик температуры воздуха системы управления двигателем ЗМЗ-4062.10
Карбюратор, фильтр воздушный, электромагнитный клапан ЭПХХ, клапан рециркуляции с термовакуумным выключателем, шланги вентиляции картера двигателей ЗМЗ-402.10иЗМЗ-4021.10
Привод воздушной дроссельной заслонки двигателя ЗМЗ-4062.10, педаль акселератора
Привод дроссельных и воздушной заслонок карбюратора двигателей ЗМЗ-402.10 и ЗМЗ-4021.10, педаль акселератора, выключатель сигнализатора прикрытия воздушной заслонки
Фильтр воздушный, датчик массового расхода воздуха системы управления двигателем ЗМЗ-4062.10
Глушитель, резонаторы, трубы глушителя двигателя ЗМЗ-4062.10
Глушитель, резонаторы, трубы глушителя двигателей ЗМЗ-402.10 и ЗМЗ-4021.10
Радиатор, электровентилятор, датчик включения электровентилятора двигателя ЗМЗ-4062.10
Радиатор, электровентилятор (дополнительный вентилятор), датчик включения электровентилятора, датчик сигнализатора перегрева охлаждающей жидкости двигателей ЗМЗ-402.10 и ЗМЗ-4021.10
Расширительный бачок и его крепление, пробка расширительного бачка
Насос водяной, ремень привода водяного насоса, термостат, датчики указателя температуры и сигнализатора перегрева охлаждающей жидкости, датчик указателя температуры охлаждающей жидкости системы управления двигателем ЗМЗ-4062.10
Вентилятор, насос водяной, ремни привода вентилятора и водяного насоса, термостат, датчик указателя температуры охлаждающей жидкости двигателей ЗМЗ-402.10 и ЗМЗ-4021.10
Сцепление двигателя ЗМЗ-4062.10
Сцепление двигателей ЗМЗ-402.10 и ЗМЗ-4021.10
Главный цилиндр и рабочий цилиндр привода выключения сцепления, главный цилиндр тормозов с вакуумным усилителем, кронштейн с педалями
Детали главного и рабочего цилиндров привода выключения сцепления
Коробка передач пятиступенчатая, рычаг переключения передач
Валы и шестерни пятиступенчатой коробки передач
Передний и задний картеры, механизм переключения пятиступенчатой коробки передач, выключатель света заднего хода
Коробка передач четырехступенчатая, рычаг переключения передач
Валы и шестерни четырехступенчатой коробки передач
Картер, удлинитель, механизм переключения четырехступенчатой коробки передач
Детали механизма переключения четырехступенчатой коробки передач, выключатель света заднего хода
Карданная передача трансмиссии двухвальная, промежуточная опора
Карданная передача трансмиссии одновальная
Мост задний, барабанные тормоза, болты крепления колеса и декоративный колпак
Картер моста с кожухами, шестерни главной передачи, дифференциал и полуоси
Поперечина № 2 (балка передней подвески) и поперечина № 3 рамы, брызговик двигателя передний
Буферы передний и задний, щиток нижний
Подвеска передняя, ступица колеса с подшипниками, скоба и диск передних тормозов
Рычаги передней подвески, крепление амортизатора, стабилизатор поперечной устойчивости
Пружина передней подвески, рычаги, втулки резиновые, кулак поворотный в сборе
Стойка передней подвески, втулки резьбовые, шкворень с подшипниками, кронштейн с цапфой, поворотный кулак
Амортизатор передней подвески
Рессора задней подвески, крепление амортизатора
Амортизатор задней подвески
Рулевая трапеция автомобилей со встроенным гидроусилителем и без гидроусилителя, тяга сошки, рулевые тяги, шарниры, рычаг маятниковый с кронштейном
Рулевая трапеция автомобиля с раздельным гидроусилителем, тяга сошки с клапаном управления, рулевые тяги, силовой цилиндр гидроусилителя
Колесо, вентиль и шина, крепление запасного колеса
Колонка рулевого управления, вал с подшипниками, кожух рулевой колонки, переключатели стеклоочистителя и указателей поворота, выключатель зажигания
Рулевое колесо с декоративной накладкой, кожух облицовочный, включатели звукового сигнала
Механизм рулевого управления с шарниром рулевой механизм со встроенным гидроусилителем, глобоидный рулевой механизм
Картер и крышки глобоидного рулевого механизма, червяк с валом, вал сошки, подшипники и регулировочные прокладки
Насос и кронштейн насоса, бачок и шланги встроенного рулевого гидроусилителя
Насос и кронштейны насоса, бачок и шланги раздельного рулевого гидроусилителя, уплотнитель брызговика
Клапан управления раздельного гидроусилителя, тяга сошки с наконечником
Корпус и основные скобы, колодки с накладкой передних дисковых тормозов
Щит, колодки с накладкой и колесный цилиндр задних тормозов, разжимной механизм стояночного тормоза
Педали тормоза и сцепления, кронштейн педалей, выключатель сигнала торможения
Детали главного цилиндра тормозов, датчик аварийного уровня тормозной жидкости
Трубопроводы тормозной системы
Рычаг и привод стояночного тормоза, выключатель сигнализатора рабочего положения стояночного тормоза
Детали вакуумного усилителя тормозов
Регулятор давления тормозов, привод регулятора
Генератор двигателя ЗМЗ.-4062.10
Генератор двигателей ЗМЗ-402.10 и ЗМЗ-4021.10
Батарея аккумуляторная, крепление аккумуляторной батареи, стартер, реле электровентилятора, блок предохранителей в моторном отсеке двигателя ЗМЗ-4062.10
Батарея аккумуляторная, крепление аккумуляторной батареи, стартер, коммутатор, реле электровентилятора, блок предохранителей в моторном отсеке двигателей ЗМЗ-402.10иЗМЗ-4021.10
Стартер двигателя
Катушка зажигания, датчик-распределитель, провода и свечи двигателей ЗМЗ-402.10 и ЗМЗ-4021.10
Фары, указатели поворота, фара противотуманная. Фонарь освещения под капотом, плафон, дверной выключатель плафона
Фонари задние, фонарь дополнительного сигнала торможения, фонари освещения номерного знака и багажника
Приборы электрооборудования и провода автомобиля с двигателем ЗМЗ-4062.10 (моторный отсек)
Приборы электрооборудования и провода автомобиля с двигателями ЗМЗ-4062.10 и ЗМЗ-4021.10 (моторный отсек)
Приборы электрооборудования и провода (кабина и багажник)
Блок реле, жгуты проводов, клавишные переключатели на консоли панели приборов
Блок управления, реле и жгут проводов с колодкой диагностики системы управления двигателем ЗМЗ-4062.10
Комбинация приборов, центральный переключатель освещения, блоки предохранителей, гнездо штекерное, клавишные переключатели на панели приборов
Датчики контрольно-измерительных приборов, датчики системы управления двигателем ЗМЗ-4062.10, выключатель света заднего хода и датчик спидометра на коробке передач
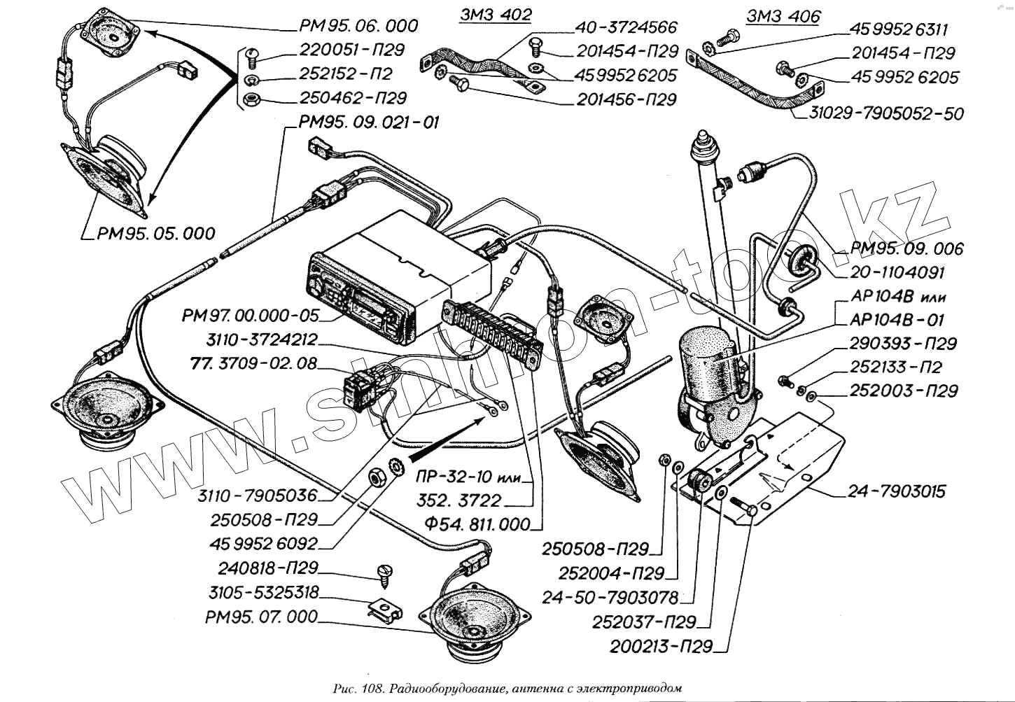
Радиооборудование, антенна с электроприводом
Инструмент и принадлежности
252152-П2
77.3709000-02.08
352.3722
ПР-32-10
3110-7905036
40-3724566
31029-7905052-50
3110-3724212
РМ95.09.021-01
45 9952 6311
24-7903015
252152-П2
252003-П29
252133-П2
252133-П2
252004-П29
252037-П29
252037-П29
45 9952 6205
45 9952 6205
45 9952 6092
24-50-7903078
АР104В-01
Ф54.811.000
290393-П29
200213-П29
201454-П29
201456-П29
201456-П29
240818-П29
220051-П29
120-1104091
АР104-7903000-В
250462-П29
250508-П29
250508-П29
3105-5325318
РМ95.06.000
РМ95.07.000
РМ95.05.000
РМ95.09.006
РМ97.00.000-05
Позиция на иллюстрации
Заводской номер детали
Название детали
252152-П2
252152-П2
Шайба 4Л ОСТ 37.001.115-75
77.3709000-02.08
77.3709000-02.08
Переключатель подъема антенны 77.3709-02.08
352.3722
352.3722
Предохранитель (10А)
ПР-32-10
ПР-32-10
Предохранитель (10А)
3110-7905036
3110-7905036
Провод минусовой
40-3724566
40-3724566
Провод соединения «массы» двигателя с кузовом
31029-7905052-50
31029-7905052-50
Провод на "корпус"
3110-3724212
3110-3724212
Провод радиооборудования
РМ95.09.021-01
РМ95.09.021-01
Провод соединительный
45 9952 6311
45 9952 6311
Шайба 10
24-7903015
24-7903015
Основание антенны
252152-П2
252152-П2
Шайба 4Л ОСТ 37.001.115-75
252003-П29
252003-П29
Шайба 5 ОСТ 37.001.144-96
252133-П2
252133-П2
Шайба 5Т ОСТ 37.001.115-75
252133-П2
252133-П2
Шайба 5Т ОСТ 37.001.115-75
252004-П29
252004-П29
Шайба 6 ОСТ 37.001.144-96
252037-П29
252037-П29
Шайба 6 ОСТ 37.001.144-96
252037-П29
252037-П29
Шайба 6 ОСТ 37.001.144-96
45 9952 6205
45 9952 6205
Шайба 8
45 9952 6092
45 9952 6092
Шайба 6
24-50-7903078
24-50-7903078
Втулка амортизационная
АР104В-01
АР104В-01
Антенна с электроприводом (АР104-7903000В-01)
Ф54.811.000
Ф54.811.000
Блок предохранителей
290393-П29
290393-П29
Болт М5-6gх12
200213-П29
200213-П29
Болт М6-6gх35
201454-П29
201454-П29
Болт М8-6gх16 ОСТ 37.001.123-96
201456-П29
201456-П29
Болт М8-6gх20 ОСТ 37.001.123-96
240818-П29
240818-П29
Винт 4х12 ОСТ 37.001.188-81
220051-П29
220051-П29
Винт М4-6gх10 ОСТ 37.001.127-81
120-1104091
120-1104091
Втулка
АР104-7903000-В
АР104-7903000-В
Антенна с электроприводом АР104В
250462-П29
250462-П29
Гайка М4-6Н ОСТ 37.001.124-93
250508-П29
250508-П29
Гайка М6-6Н ОСТ 37.001.124-93
3105-5325318
3105-5325318
Гайка М4
РМ95.06.000
РМ95.06.000
Громкоговоритель высокочастотный
РМ95.07.000
РМ95.07.000
Громкоговоритель задний
РМ95.05.000
РМ95.05.000
Громкоговоритель передний
РМ95.09.006
РМ95.09.006
Кабель антенный
РМ97.00.000-05
РМ97.00.000-05
Магнитола автомобильная "Романтик РМ216СА-05"
Содержащиеся в справочниках-каталогах запасные части и детали не предлагаются к продаже, а носят исключительно информационный характер
Дополнительная информация
×
Название:
Номер:
Примечание: