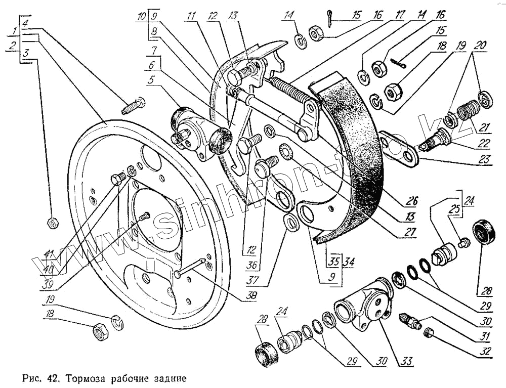
Каталог запасных частей к технике: ГАЗ-3102. Тормоза рабочие задние
1
2
3
4
5
6
7
8
9
9
10
11
12
12
13
13
14
14
15
15
16
16
17
18
18
18
19
19
19
20
21
22
23
24
24
25
26
27
28
28
29
29
30
30
31
32
33
34
35
36
37
38
39
40
41
| Позиция на иллюстрации | Заводской номер детали | Название детали | |
|---|---|---|---|
| 1 | 24-3502012 | Щит правый в сборе | |
| 2 | 24-3502013 | Щит левый в сборе | |
| 3 | 250610-П29 | Гайка М8-6Н ОСТ 37.001.124-93 | |
| 4 | 290615-П29 | Винт М8-6gх30 | |
| 5 | 3102-3502040 | Цилиндр в сборе | |
| 6 | 20-3508153-А | Рычаг приводной левый | |
| 7 | 20-3508152-А | Рычаг приводной правый | |
| 8 | 24-3501105-02 | Накладка фрикционная короткая | |
| 9 | 24-3501095 | Колодка тормоза | |
| 10 | 24-3501091 | Колодка с фрикционной накладкой в сборе | |
| 11 | 20-3508161 | Пружина | |
| 12 | 291491-П29 | Болт М10х1-6hх25 | |
| 13 | 293363-П29 | Шайба 13 | |
| 14 | 252156-П8 | Шайба 10Л | |
| 15 | 258024-П29 | Шплинт 2,5х16 ОСТ 37.001.171-93 | |
| 16 | 250613-П8 | Гайка М10х1 | |
| 17 | 12-3501035 | Пружина стяжная колодок тормоза | |
| 18 | 250515-П8 | Гайка М12х1,25 | |
| 18 | 250515-П29 | Гайка М12х1,25-6Н ОСТ 37.001.124-93 | |
| 19 | 252137-П29 | Шайба 12 | |
| 19 | 252137-П8 | Шайба 12 пружинная | |
| 20 | М-2066-С | Чашка отжимной пружины колодок тормоза верхняя | |
| 21 | М-2065-С | Пружина отжимная колодок тормоза | |
| 22 | 21Р-3502068 | Палец опорный | |
| 23 | 20-3501030 | Пластина опорного пальца | |
| 24 | 24-3501042-10 | Поршень в сборе | |
| 25 | 24-3502044 | Стержень упорный | |
| 26 | 12-3508156 | Рычаг разжимной ручного привода тормоза с маятником в сборе | |
| 27 | 252193-П29 | Шайба 12 ОСТ 37.001.146-75 | |
| 28 | 24-3501058-10 | Колпак защитный | |
| 29 | 24-3501051-10 | Кольцо уплотнительное | |
| 30 | 24-3501057 | Кольцо упорное | |
| 31 | 53-3501048 | Клапан прокачки колесного цилиндра | |
| 32 | 12-3501049 | Колпачок перепускного клапана колесного цилиндра тормоза защитный | |
| 33 | 3102-3502046 | Цилиндр | |
| 34 | 24-3501090 | Колодка и фрикционная накладка в сборе передняя | |
| 35 | 24-3501105-01 | Накладка фрикционная длинная | |
| 36 | 12-3508164 | Эксцентрик разжимного рычага в сборе | |
| 37 | 20-3501028 | Эксцентрик опорного пальца колодок тормоза | |
| 38 | М-2068-С | Стержень чашек | |
| 39 | 221577-П29 | Винт М5-6gх10 | |
| 40 | 252135-П29 | Шайба 8Т | |
| 41 | 201452-П29 | Болт М8-6gх12 ОСТ 37.001.123-96 |
Содержащиеся в справочниках-каталогах запасные части и детали не предлагаются к продаже, а носят исключительно информационный характер