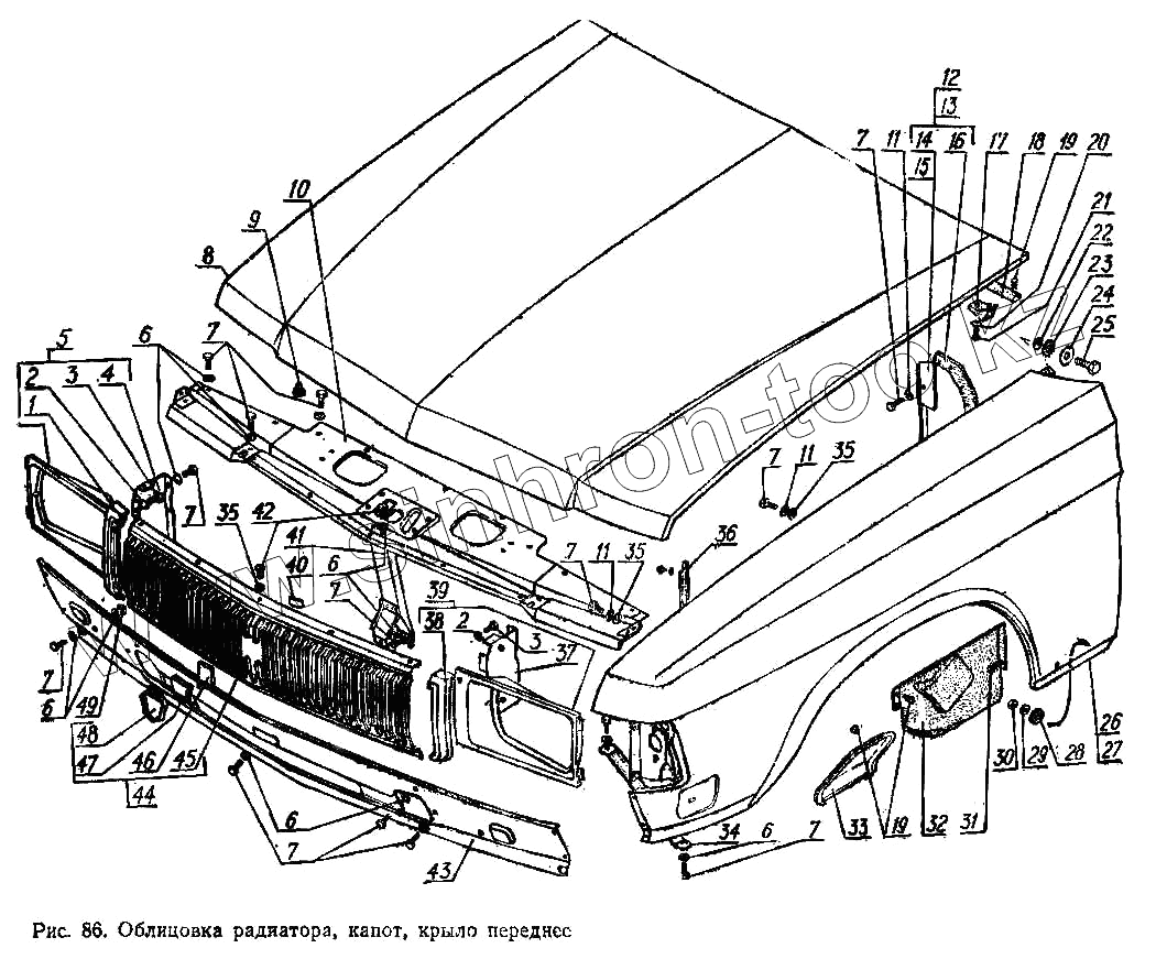
Каталог запасных частей к технике: ГАЗ-3102. Облицовка радиатора, капот, крыло переднее
1
2
2
3
3
4
5
6
6
6
6
6
7
7
7
7
7
7
7
7
7
7
7
7
7
7
7
7
7
7
8
9
10
11
11
11
11
12
13
14
15
16
17
18
19
19
20
21
22
23
24
25
26
27
28
29
30
31
32
33
34
35
35
35
36
37
38
39
40
41
42
43
44
45
46
47
48
49
| Позиция на иллюстрации | Заводской номер детали | Название детали | |
|---|---|---|---|
| 1 | 3102-8401342 | Молдинг правый | |
| 2 | 252268-П29 | Шайба 5 | |
| 3 | 290377-П29 | Болт М5-6gх9 | |
| 4 | 3102-8401482 | Надставка щитка радиатора правая в сборе | |
| 5 | 3102-8401340 | Молдинг правый в сборе | |
| 6 | 252269-П29 | Шайба 6 ОСТ 37.001.145-75 | |
| 7 | 201417-П29 | Болт М6-6gх14 ОСТ 37.001.123-96 | |
| 7 | 201417-П29 | Болт М6-6gх14 ОСТ 37.001.123-96 | |
| 7 | 201417-П29 | Болт М6-6gх14 ОСТ 37.001.123-96 | |
| 7 | 201417-П29 | Болт М6-6gх14 ОСТ 37.001.123-96 | |
| 7 | 201417-П29 | Болт М6-6gх14 ОСТ 37.001.123-96 | |
| 7 | 201417-П29 | Болт М6-6gх14 ОСТ 37.001.123-96 | |
| 8 | 3102-8402012 | Капот в сборе | |
| 9 | 30-8402208 | Буфер | |
| 10 | 3102-8401118 | Панель облицовки радиатора верхняя в сборе | |
| 11 | 293226-П29 | Шайба 6,5 | |
| 11 | 293226-П29 | Шайба 6 | |
| 12 | 24-8403352 | Щиток переднего крыла правый в сборе | |
| 13 | 24-8403353 | Щиток переднего крыла левый в сборе | |
| 14 | 24-8403354 | Щиток переднего крыла правый | |
| 15 | 24-8403355 | Щиток переднего крыла левый | |
| 16 | 24-8403360 | Уплотнитель щитка | |
| 17 | 24-8402220 | Опора капота боковая | |
| 18 | 24-8402200 | Уплотнитель капота задний | |
| 19 | 298318-П4 | Пистон крепления прокладки | |
| 20 | 252214-П29 | Шайба 6 | |
| 21 | 223064-П29 | Винт М6-6gх14 | |
| 22 | 13-2904133 | Прокладка регулировочная | |
| 23 | 293319-П29 | Шайба 10 | |
| 24 | 252039-П29 | Шайба 10 ОСТ 37.001.144-96 | |
| 25 | 201496-П29 | Болт М10-6gх22 ОСТ 37.001.123-96 | |
| 26 | 3102-8403013 | Крыло переднее левое в сборе | |
| 27 | 3102-8403012 | Крыло переднее правое в сборе | |
| 28 | 24-2803140-01 | Прокладка | |
| 29 | 252045-П29 | Шайба 12 ОСТ 37.001.144-96 | |
| 30 | 250512-П29 | Гайка М10-6Н ОСТ 37.001.124-93 | |
| 31 | 353126 | Пистон с шляпкой | |
| 32 | 3102-8403330 | Уплотнитель брызговика левого крыла задний | |
| 33 | 24-8403384 | Заглушка брызговика переднего крыла | |
| 34 | 3102-8403100 | Распорка переднего крыла в сборе | |
| 35 | 252037-П29 | Шайба 6 ОСТ 37.001.144-96 | |
| 36 | 3102-8401422 | Уплотнитель бокового щитка радиатора | |
| 37 | 3102-8401483 | Надставка щитка радиатора левая в сборе | |
| 38 | 3102-8401343 | Молдинг левый | |
| 39 | 3102-8401341 | Молдинг левый в сборе | |
| 40 | 13-8402194 | Держатель декоративной накладки | |
| 41 | 3102-8401296 | Стойка облицовки радиатора в сборе | |
| 42 | 224622-П29 | Винт М6-6gх10 ОСТ 37.001.130-81 | |
| 43 | 3102-8401408 | Брызговик облицовки радиатора в сборе | |
| 44 | 3102-8401110 | Облицовка радиатора в сборе | |
| 45 | 3102-8401112 | Панель облицовки радиатора | |
| 46 | 3102-8401366 | Держатель заводского знака | |
| 47 | 3102-8401388 | Орнамент заводского знака | |
| 48 | 13-8401388 | Накладка заводского знака | |
| 49 | 45 9552 9704 | Гайка М6 |
Содержащиеся в справочниках-каталогах запасные части и детали не предлагаются к продаже, а носят исключительно информационный характер