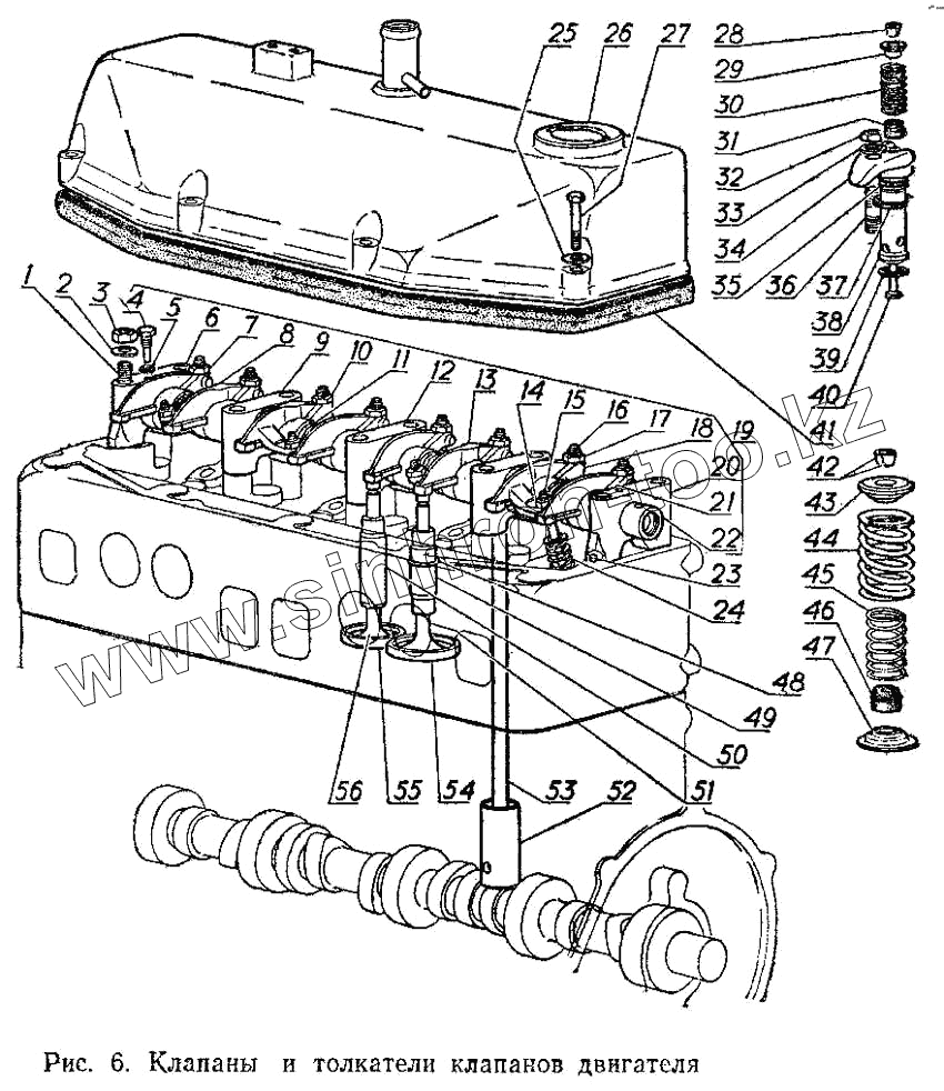
Каталог запасных частей к технике: ГАЗ-3102. Клапаны и толкатели клапанов двигателя
1
2
3
4
5
6
7
8
9
10
11
12
13
14
15
16
17
18
19
20
21
22
23
24
25
26
27
28
29
30
31
32
33
34
35
36
37
38
39
40
41
42
43
44
45
46
47
48
49
50
51
52
53
54
55
56
| Позиция на иллюстрации | Заводской номер детали | Название детали | |
|---|---|---|---|
| 1 | 874335 | Шпилька М8х1х58 | |
| 2 | 252005-П | Шайба 8 | |
| 3 | 250503-П | Гайка М8х1-6Н | |
| 4 | 4022.1007110 | Фиксатор | |
| 5 | 252154-П2 | Шайба 6Л ОСТ 37.001.115-75 | |
| 6 | 4022.1007107 | Стойка пятая | |
| 7 | 4022.1007142 | Коромысло выпускного клапана с винтом регулировочным | |
| 8 | 4022.1007112 | Коромысло впускного клапана с винтами регулировочными - правое | |
| 9 | 4022.1007105 | Стойка вторая, четвертая | |
| 10 | 4022.1007113 | Коромысло впускного клапана с винтами регулировочными - левое | |
| 11 | 21-1007161-Б | Пружина распорная коромысел | |
| 12 | 4022.1007106 | Стойка третья | |
| 13 | 4022.1007114 | Коромысло впускного клапана с втулкой - правое | |
| 14 | 250509-П | Гайка М6 х 0,75 | |
| 15 | 4022.1007077 | Винт регулировочный дополнительного клапана | |
| 16 | 66-1007075 | Винт регулировочный | |
| 17 | 12-1007076 | Гайка регулировочного винта | |
| 18 | 4022.1007115 | Коромысло впускного клапана с втулкой - левое | |
| 19 | 4022.1007098 | Ось с коромыслами и стойками в сборе | |
| 20 | 4022.1007108 | Стойка первая | |
| 21 | 4022.1007144 | Коромысло выпускного клапана с втулкой | |
| 22 | 4022.1007100 | Ось в сборе | |
| 23 | 258624-П | Штифт 5х10 | |
| 24 | 4022.1007260 | Клапан дополнительный впускной | |
| 25 | 252004-П29 | Шайба 6 ОСТ 37.001.144-96 | |
| 26 | 4022.1007230 | Крышка коромысел в сборе | |
| 27 | 201428-П29 | Болт М6-6gх40 ОСТ 37.001.123-96 | |
| 28 | 4022.1007292 | Сухарь | |
| 29 | 4022.1007286 | Тарелка | |
| 30 | 4022.1007284 | Пружина | |
| 31 | 4022.1007293 | Сальник дополнительного клапана с пружинами | |
| 32 | 250513-П | Гайка М10х1-4Н5Н | |
| 33 | 252176-П8 | Шайба 10 пружинная | |
| 34 | 4022.1007289-0 | Скоба | |
| 35 | 4022.1007279 | Кольцо уплотнительное | |
| 36 | 291797-П | Шпилька М10х1х30 | |
| 37 | 4022.1007277 | Прокладка верхняя | |
| 38 | 4022.1007272 | Корпус дополнительного впускного клапана | |
| 39 | 4022.1007276 | Прокладка нижняя | |
| 40 | 4022.1007282 | Клапан впускной дополнительный | |
| 41 | 4022.1007245 | Прокладка | |
| 42 | 66-1007028 | Сухарь клапана | |
| 43 | 24-1007025-11 | Тарелка пружин клапанов | |
| 44 | 24-1007020-10 | Пружина наружная | |
| 45 | 24-1007021 | Пружина клапана внутренняя | |
| 46 | 24-1007036 | Колпачок в сборе | |
| 47 | 24-1007022 | Шайба опорная пружин клапанов | |
| 48 | 13-1007034-Б | Кольцо стопорное | |
| 49 | 4022.1007033 | Втулка направляющая впускного клапана | |
| 50 | 4022.1007038 | Втулка направляющая выпускного клапана | |
| 51 | 4022.1007010-01 | Клапан впускной | |
| 52 | 21-1007055-А4 | Толкатель клапана в сборе | |
| 53 | 13-1007175 | Штанга в сборе | |
| 54 | 4022.1007082 | Седло вставное впускного клапана | |
| 55 | 4022.1007080 | Седло вставное выпускного клапана | |
| 56 | 4022.1007015 | Клапан выпускной |
Содержащиеся в справочниках-каталогах запасные части и детали не предлагаются к продаже, а носят исключительно информационный характер