Вернуться на главную
Поиск
Каталоги запчастей к технике
Легковые автомобили
ГАЗ
ГАЗ-3102
Фары, указатели поворота и фары противотуманные
Каталог запасных частей к технике: ГАЗ-3102. Фары, указатели поворота и фары противотуманные
zoom-in
zoom-out
enlarge
shrink
circle-right
circle-left
file-text2
info
cart
Тип техники
Не выбрано
Легковые автомобили
Грузовые автомобили и прицепы
Автобусы
Сельхозтехника
Спецтехника
Двигатели
Мототехника
Марка
Не выбрано
BYD
Chevrolet
Daewoo
Geely
Great Wall
Hyundai
Lifan
Tata
АЗЛК
ВАЗ
ГАЗ
ЗАЗ
ЗИЛ
ИЖ
ЛуАЗ
РАФ
УАЗ
Модель
Не выбрано
АКП Волга Сайбер (2009)
ГАЗ-12 (ЗИМ)
ГАЗ-14 (Чайка) (1980)
ГАЗ-21
ГАЗ-21 (каталог 69 г.) (1969)
ГАЗ-2217 (доп. с дв. Chr Е 3) (2009)
ГАЗ-2217 (доп. с дв. ЗМЗ Е 3) (2009)
ГАЗ-2217 (Соболь) (1999)
ГАЗ-24
ГАЗ-24-10 (1995)
ГАЗ-2705 (Cummins E-4) (2015)
ГАЗ-2705 (ГАЗель) (2000)
ГАЗ-2705 (дв. ЗМЗ-402) (2006)
ГАЗ-2705 (дв. ЗМЗ-406) (2006)
ГАЗ-2705 (дв. УМЗ-4215) (2006)
ГАЗ-2705 (доп. с дв. Chr Е-3) (2009)
ГАЗ-2705 (доп. с дв. ЗМЗ Е-3) (2009)
ГАЗ-2705, 3221 (куз. детали) (2006)
ГАЗ-2752 (доп. с дв. Chr Е 3) (2009)
ГАЗ-2752 (доп. с дв. ЗМЗ Е 3) (2009)
ГАЗ-3102 (2000)
ГАЗ-3102, 3110 (дополнение) (2009)
ГАЗ-31029
ГАЗ-3105 (1996)
ГАЗ-3110
ГАЗ-31105
ГАЗ-31105 (дополнение) (2005)
ГАЗ-3111 (2004)
ГАЗ-3221 (1999)
ГАЗ-3221 (2006) (2006)
ГАЗ-3221 (доп. с дв. Chr Е-3) (2009)
ГАЗ-3221 (Уст. АБС 8.1) (2008)
ГАЗ-3302 (2004) (2004)
ГАЗ-3302 (Cummins E-4) (2015)
ГАЗ-3302 (ГАЗель)
ГАЗ-3302 (доп. с дв. Chr Е 3) (2009)
ГАЗ-3302 (доп. с дв. ЗМЗ Е 3) (2009)
ГАЗ-3302 (Кузовные дет.) (2011)
ГАЗ-3302 (с двиг. УМЗ) (2015)
ГАЗ-3302, 2705 (доп. для ГБО) (2015)
ГАЗ-33027 (Дополнение)
ГАЗ-69 (1957)
ГАЗель 4x4 (Дополнение) (2012)
ГАЗель 4х4 (2001) (2009)
ГАЗЕЛЬ NEXT A65R32-40 (2021)
ГАЗель NEXT Citiline A64R42 (2021)
ГАЗель, Соболь (2003) (2003)
ГАЗель-Бизнес 2705-393 (2015)
ГУР 3110 и 3102 (2000)
Кузов ГАЗ 31029
М20 Победа
Облицовка ГАЗ-31105, 3102 (2009)
Установка климатическая (2009)
Схема
>
Не выбрано
Пол, кожухи пола, коврики пола
Термошумоизоляция кузова
Стеклоочиститель и привод, ветровое окно, омыватель
Обивка передка
Панель приборов и вещевой ящик
Консоль панели приборов
Боковина, крыша
Обивка, окно задка и обивка багажника
Крышка багажника, петли, замок багажника, крепление насоса для накачивания шин и домкрат
Дверь передняя
Окно и механизм перемещения стекла передней двери
Замок и ручки передней двери
Дверь задняя
Окно и механизм перемещения стекла задней двери
Замок и ручки задней двери
Сиденье водителя и переднее сиденье
Сиденье заднее
Отопление и вентиляция
Управление вентиляцией и отоплением кузова, трубопроводы
Радиатор и электродвигатель отопителя
Зеркала
Держатели и ремни безопасности
Козырек противосолнечный
Облицовка радиатора, капот, крыло переднее
Фартук щитка и люк заднего крыла
Замок и привод замка капота, петли
Подвеска двигателя, рама и брызговик двигателя
Блок и головка цилиндров двигателя
Поршни, шатуны, вал коленчатый и маховик двигателя
Вал распределительный и газопровод
Клапаны и толкатели клапанов двигателя
Картер масляный, насос масляный и радиатор масляный
Привод распределителя зажигания, фильтр масляный и крепление масляного фильтра
Бак топливный
Трубопроводы топливные и фильтр тонкой очистки топлива
Насос топливный
Карбюратор
Карбюратор
Акселератор
Ступенчатый впуск воздуха
Вентиляция картера, карбюратор и фильтр воздушный двигателя
Глушитель выхлопа и трубы выхлопные
Радиатор, подвеска радиатора, трубопроводы и шланги, пробка радиатора, кожух вентилятора, жалюзи и расширительный бачок
Термостат системы охлаждения, водяной насос, вентилятор и его привод, краник сливной
Сцепление
Главный цилиндр привода сцепления и главный цилиндр выключения сцепления
Крепление главного цилиндра привода сцепления, цилиндра выключения сцепления, педали тормоза и сцепления с кронштейном, главного цилиндра тормоза и вакуумного усилителя тормоза
Коробка передач
Картер и удлинитель со вторым валом коробки передач
Механизм переключения передач
Вал карданный заднего моста
Мост задний
Буфер передний и задний
Пружины, стойки и рычаги передней подвески
Стойки и рычаги передней подвески, поворотные кулаки
Рычаги в сборе, амортизаторы и стабилизатор поперечной устойчивости передней подвески
Рессоры задние и крепление задних амортизаторов
Амортизаторы задние
Тяги рулевые
Колеса, колпаки колес, тормоза рабочие задние в сборе и тормозной барабан
Ступицы передних колес, тормоза колесные дисковые передние
Держатель запасного колеса, шины
Рулевой механизм
Крепление рулевого механизма и рулевое управление
Рулевое управление
Колесо рулевого управления и кнопка звукового сигнала
Тормоза рабочие задние
Педаль сцепления и тормоза, привод механизма управления тормозами
Трубопроводы и регулятор давления тормозов
Привод стояночного тормоза
Рычаг привода стояночного тормоза
Усилитель тормоза вакуумный, сигнализатор аварийный тормозов, трубопроводы вакуумного усилителя тормоза
Генератор
Генератор
Батарея аккумуляторная
Катушка зажигания, распределитель, свечи и провода зажигания
Стартер
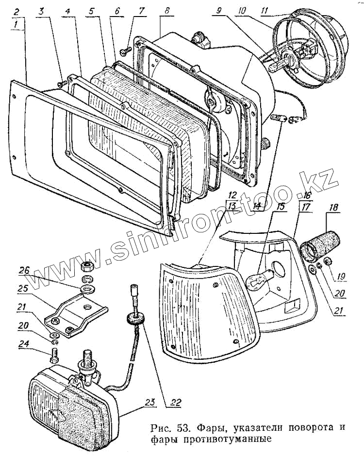
Фары, указатели поворота и фары противотуманные
Приборы электрооборудования
Фонари задние, фонарь освещения номерного знака
Электропровода
Электрооборудование
Фароочиститель
Комбинация приборов
Радиооборудование
Инструменты водителя и приспособления
Домкрат
1
2
3
4
5
6
7
8
9
10
11
12
13
14
15
16
17
18
19
20
20
21
21
22
23
24
25
26
Позиция на иллюстрации
Заводской номер детали
Название детали
1
3102-3711033
Облицовка фары левая
2
3102-3711032
Облицовка фары правая
3
45 9422 1079
Винт М5х10
4
34.3711321
Ободок
5
34.3711201
Рассеиватель
6
ФП130-3711203
Прокладка
7
224624-П29
Винт М6-6gх14 ОСТ 37.001.130-81
8
34.3711100
Корпус в сборе
9
АКГ12-60+55
Лампа
10
39.3711142
Прокладка
11
39.3711140
Крышка в сборе
12
3102-3726016
Указатель поворота передний правый УП118-П
13
3102-3726017
Указатель поворота передний левый УП118-Л
14
А12-4
Лампа освещения гнезда прикуривателя
15
А12-21-3
Лампа
16
3102-3726018
Кожух правый
17
3102-3726019
Кожух левый
18
3102-3726045
Колпачок защитный
19
250508-П29
Гайка М6-6Н ОСТ 37.001.124-93
20
252154-П29
Шайба 6Л ОСТ 37.001.115-75
21
252004-П29
Шайба 6 ОСТ 37.001.144-96
22
21-5208150
Втулка уплотнительная
23
3102-3743010
Фара противотуманная 11.3743010-Э
24
201420-П29
Болт М6-6gх20 ОСТ 37.001.123-96
25
3102-3743114
Кронштейн в сборе
26
252007-П29
Шайба 12 ОСТ 37.001.144-96
Содержащиеся в справочниках-каталогах запасные части и детали не предлагаются к продаже, а носят исключительно информационный характер
Дополнительная информация
×
Название:
Номер:
Примечание: