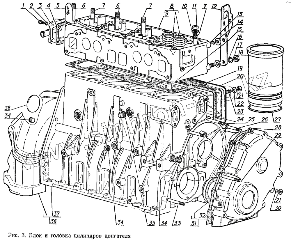
Каталог запасных частей к технике: ГАЗ-3102. Блок и головка цилиндров двигателя
1
2
3
4
5
6
6
7
7
7
8
9
10
11
12
13
14
15
16
17
18
19
20
21
21
22
23
24
25
26
27
28
29
30
31
32
33
34
34
34
35
36
37
38
| Позиция на иллюстрации | Заводской номер детали | Название детали | |
|---|---|---|---|
| 1 | 201422-П29 | Болт М6-6gх25 ОСТ 37.001.123-96 | |
| 2 | 252134-П8 | Шайба 6 | |
| 3 | 4022.1003082-10 | Крышка | |
| 4 | 4022.1003084 | Прокладка | |
| 5 | 4022.1002350 | Скоба | |
| 6 | 874331-П | Шпилька М12х1,25-4h6hх120 | |
| 6 | 874331-П8 | Шпилька М12х1,25х120 | |
| 7 | 874330-П | Шпилька М12х1,25-4h6hх100 | |
| 8 | 4022.1003007 | Головка блока цилиндров с клапанами | |
| 9 | 4022.1003010 | Головка блока цилиндров с втулками и седлами | |
| 10 | 293370-П8 | Шайба 12 | |
| 11 | 292127-П8 | Гайка М12х1,25-6Н | |
| 12 | 4022.1002356 | Скоба | |
| 13 | 291785-П29 | Шпилька М10х1-4hх22 | |
| 14 | 293300-П8 | Шайба 10 | |
| 15 | 13-1003085 | Штифт | |
| 16 | 252136-П29 | Шайба 10Т | |
| 17 | 250513-П29 | Гайка М10х1-6Н | |
| 18 | 4022.1002023 | Гильза | |
| 19 | 4022.1003020 | Прокладка | |
| 20 | 24-1002110-30 | Крышка коробки толкателей в сборе | |
| 21 | 250511-П8 | Гайка М8х1 | |
| 22 | 293264-П | Шайба 8 | |
| 23 | 291751-П8 | Шпилька М8х1х30 | |
| 24 | 24-1002116 | Прокладка крышки коробки толкателей | |
| 25 | 216250-П8 | Шпилька М8х1х60 | |
| 26 | 200299-П8 | Болт М8х1-6gх70 | |
| 27 | 4022.1002024 | Кольцо уплотнительное | |
| 28 | 24-1002064-01 | Прокладка крышки распределительных шестерен | |
| 29 | 200302-П8 | Болт М8х1-6gх85 | |
| 30 | 252155-П29 | Шайба пружинная 8 | |
| 31 | 4022.1002058 | Крышка распределительных шестерен в сборе | |
| 32 | 4022.1002060 | Крышка | |
| 33 | 291767-П8 | Шпилька М8х1х62 | |
| 34 | 296563-П8 | Пробка КГ 3/8" | |
| 35 | 262512-П8 | Пробка КГ 1/2" | |
| 36 | 4022.1002009 | Блок цилиндров с картером сцепления | |
| 37 | 4022.1002010 | Блок цилиндров с крышками коренных подшипников | |
| 38 | 296997-П8 | Заглушка |
Содержащиеся в справочниках-каталогах запасные части и детали не предлагаются к продаже, а носят исключительно информационный характер