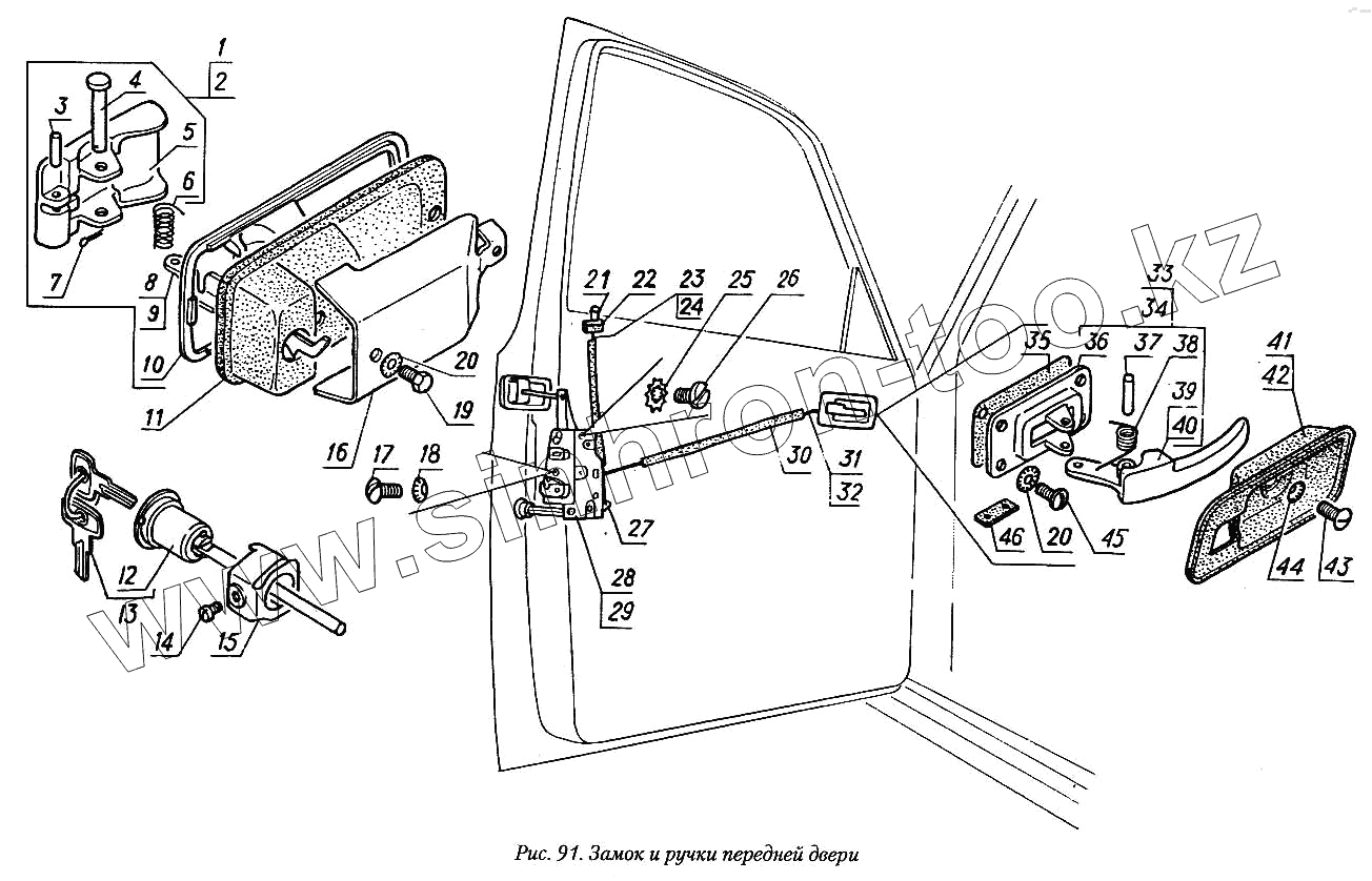
Каталог запасных частей к технике: ГАЗ-31029. Замок и ручки передней двери
1
2
3
4
5
6
7
8
9
10
11
12
13
14
15
16
17
18
19
20
20
21
22
23
24
25
26
27
28
29
30
31
32
33
34
35
36
37
38
39
40
41
42
43
44
45
46
| Позиция на иллюстрации | Заводской номер детали | Название детали | |
|---|---|---|---|
| 1 | 31011-6105151-02 | Ручка передней двери наружная левая в сборе | |
| 2 | 31011-6105150-02 | Ручка передней двери наружная правая в сборе | |
| 3 | 45 9841 1344 | Штифт 3х16 | |
| 4 | 260021-П29 | Палец 6х42 ОСТ 37.001.163-97 | |
| 5 | 31011-6105152 | Ручка дверей наружная | |
| 6 | 31011-6105174 | Пружина наружной ручки | |
| 7 | 258002-П29 | Шплинт 1,5х16 | |
| 8 | 31011-6105304-20 | Толкатель наружной ручки правый | |
| 9 | 31011-6105305-20 | Толкатель наружной ручки левый | |
| 10 | 31011-6105160 | Розетка наружной ручки | |
| 11 | 31011-6105270-01 | Прокладка наружной ручки двери | |
| 12 | 31011-6105090 | Выключатель в сборе | |
| 13 | 31011-6105080 | Выключатель с ключами в сборе | |
| 14 | 222499-П29 | Винт М5-6gх14 | |
| 15 | 31011-6105140 | Держатель выключателя замка в сборе | |
| 16 | 31011-6105350-01 | Скоба крепления наружной ручки дверей | |
| 17 | 223064-П29 | Винт М6-6gх14 | |
| 18 | 252214-П29 | Шайба 6 | |
| 19 | 290377-П29 | Болт М5-6gх9 | |
| 20 | 252273-П29 | Шайба 5 ОСТ 37.001.146-75 | |
| 21 | 24-6105074-01 | Наконечник тяги | |
| 22 | 24-6105448 | Виброгаситель тяги | |
| 23 | 24-6105071 | Тяга выключения замка левая | |
| 24 | 24-6105070 | Тяга выключения замка правая | |
| 25 | 293226-П29 | Шайба 6,5 | |
| 26 | 224622-П29 | Винт М6-6gх10 ОСТ 37.001.130-81 | |
| 27 | 24-6105442 | Зажим тяги | |
| 28 | А196-6105000 | Замок правый (24-6105012-30) | |
| 29 | А197-6105000 | Замок левый (24-6105013-30) | |
| 30 | 24-6205072 | Чехол тяги | |
| 31 | 31011-6105102-10 | Тяга привода замка дверей правая | |
| 32 | 31011-6105103-10 | Тяга привода замка дверей левая | |
| 33 | 31011-6105082 | Привод замка внутренний правый в сборе | |
| 34 | 31011-6105083 | Привод замка внутренний левый в сборе | |
| 35 | 31011-6105184 | Прокладка привода замка | |
| 36 | 31011-6105086 | Основание привода замка двери | |
| 37 | 45 9841 1360 | Штифт 4х20 | |
| 38 | 31011-6105098-01 | Пружина привода | |
| 39 | 31011-6105182 | Ручка внутреннего привода замка правая | |
| 40 | 31011-6105183 | Ручка внутреннего привода замка левая | |
| 41 | 31011-6105188-01 | Розетка внутреннего привода правая | |
| 42 | 31011-6105189-01 | Розетка внутреннего привода левая | |
| 43 | 290396 | Винт М5-6hх14 | |
| 44 | 252213-П29 | Шайба стопорная 5 | |
| 45 | 224597-П29 | Винт М5-6gх10 ОСТ 37.001.130-81 | |
| 46 | 23А-5303270 | Зажим тяги |
Содержащиеся в справочниках-каталогах запасные части и детали не предлагаются к продаже, а носят исключительно информационный характер