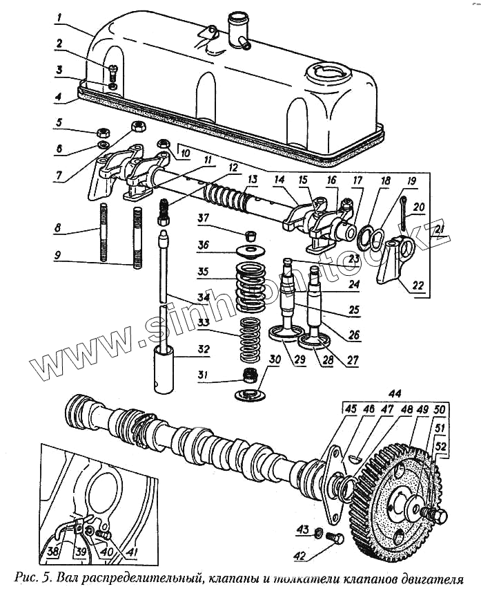
Каталог запасных частей к технике: ГАЗ-31029. Вал распределительный, клапаны и толкатели клапанов двигателя
1
2
3
4
5
6
7
8
9
10
11
12
13
14
15
16
17
18
19
20
21
22
23
24
25
26
27
28
29
30
31
32
33
34
35
36
37
38
39
40
41
42
43
44
45
46
47
48
49
50
51
52
| Позиция на иллюстрации | Заводской номер детали | Название детали | |
|---|---|---|---|
| 1 | 4021.1007230 | Крышка коромысел в сборе | |
| 2 | 222525-П29 | Винт М6-6gх16 ОСТ 37.001.128-96 | |
| 3 | 252004-П29 | Шайба 6 ОСТ 37.001.144-96 | |
| 4 | 21-1007245-Б1 | Прокладка крышки коромысел | |
| 5 | 250503-П | Гайка М8х1-6Н | |
| 6 | 252005-П | Шайба 8 | |
| 7 | 250513-П | Гайка М10х1-4Н5Н | |
| 8 | 874335 | Шпилька М8х1х58 | |
| 9 | 291808-П | Шпилька М10х1,5-4hх60 | |
| 10 | 12-1007076 | Гайка регулировочного винта | |
| 11 | 21-1007106-Б | Стойка оси коромысел четвертая | |
| 12 | 66-1007075-02 | Винт регулировочный клапана | |
| 13 | 21-1007161-Б | Пружина распорная коромысел | |
| 14 | 13-1007114-03 | Коромысло клапана с втулкой в сборе | |
| 15 | 21-1007105-Б | Стойка оси коромысел | |
| 16 | 13-1007112-01 | Коромысло клапана с регулировочным винтом в сборе | |
| 17 | 21-1007100-Б | Ось коромысел клапанов с заглушками в сборе | |
| 18 | 41-1007119 | Шайба оси коромысел | |
| 19 | 21-1007135 | Шайба | |
| 20 | 258055-П | Шплинт 3,6х36 | |
| 21 | 24-1007098-40 | Ось с коромыслами и стойками в сборе | |
| 22 | 24-1007107 | Стойка оси коромысел крайняя | |
| 23 | 402.1007010 | Клапан впускной | |
| 24 | 13-1007034-21 | Кольцо стопорное направляющей втулки | |
| 25 | 4022.1007033 | Втулка направляющая впускного клапана | |
| 26 | 4022.1007038 | Втулка направляющая выпускного клапана | |
| 27 | 4022.1007015 | Клапан выпускной | |
| 28 | 4022.1007080 | Седло вставное выпускного клапана | |
| 29 | 4022.1007082-30 | Седло вставное впускного клапана | |
| 30 | 24-1007022 | Шайба опорная пружин клапанов | |
| 31 | 24-1007036-01 | Колпачок маслоотражательный | |
| 32 | 21-1007055-А4 | Толкатель клапана в сборе | |
| 33 | 24-1007021 | Пружина клапана внутренняя | |
| 34 | 54-1007175 | Штанга толкателя клапана | |
| 35 | 24-1007020-11 | Пружина клапана наружная | |
| 36 | 24-1007025-11 | Тарелка пружин клапанов | |
| 37 | 66-1007028 | Сухарь клапана | |
| 38 | 21-1006049-22 | Трубка смазки распределительных шестерен | |
| 39 | 12-1006267 | Скоба | |
| 40 | 252154-П2 | Шайба 6Л ОСТ 37.001.115-75 | |
| 41 | 290489-П | Болт М6-6gх12 | |
| 42 | 201456-П2 | Болт М8-6gх20 | |
| 43 | 252135-П2 | Шайба 8Т ОСТ 37.001.115-75 | |
| 44 | 4022.1006010-02 | Вал в сборе | |
| 45 | 4022.1006015-20 | Вал распределительный | |
| 46 | 11-6252 | Фланец упорный распределительного вала | |
| 47 | 45 9824 0264 | Шпонка 5х9 | |
| 48 | 4022.1006029 | Кольцо распорное распределительного вала | |
| 49 | 11-6256-А4 | Шестерня распределительного вала | |
| 50 | 24-1006023 | Шайба распределительного вала | |
| 51 | 201563-П | Болт М12х1,25-6gх30 | |
| 52 | 252137-П2 | Шайба 12.ОТ ОСТ 37.001.115-75 |
Содержащиеся в справочниках-каталогах запасные части и детали не предлагаются к продаже, а носят исключительно информационный характер