Вернуться на главную
Поиск
Каталоги запчастей к технике
Легковые автомобили
ГАЗ
ГАЗ-31029
Радиооборудование
Каталог запасных частей к технике: ГАЗ-31029. Радиооборудование
zoom-in
zoom-out
enlarge
shrink
circle-right
circle-left
file-text2
info
cart
Тип техники
Не выбрано
Легковые автомобили
Грузовые автомобили и прицепы
Автобусы
Сельхозтехника
Спецтехника
Двигатели
Мототехника
Марка
Не выбрано
BYD
Chevrolet
Daewoo
Geely
Great Wall
Hyundai
Lifan
Tata
АЗЛК
ВАЗ
ГАЗ
ЗАЗ
ЗИЛ
ИЖ
ЛуАЗ
РАФ
УАЗ
Модель
Не выбрано
АКП Волга Сайбер (2009)
ГАЗ-12 (ЗИМ)
ГАЗ-14 (Чайка) (1980)
ГАЗ-21
ГАЗ-21 (каталог 69 г.) (1969)
ГАЗ-2217 (доп. с дв. Chr Е 3) (2009)
ГАЗ-2217 (доп. с дв. ЗМЗ Е 3) (2009)
ГАЗ-2217 (Соболь) (1999)
ГАЗ-24
ГАЗ-24-10 (1995)
ГАЗ-2705 (Cummins E-4) (2015)
ГАЗ-2705 (ГАЗель) (2000)
ГАЗ-2705 (дв. ЗМЗ-402) (2006)
ГАЗ-2705 (дв. ЗМЗ-406) (2006)
ГАЗ-2705 (дв. УМЗ-4215) (2006)
ГАЗ-2705 (доп. с дв. Chr Е-3) (2009)
ГАЗ-2705 (доп. с дв. ЗМЗ Е-3) (2009)
ГАЗ-2705, 3221 (куз. детали) (2006)
ГАЗ-2752 (доп. с дв. Chr Е 3) (2009)
ГАЗ-2752 (доп. с дв. ЗМЗ Е 3) (2009)
ГАЗ-3102 (2000)
ГАЗ-3102, 3110 (дополнение) (2009)
ГАЗ-31029
ГАЗ-3105 (1996)
ГАЗ-3110
ГАЗ-31105
ГАЗ-31105 (дополнение) (2005)
ГАЗ-3111 (2004)
ГАЗ-3221 (1999)
ГАЗ-3221 (2006) (2006)
ГАЗ-3221 (доп. с дв. Chr Е-3) (2009)
ГАЗ-3221 (Уст. АБС 8.1) (2008)
ГАЗ-3302 (2004) (2004)
ГАЗ-3302 (Cummins E-4) (2015)
ГАЗ-3302 (ГАЗель)
ГАЗ-3302 (доп. с дв. Chr Е 3) (2009)
ГАЗ-3302 (доп. с дв. ЗМЗ Е 3) (2009)
ГАЗ-3302 (Кузовные дет.) (2011)
ГАЗ-3302 (с двиг. УМЗ) (2015)
ГАЗ-3302, 2705 (доп. для ГБО) (2015)
ГАЗ-33027 (Дополнение)
ГАЗ-69 (1957)
ГАЗель 4x4 (Дополнение) (2012)
ГАЗель 4х4 (2001) (2009)
ГАЗЕЛЬ NEXT A65R32-40 (2021)
ГАЗель NEXT Citiline A64R42 (2021)
ГАЗель, Соболь (2003) (2003)
ГАЗель-Бизнес 2705-393 (2015)
ГУР 3110 и 3102 (2000)
Кузов ГАЗ 31029
М20 Победа
Облицовка ГАЗ-31105, 3102 (2009)
Установка климатическая (2009)
Схема
>
Не выбрано
Пол, кожух пола, коврики пола и багажника
Термошумоизоляция кузова
Стеклоочиститель и привод, стекла, уплотнители и отделочная рамка ветрового окна, насос водяной очистки ветрового стекла
Обшивка передка
Панель приборов и вещевой ящик
Панель приборов, консоль панели приборов, пепельница
Боковина, крыша, обивка крыши
Обивка полки задка, окно задка, обивка багажника
Крышка багажника, петли, упор, замок крышки багажника и крепление насоса для накачивания шин и домкрата
Дверь передняя
Окно и механизм перемещения стекла передней двери
Замок и ручки передней двери
Дверь задняя
Окно и механизм перемещения стекла задней двери
Замок и ручки задней двери
Сиденье водителя и переднее сиденье
Сиденье заднее
Радиатор и электродвигатель отопителя
Отопление и вентиляция
Управление вентиляцией и отоплением кузова, трубопроводы
Зеркала, держатели (поручни), крючки для одежды, козырек противосолнечный и ремни безопасности
Облицовка радиатора, капот, крыло переднее
Замок и привод замка капота, петли капота
Фартук щитка, люк заднего крыла
Подвеска двигателя
Блок и головка цилиндров двигателя
Поршни, шатуны, вал коленчатый и маховик двигателя
Вал распределительный, клапаны и толкатели клапанов двигателя
Газопровод
Картер масляный, насос масляный и радиатор масляный
Привод распределителя зажигания и фильтр очистки масла
Бак топливный
Трубопроводы топливные и фильтр тонкой очистки топлива
Вентиляция картера, фильтр воздушный двигателя и устройства дополнительного карбюратора
Насос топливный
Карбюратор
Карбюратор
Акселератор
Фильтр воздушный и установка карбюратора
Глушитель выхлопа, трубы выхлопные, резонатор и резонатор дополнительный
Глушитель выхлопа, трубы выхлопные, резонатор
Система рециркуляции отработавших газов
Радиатор, трубопроводы и шланги, пробка радиатора, краник сливной, кожух вентилятора, жалюзи и расширительный бачок
Термостат, насос водяной, вентилятор и его привод
Сцепление
Главный цилиндр привода сцепления и цилиндр выключения сцепления
Крепление главного цилиндра привода сцепления, цилиндра выключения, педали тормоза
Коробка передач четырехступенчатая
Картер и удлинитель с вторичным валом четырехступенчатой коробки передач
Механизм переключения передач четырехступенчатой коробки передач
Коробка передач пятиступенчатая
Картер и удлинитель с вторичным валом пятиступенчатой коробки передач
Механизм переключения передач пятиступенчатой коробки передач
Вал карданный заднего моста
Передача карданная трансмиссии
Мост задний с разъемным картером (для автомобилей с барабанными тормозами)
Мост задний с неразъемным картером (для автомобилей с барабанными тормозами)
Мост задний с неразъемным картером (для автомобилей с передними дисковыми тормозами)
Рама и брызговик двигателя
Буфер передний и задний
Пружины и рычаги передней подвески (для автомобилей с барабанными тормозами)
Стойки передней подвески и поворотные кулаки (для автомобилей с барабанными тормозами)
Рычаги в сборе, амортизаторы передней подвески и стабилизатор поперечной устойчивости (для автомобилей с барабанными тормозами)
Пружины, стойки и рычаги передней подвески (для автомобилей с передними дисковыми тормозами)
Стойки и рычаги передней подвески, поворотные кулаки (для автомобилей с передними дисковыми тормозами)
Рычаги в сборе, амортизаторы передней подвески и стабилизатор поперечной устойчивости (для автомобилей с передними дисковыми тормозами)
Амортизаторы передние и задние
Рессоры задние и крепление задних амортизаторов
Тяги рулевые
Тяги рулевые (для автомобилей с передними дисковыми тормозами)
Колеса, тормоза рабочие задние в сборе и тормозные барабаны (для автомобилей с барабанными тормозами)
Колеса, тормоза рабочие задние в сборе и тормозные барабаны (для автомобилей с передними дисковыми тормозами)
Ступицы передних колес, тормоза рабочие передние (для автомобилей с барабанными тормозами)
Ступицы передних колес, кулаки поворотные, тормоза рабочие передние (для автомобилей с передними дисковыми тормозами)
Колесо, вентиль, шина, держатель запасного колеса
Механизм рулевого управления
Крепление рулевого механизма и рулевое управление
Управление рулевое
Колесо рулевого управления и кнопка звукового сигнала
Тормоза рабочие передние (для автомобилей с барабанными тормозами)
Тормоза рабочие задние (для автомобилей с барабанными тормозами)
Тормоза рабочие задние (для автомобилей с передними дисковыми тормозами)
Педаль сцепления и тормоза, привод механизма управления тормозами
Цилиндр главный гидротормозов
Трубопроводы и регулятор тормозного момента гидравлических систем (для автомобилей с барабанными тормозами)
Трубопроводы и регулятор тормозного момента гидравлических систем (для автомобилей с передними дисковыми тормозами)
Привод механизма управления стояночным тормозом
Рычаг привода стояночного тормоза
Усилитель тормозов вакуумный, сигнализатор аварийный тормозов, трубопроводы вакуумного усилителя тормоза
Электрооборудование
Электропровода
Генератор
Генератор
Батарея аккумуляторная
Катушка зажигания, датчик-распределитель, свечи и провода зажигания
Стартер
Фары, плафоны внутреннего освещения, лампы переносная и подкапотная, фонари задние в сборе и фонарь освещения номерного знака, указатели поворота, фары противотуманные
Фонари задние
Датчик-распределитель
Панель и комбинация приборов
Радиооборудование
Инструмент водителя и приспособления
Домкрат
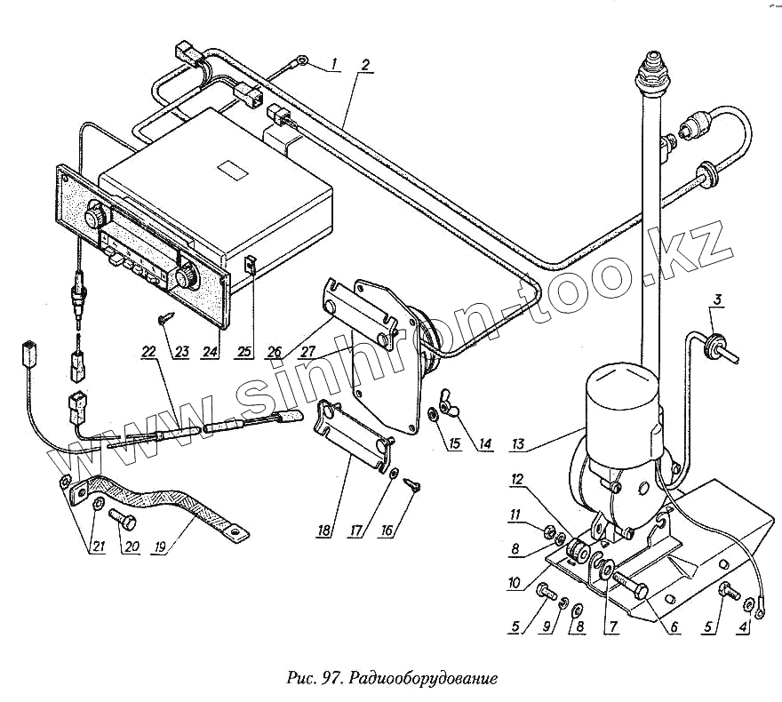
1
2
3
4
5
5
6
7
8
8
9
10
11
12
13
14
15
16
17
18
19
20
21
22
23
24
25
26
27
Позиция на иллюстрации
Заводской номер детали
Название детали
1
24-10-3724076
Провод ««массы»»
2
ИД4.850.034-7Г
Кабель антенны (24-7905010-11)
3
20-1104091
Втулка уплотнительная
4
45 9811 1254
Шайба 5
5
290393-П29
Болт М5-6gх12
6
200213-П29
Болт М6-6gх35
7
252037-П29
Шайба 6 ОСТ 37.001.144-96
8
252004-П29
Шайба 6 ОСТ 37.001.144-96
9
252133-П29
Шайба 5
10
24-7903015
Основание антенны
11
250508-П29
Гайка М6-6Н ОСТ 37.001.124-93
12
24-50-7903078
Втулка амортизационная
13
АР104Б-01-Э
Антенна с электроприводом
14
Гайка М4
Гайка М4
15
252152-П2
Шайба 4Л ОСТ 37.001.115-75
16
240818-П29
Винт 4х12 ОСТ 37.001.188-81
17
252002-П29
Шайба 4 ОСТ 37.001.144-96
18
3102-7909029
Кронштейн крепления громкоговорителя нижний
19
40-3724566
Провод соединения «массы» двигателя с кузовом
20
201456-П29
Болт М8-6gх20 ОСТ 37.001.123-96
21
45 9952 6205
Шайба 8
22
31029-3724212
Провод питания
23
290299
Винт 4х18
24
Х-Г2.021.018-08
Магнитола
25
3102-5303320
Гайка специальная
26
3102-7909028
Кронштейн верхний
27
ИД3.843.177
Громкоговоритель (24-10-7909010-20)
Содержащиеся в справочниках-каталогах запасные части и детали не предлагаются к продаже, а носят исключительно информационный характер
Дополнительная информация
×
Название:
Номер:
Примечание: