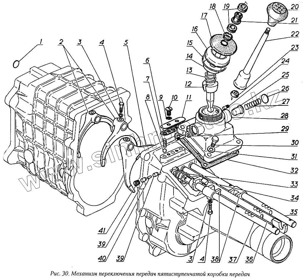
Каталог запасных частей к технике: ГАЗ-31029. Механизм переключения передач пятиступенчатой коробки передач
1
2
3
3
4
4
5
6
7
8
9
10
11
12
13
14
15
16
17
18
19
20
21
22
23
24
25
26
27
28
29
30
31
32
33
34
35
36
37
38
39
39
40
41
| Позиция на иллюстрации | Заводской номер детали | Название детали | |
|---|---|---|---|
| 1 | 260305-П | Заглушка 16 ОСТ 37.001.173-82 | |
| 2 | 31029-1702024 | Вилка переключения первой, второй, третьей, четвертой | |
| 3 | 252134-П2 | Шайба 6Т ОСТ 37.001.115-75 | |
| 4 | 290517-П8 | Болт М6-6gх20 | |
| 5 | 31029-1702092 | Вилка переключения пятой передачи и заднего хода | |
| 6 | 31029-1702085 | Прокладка пластины фиксаторов | |
| 7 | 21-2905661 | Пружина | |
| 8 | Б7,938-40 | Шарик | |
| 9 | 252155-П29 | Шайба пружинная 8 | |
| 10 | 201454-П29 | Болт М8-6gх16 ОСТ 37.001.123-96 | |
| 11 | 31029-1702084 | Пластина фиксаторов штоков | |
| 12 | 31029-1702140 | Рычаг переключения передач нижняя часть | |
| 13 | 24-1702122 | Пружина рычага переключения передач | |
| 14 | 24-1702124 | Седло пружины рычага переключения передач | |
| 15 | 11-7207 | Прокладка колпака | |
| 16 | 24-1702126 | Колпак корпуса рычага | |
| 17 | 24-1702128 | Уплотнитель верхней крышки | |
| 18 | 24-1702150 | Втулка запорная | |
| 19 | 24-1702148 | Подушка рычага | |
| 20 | 31029-1702159 | Рукоятка рычага переключения передач в сборе | |
| 21 | 24-1702146 | Втулка распорная | |
| 22 | 24-1702142 | Верхняя часть рычага переключения передач | |
| 23 | 24-1702144-01 | Конус упорный рычага | |
| 24 | 295033-П | Штифт 6х14 установочный | |
| 25 | 52-1702097 | Предохранитель включений первой и второй передач и заднего хода | |
| 26 | 260307-П | Заглушка 20 | |
| 27 | 24-1702100 | Пружина предохранителя первой и второй передач | |
| 28 | 31029-1702244 | Корпус рычага переключения передач | |
| 29 | 258948-П29 | Штифт 5х25 ОСТ 37.001.116-97 | |
| 30 | 201458-П29 | Болт М8-6gх25 ОСТ 37.001.123-96 | |
| 31 | 252175-П29 | Шайба 8 | |
| 32 | 31029-1702246 | Прокладка корпуса рычага | |
| 33 | 31029-1702314 | Пружина блокировочной втулки | |
| 34 | 31029-1702310 | Втулка блокировочная | |
| 35 | 31029-1702040 | Шток включения первой и второй передач | |
| 36 | 31029-1702041 | Шток включения третьей и четвертой передач | |
| 37 | 31029-1702042 | Шток включения пятой передачи и заднего хода | |
| 38 | 31029-1702054 | Головка штока включения первой, второй, пятой передач и заднего хода | |
| 39 | 31029-1702080 | Плунжер стопорный штоков | |
| 40 | 31029-1702075 | Палец стопорный штоков | |
| 41 | 296906-П | Заглушка 9 |
Содержащиеся в справочниках-каталогах запасные части и детали не предлагаются к продаже, а носят исключительно информационный характер