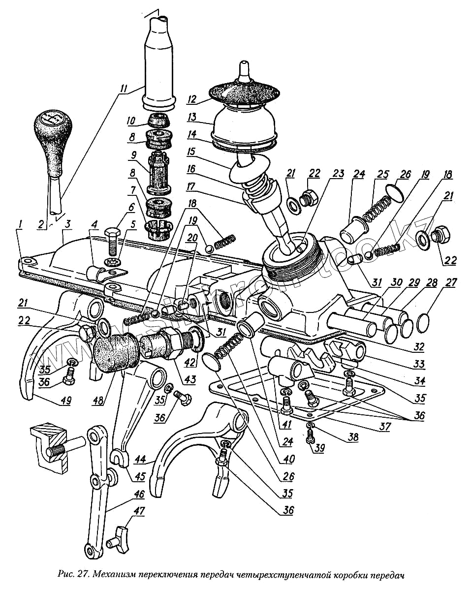
Каталог запасных частей к технике: ГАЗ-31029. Механизм переключения передач четырехступенчатой коробки передач
1
2
3
4
5
6
7
8
8
9
10
11
12
13
14
15
16
17
18
18
19
19
20
21
21
21
22
22
22
23
24
24
25
26
26
27
28
29
30
31
31
32
33
34
35
35
35
35
36
36
36
36
37
38
39
40
41
42
43
44
45
46
47
48
49
| Позиция на иллюстрации | Заводской номер детали | Название детали | |
|---|---|---|---|
| 1 | 24-1702014 | Прокладка механизма переключения передач | |
| 2 | 3102-1702159 | Рукоятка рычага переключения передач | |
| 3 | 24-1702015-01 | Крышка коробки передач | |
| 4 | 24-3724093 | Скоба | |
| 5 | 252175-П29 | Шайба 8 | |
| 6 | 201458-П29 | Болт М8-6gх25 ОСТ 37.001.123-96 | |
| 7 | 24-1702150 | Втулка запорная | |
| 8 | 24-1702148 | Подушка рычага | |
| 9 | 24-1702146 | Втулка распорная | |
| 10 | 24-1702144-01 | Конус упорный рычага | |
| 11 | 24-1702142 | Верхняя часть рычага переключения передач | |
| 12 | 24-1702128 | Уплотнитель верхней крышки | |
| 13 | 24-1702126 | Колпак корпуса рычага | |
| 14 | 11-7207 | Прокладка колпака | |
| 15 | 24-1702124 | Седло пружины рычага переключения передач | |
| 16 | 24-1702122 | Пружина рычага переключения передач | |
| 17 | 24-1702140 | Рычаг переключения передач - нижняя часть | |
| 18 | 24-1702106 | Пружина фиксатора передач | |
| 19 | Б7,938-40 | Шарик | |
| 20 | 24-1702075 | Стопорный палец штока включения третьей и четвертой передач | |
| 21 | 51-3506013 | Прокладка | |
| 22 | 24-3546030 | Пробка М12х1,25х10 | |
| 23 | 295033-П | Штифт 6х14 установочный | |
| 24 | 52-1702097 | Предохранитель включений первой и второй передач и заднего хода | |
| 25 | 24-1702100 | Пружина предохранителя первой и второй передач | |
| 26 | 260307-П | Заглушка 20 | |
| 27 | 260305-П | Заглушка 16 ОСТ 37.001.173-82 | |
| 28 | 24-1702040-11 | Шток включения первой и второй передач | |
| 29 | 24-1702041-11 | Шток включения третьей и четвертой передач | |
| 30 | 24-1702042-10 | Шток включения заднего хода | |
| 31 | 24-1702080 | Плунжер стопорный штоков включения передач | |
| 32 | 24-1702134 | Прокладка поддона | |
| 33 | 24-1702054-10 | Головка штока включения первой и второй передач | |
| 34 | 24-1702052-11 | Головка штока включения третьей и четвертой передач | |
| 35 | 252134-П2 | Шайба 6Т ОСТ 37.001.115-75 | |
| 36 | 290517-П8 | Болт М6-6gх20 | |
| 37 | 24-1702133-10 | Поддон крышки | |
| 38 | 252154-П2 | Шайба 6Л ОСТ 37.001.115-75 | |
| 39 | 224624-П8 | Винт М6-6gх14 | |
| 40 | 24-1702098 | Пружина предохранителя включения заднего хода | |
| 41 | 24-1702095-10 | Головка штока включения заднего хода | |
| 42 | 21П-3716078-Б | Прокладка выключателя света заднего хода | |
| 43 | ВК418А-3716000 | Выключатель света фонаря заднего хода ВК418А | |
| 44 | 24-1702024-10 | Вилка включения первой и второй передач | |
| 45 | 24-1702092-10 | Вилка включения заднего хода | |
| 46 | 24-1702102 | Рычаг включения заднего хода в сборе | |
| 47 | 24-1702104 | Сухарь рычага включения заднего хода | |
| 48 | 21П-3716083 | Чехол защитный | |
| 49 | 24-1702030-10 | Вилка включения третьей и четвертой передач |
Содержащиеся в справочниках-каталогах запасные части и детали не предлагаются к продаже, а носят исключительно информационный характер