Вернуться на главную
Поиск
Каталоги запчастей к технике
Легковые автомобили
ГАЗ
ГАЗ-2705 (ГАЗель)
Трубопроводы отопителей, электронасос
Каталог запасных частей к технике: ГАЗ-2705 (ГАЗель). Трубопроводы отопителей, электронасос
zoom-in
zoom-out
enlarge
shrink
circle-right
circle-left
file-text2
info
cart
Тип техники
Не выбрано
Легковые автомобили
Грузовые автомобили и прицепы
Автобусы
Сельхозтехника
Спецтехника
Двигатели
Мототехника
Марка
Не выбрано
BYD
Chevrolet
Daewoo
Geely
Great Wall
Hyundai
Lifan
Tata
АЗЛК
ВАЗ
ГАЗ
ЗАЗ
ЗИЛ
ИЖ
ЛуАЗ
РАФ
УАЗ
Модель
Не выбрано
АКП Волга Сайбер (2009)
ГАЗ-12 (ЗИМ)
ГАЗ-14 (Чайка) (1980)
ГАЗ-21
ГАЗ-21 (каталог 69 г.) (1969)
ГАЗ-2217 (доп. с дв. Chr Е 3) (2009)
ГАЗ-2217 (доп. с дв. ЗМЗ Е 3) (2009)
ГАЗ-2217 (Соболь) (1999)
ГАЗ-24
ГАЗ-24-10 (1995)
ГАЗ-2705 (Cummins E-4) (2015)
ГАЗ-2705 (ГАЗель) (2000)
ГАЗ-2705 (дв. ЗМЗ-402) (2006)
ГАЗ-2705 (дв. ЗМЗ-406) (2006)
ГАЗ-2705 (дв. УМЗ-4215) (2006)
ГАЗ-2705 (доп. с дв. Chr Е-3) (2009)
ГАЗ-2705 (доп. с дв. ЗМЗ Е-3) (2009)
ГАЗ-2705, 3221 (куз. детали) (2006)
ГАЗ-2752 (доп. с дв. Chr Е 3) (2009)
ГАЗ-2752 (доп. с дв. ЗМЗ Е 3) (2009)
ГАЗ-3102 (2000)
ГАЗ-3102, 3110 (дополнение) (2009)
ГАЗ-31029
ГАЗ-3105 (1996)
ГАЗ-3110
ГАЗ-31105
ГАЗ-31105 (дополнение) (2005)
ГАЗ-3111 (2004)
ГАЗ-3221 (1999)
ГАЗ-3221 (2006) (2006)
ГАЗ-3221 (доп. с дв. Chr Е-3) (2009)
ГАЗ-3221 (Уст. АБС 8.1) (2008)
ГАЗ-3302 (2004) (2004)
ГАЗ-3302 (Cummins E-4) (2015)
ГАЗ-3302 (ГАЗель)
ГАЗ-3302 (доп. с дв. Chr Е 3) (2009)
ГАЗ-3302 (доп. с дв. ЗМЗ Е 3) (2009)
ГАЗ-3302 (Кузовные дет.) (2011)
ГАЗ-3302 (с двиг. УМЗ) (2015)
ГАЗ-3302, 2705 (доп. для ГБО) (2015)
ГАЗ-33027 (Дополнение)
ГАЗ-69 (1957)
ГАЗель 4x4 (Дополнение) (2012)
ГАЗель 4х4 (2001) (2009)
ГАЗЕЛЬ NEXT A65R32-40 (2021)
ГАЗель NEXT Citiline A64R42 (2021)
ГАЗель, Соболь (2003) (2003)
ГАЗель-Бизнес 2705-393 (2015)
ГУР 3110 и 3102 (2000)
Кузов ГАЗ 31029
М20 Победа
Облицовка ГАЗ-31105, 3102 (2009)
Установка климатическая (2009)
Схема
>
Не выбрано
Крепление кузова, крышки люка боковины и средней панели пола, фартуки боковины
Обивка кабины, коврики пола, крышка люка пола и уплотнитель под рычаг КП
Обивка пассажирского салона
Коврик пола салона, настил подножки боковой двери, стол
Настил пола, усилители настила, рейки боковины
Стекло ветрового окна, стеклоочиститель, реле стеклоочистителя, омыватель электрический
Панель приборов
Обивка грузового отсека, кожух и облицовка кожуха воздухоотвода боковины
Окна боковины, стекла окон, замок подвижного стекла, обивка боковой и задних дверей, поручни
Окна боковины, поворотное стекло малого окна, шторы
Люк крыши, плафоны пассажирского салона
Дверь передняя, навеска дверей, обивка, поручень, ящик аптечки, кант проема передних дверей
Замок и ручки передних дверей
Стекло неподвижное передних дверей, стекло опускное, уплотнители стекол, механизм стеклоподъемника
Двери задка, навеска дверей, обивка, поручень, стекла, кант проема дверей задка
Замок, стопоры и ручки дверей задка
Дверь боковая, обивка, стекло, кант проема боковой двери
Замки и ручки боковой двери
Навеска боковой двери
Сиденье водителя, подголовник, ручка шарнира сиденья
Механизм регулирования сиденья водителя
Сиденье двухместное, подголовники сидений
Установка сидений автобуса ГАЗ-3221
Сиденье водителя и переднее сиденье автобуса ГАЗ-3221
Одноместные сиденья №1 и № 2 переднего ряда салона автобуса ГАЗ-3221
Одноместные сиденья № 3 и № 4 второго ряда салона и трехместное сиденье автобуса ГАЗ-3221
Установка сидений автобуса ГАЗ-32213
Установка сидений автобуса-такси ГАЗ-322132
Перегородка кузова, стекло перегородки
Обивка перегородки автобуса ГАЗ-3221
Панели перегородки, громкоговорители, шторы перегородки автобуса ГАЗ-3221
Отопитель, патрубки обогрева ветрового стекла, воздуховод и патрубки вентиляции кабины, шланги и патрубки обогрева боковых стекол
Корпус и верхняя крышка отопителя, радиатор отопителя, электродвигатель с роторами, привод вентиляции и отопления
Кожух и крышка отопителя с вставками, корпус и крышка корпуса вентилятора, заслонки отопителя
Управление вентиляцией и отоплением, переключатель освещения
Короб воздухозаборника и трубопроводы отопителя
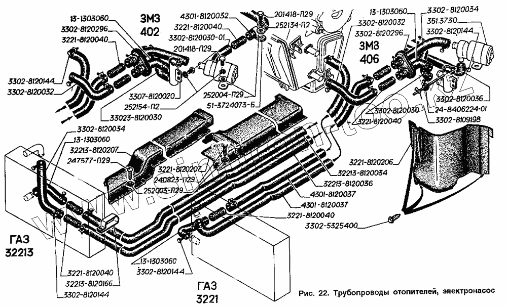
Трубопроводы отопителей, электронасос
Отопитель задний автобуса ГАЗ-3221
Отопитель задний автобуса ГАЗ-32213
Зеркало заднего вида, стойка зеркала с опорой, кожух опоры
Ремни безопасности, поручень, козырьки противосолнечные с кронштейнами
Установка ремней безопасности на автобусе ГАЗ-3221
Облицовка радиатора, крылья передние, оперение
Капот с арматурой, замок капота и его привод, уплотнитель и петли капота
Подвеска двигателей
Блок и головка цилиндров, датчик синхронизации системы зажигания двигателей ЗМЗ-4061.10, ЗМЗ-4063.10
Блок и головка цилиндров, датчик давления масла и датчик перегрева охлаждающей жидкости двигателей ЗМЗ-4025.10, ЗМЗ-4026.10
Вал коленчатый, поршни и шатуны двигателей ЗМЗ-4061.10, ЗМЗ-4063.10
Вал коленчатый, поршни и шатуны двигателей ЗМЗ-4025.10, ЗМЗ-4026.10
Валы распределительные и цепной привод распредвалов двигателей ЗМЗ-4061.10, ЗМЗ-4063.10
Клапаны и толкатели клапанов, крышка клапанов, крышка маслоналивного патрубка, катушки зажигания, провода и свечи двигателей ЗМЗ-4061.10, ЗМЗ-4063.10
Вал распределительный, ось коромысел, клапаны и толкатели клапанов, крышка коромысел двигателей ЗМЗ-4025.10, ЗМЗ-4026.10
Газопровод двигателей ЗМЗ-4061.10, ЗМЗ-4063.10
Газопровод двигателей ЗМЗ-4025.10, ЗМЗ-4026.10
Картер масляный, указатель уровня масла, насос масляный и его привод, фильтр очистки масла, датчики указателя давления и аварийного давления масла двигателей ЗМЗ-4061.10, ЗМЗ-4063.10
Картер масляный, указатель уровня масла, насос масляный, крышка маслоналивного патрубка двигателей ЗМЗ-4025.10, ЗМЗ-4026.10
Карбюратор, фильтр воздушный, электромагнитный клапан, клапан рециркуляции с термовакуумным выключателем, вентиляция картера двигателей ЗМЗ-4061.10, ЗМЗ-4063.10
Карбюратор, фильтр воздушный, электромагнитный клапан, клапан рециркуляции с термовакуумным выключателем, вентиляция картера двигателей ЗМЗ-4025.10, ЗМЗ-4026.10
Привод распределителя зажигания и масляного насоса, фильтр очистки масла сдатчиком аварийного давления масла двигателей ЗМЗ-4025.10, ЗМЗ-4026.10
Бак топливный, крепление топливного бака, пробка бака
Насос топливный, фильтр тонкой очистки, отстойник бензиновый и трубопроводы топливные двигателей ЗМЗ-4061.10, ЗМЗ-4063.10
Насос топливный, фильтр тонкой очистки, отстойник бензиновый и трубопроводы топливные двигателей ЗМЗ-4025.10, ЗМЗ-4026.10
Привод дроссельных и воздушной заслонок карбюратора
Фильтры топливные, отстойник бензиновый и фильтр тонкой очистки
Глушитель, резонатор, трубы и подвеска глушителя двигателей ЗМЗ-4061.10, ЗМЗ-4063.10
Глушитель, резонатор, трубы и подвеска глушителя двигателей ЗМЗ-4025.10, ЗМЗ-4026.10
Радиатор, подвеска радиатора, трубопроводы и шланги
Вентилятор, насос водяной, привод вентилятора и водяного насоса, термостат, датчик указателя температуры и перегрева охлаждающей жидкости, датчик температурного состояния двигателей ЗМЗ-4061.10, ЗМЗ-4063.10
Вентилятор, насос водяной, приводы вентилятора и водяного насоса, термостат, датчик указателя температуры охлаждающей жидкости двигателей ЗМЗ-4025.10, ЗМЗ-4026.10
Бачок расширительный и его крепление, пробка расширительного бачка
Сцепление, датчик диагностический системы зажигания двигателей ЗМЗ-4061.10, ЗМЗ-4063.10
Сцепление двигателей ЗМЗ-4025.10, ЗМЗ-4026.10 1 -с периферийным расположением пружин, 2-с диафрагме иной пружиной
Цилиндр главный и рабочий привода выключения сцепления, усилитель вакуумный с главным цилиндром тормозов, кронштейн с педалями
Педали сцепления и тормоза, выключатель сигнала торможения
Детали главного и рабочего цилиндров привода выключения сцепления
Коробка передач с рычагом переключения передач
Валы и шестерни коробки передач
Картеры передний и задний, валы в сборе, механизм переключения коробки передач, выключатель света заднего хода
Передача карданная трансмиссии
Мост задний, картер моста, полуоси
Редуктор моста, картер редуктора, шестерни главной передачи, дифференциал
Рама, поперечины крепления двигателя, брызговик двигателя
Буфер передний, переднее буксирное устройство
Буфер задний, световозвращатель и противотуманный фонарь
Рессора передняя, крепление передних рессор
Рессора передняя многолистовая, крепление передних многолистовых рессор
Амортизатор подвески, крепление передних амортизаторов
Рессора задняя с дополнительным листом, крепление задних рессор и амортизаторов
Рессора задняя многолистовая, рессора дополнительная, крепление задних многолистовых рессор
Амортизатор подвески, крепление амортизаторов
Рессора задняя, крепление задних рессор
Балка передней оси, поворотные кулаки, тяги рулевые, сошка руля
Колеса, шины, крепление запасного колеса на автомобиле
Ступица переднего колеса, тормозной диск, шит и скоба дискового тормоза, ось передняя
Ступица заднего колеса с барабаном, тормоз колодочный задний
Механизм рулевого управления в сборе, вал карданный и крестовины карданного вала рулевого управления
Механизм рулевого управления
Управление рулевое, выключатель зажигания, переключатель стеклоочистителя и стеклоомывателя, переключатель указателей поворота, ближнего и дальнего света
Скоба передних дисковых тормозов
Колесный цилиндр, щит и колодки заднего тормоза, разжимной механизм колодок
Детали главного цилиндра тормозов, бачок главного цилиндра, датчик аварийного уровня тормозной жидкости
Трубопроводы тормозной системы, регулятор давления тормозов с приводом
Тормоз стояночный и его привод
Усилитель вакуумный тормозов и обратный клапан
Генератор двигателей ЗМЗ-4061.10, ЗМЗ-4063.10
Генератор двигателей ЗМЗ-4025.10, ЗМЗ-4026.10
Батарея аккумуляторная, крепление батареи и проводов
Батарея аккумуляторная необслуживаемая, крепление батареи
Катушка зажигания, датчик-распределитель, провода и свечи двигателей ЗМЗ-4025.10, ЗМЗ-4026.10
Стартер двигателя
Фары, указатели поворота, блок плафонов кабины, фонарь освещения под капотом, лампа переносная
Фонари задние, плафоны грузового отсека
Электропровода
Установка электропроводов
Жгуты проводов с блоками предохранителей
Приборы электрооборудования автомобилей с двигателями ЗМЗ-4061.10, ЗМЗ-4063.10
Приборы электрооборудования автомобилей с двигателями ЗМЗ-4025.10, ЗМЗ-4026.10
Панель с приборами, выключатели освещения и переключатель отопителя
Панель с приборами, комбинация приборов
Инструмент и принадлежности
3302-5325400
3302-8120030
3302-8120032
3302-8120032
4301-8120032
13-1303060
13-1303060
13-1303060
13-1303060
3221-8120040
3221-8120040
3221-8120040
3221-8120040
3221-8120040
247577-П29
351.3730
33023-8120030
24-8406224-01
4301-8120296
3302-8120296
3302-8109198
252003-П29
252154-П29
252004-П29
201418-П29
201418-П29
3302-8120144
3302-8120144
3302-8120144
3302-8120144
3221-8120206
3221-8120207
32213-8120207
3307-8120020
51-3724073-Б
32213-8120166
240823-П29
252134-П2
4301-8120037
4301-8120037
32213-8120036
32213-8120034
3302-8120034
3302-8120034
3302-8120030-01
3302-8120036
Позиция на иллюстрации
Заводской номер детали
Название детали
3302-5325400
3302-5325400
Винт самонарезающий для металла и пластмассы
3302-8120030
3302-8120030
Шланг подводящий к крану (с двигателем семейства ЗМЗ-406)
3302-8120032
3302-8120032
Шланг подводящий к переднему отопителю
4301-8120032
4301-8120032
Шланг
13-1303060
13-1303060
Шланг угловой
3221-8120040
3221-8120040
Штуцер
3221-8120040
3221-8120040
Штуцер
247577-П29
247577-П29
Шуруп 5х25
351.3730
351.3730
Электронасос (351.3730010)
33023-8120030
33023-8120030
Шланг подводящий к крану (с двигателем семейства ЗМЗ-402)
24-8406224-01
24-8406224-01
Втулка оболочки тяги привода замка капота
4301-8120296
4301-8120296
Втулка
3302-8120296
3302-8120296
Втулка уплотнительная
3302-8109198
3302-8109198
Зажим оболочки
252003-П29
252003-П29
Шайба 5 ОСТ 37.001.144-96
252154-П29
252154-П29
Шайба 6Л ОСТ 37.001.115-75
252004-П29
252004-П29
Шайба 6 ОСТ 37.001.144-96
201418-П29
201418-П29
Болт М6-6gх16 ОСТ 37.001.123-96
3302-8120144
3302-8120144
Хомут стяжной с болтами в сборе
24-2801203
24-2801203
Заглушка
3221-8120206
3221-8120206
Кожух защитный шлангов
3221-8120207
3221-8120207
Кожух защитный шлангов нижний
32213-8120207
32213-8120207
Кожух шлангов заднего отопителя
3307-8120020
3307-8120020
Кран отопителя в сборе
3221-2800010
3221-2800010
Рама
51-3724073-Б
51-3724073-Б
Скоба крепления проводов
32213-8120166
32213-8120166
Скоба крепления шлангов
240823-П29
240823-П29
Винт 4х30
252134-П2
252134-П2
Шайба 6Т ОСТ 37.001.115-75
4301-8120037
4301-8120037
Шланг заднего отопителя
32213-8120036
32213-8120036
Шланг заднего отопителя отводящий
32213-8120034
32213-8120034
Шланг заднего отопителя подводящий
3302-8120034
3302-8120034
Шланг отводящий
3302-8120030-01
3302-8120030-01
Шланг отводящий электронасоса (с двигателем семейства ЗМЗ-402)
3302-8120036
3302-8120036
Шланг отводящий электронасоса (с двигателем семейства ЗМЗ-406)
Содержащиеся в справочниках-каталогах запасные части и детали не предлагаются к продаже, а носят исключительно информационный характер
Дополнительная информация
×
Название:
Номер:
Примечание: