Вернуться на главную
Поиск
Каталоги запчастей к технике
Легковые автомобили
ГАЗ
ГАЗ-2705 (дв. ЗМЗ-402)
Навеска боковой двери
Каталог запасных частей к технике: ГАЗ-2705 (дв. ЗМЗ-402). Навеска боковой двери
zoom-in
zoom-out
enlarge
shrink
circle-right
circle-left
file-text2
info
cart
Тип техники
Не выбрано
Легковые автомобили
Грузовые автомобили и прицепы
Автобусы
Сельхозтехника
Спецтехника
Двигатели
Мототехника
Марка
Не выбрано
BYD
Chevrolet
Daewoo
Geely
Great Wall
Hyundai
Lifan
Tata
АЗЛК
ВАЗ
ГАЗ
ЗАЗ
ЗИЛ
ИЖ
ЛуАЗ
РАФ
УАЗ
Модель
Не выбрано
АКП Волга Сайбер (2009)
ГАЗ-12 (ЗИМ)
ГАЗ-14 (Чайка) (1980)
ГАЗ-21
ГАЗ-21 (каталог 69 г.) (1969)
ГАЗ-2217 (доп. с дв. Chr Е 3) (2009)
ГАЗ-2217 (доп. с дв. ЗМЗ Е 3) (2009)
ГАЗ-2217 (Соболь) (1999)
ГАЗ-24
ГАЗ-24-10 (1995)
ГАЗ-2705 (Cummins E-4) (2015)
ГАЗ-2705 (ГАЗель) (2000)
ГАЗ-2705 (дв. ЗМЗ-402) (2006)
ГАЗ-2705 (дв. ЗМЗ-406) (2006)
ГАЗ-2705 (дв. УМЗ-4215) (2006)
ГАЗ-2705 (доп. с дв. Chr Е-3) (2009)
ГАЗ-2705 (доп. с дв. ЗМЗ Е-3) (2009)
ГАЗ-2705, 3221 (куз. детали) (2006)
ГАЗ-2752 (доп. с дв. Chr Е 3) (2009)
ГАЗ-2752 (доп. с дв. ЗМЗ Е 3) (2009)
ГАЗ-3102 (2000)
ГАЗ-3102, 3110 (дополнение) (2009)
ГАЗ-31029
ГАЗ-3105 (1996)
ГАЗ-3110
ГАЗ-31105
ГАЗ-31105 (дополнение) (2005)
ГАЗ-3111 (2004)
ГАЗ-3221 (1999)
ГАЗ-3221 (2006) (2006)
ГАЗ-3221 (доп. с дв. Chr Е-3) (2009)
ГАЗ-3221 (Уст. АБС 8.1) (2008)
ГАЗ-3302 (2004) (2004)
ГАЗ-3302 (Cummins E-4) (2015)
ГАЗ-3302 (ГАЗель)
ГАЗ-3302 (доп. с дв. Chr Е 3) (2009)
ГАЗ-3302 (доп. с дв. ЗМЗ Е 3) (2009)
ГАЗ-3302 (Кузовные дет.) (2011)
ГАЗ-3302 (с двиг. УМЗ) (2015)
ГАЗ-3302, 2705 (доп. для ГБО) (2015)
ГАЗ-33027 (Дополнение)
ГАЗ-69 (1957)
ГАЗель 4x4 (Дополнение) (2012)
ГАЗель 4х4 (2001) (2009)
ГАЗЕЛЬ NEXT A65R32-40 (2021)
ГАЗель NEXT Citiline A64R42 (2021)
ГАЗель, Соболь (2003) (2003)
ГАЗель-Бизнес 2705-393 (2015)
ГУР 3110 и 3102 (2000)
Кузов ГАЗ 31029
М20 Победа
Облицовка ГАЗ-31105, 3102 (2009)
Установка климатическая (2009)
Схема
>
Не выбрано
Крепление кузова, крышки люков боковины и средней панели пола, фартуки боковины (для автомобилей выпуска до 2003 года)
Крепление кузова, крышки люков боковины и средней панели пола, фартуки боковины (для автомобилей выпуска с 2003 года)
Каркас с полом передний, надставка среднего пола, пол задний
Лонжероны пола кабины: I-для автомобилей выпуска до 2003 года, II-для автомобилей выпуска с 2003 года
Обивка кабины, коврики пола, крышка люка пола и уплотнитель под рычаг коробки передач
Лонжероны фургона
Стекло ветрового окна, стеклоочиститель, реле стеклоочистителя, омыватель электрический, облицовка наружной панели передка нижняя
Панель приборов (для автомобилей выпуска до 2003 года)
Панель приборов, комбинация приборов (для автомобилей выпуска с 2003 года)
Каркас передка, каркас левой и правой боковины
Обивка грузового отсека, кожух и облицовка кожуха воздухоотвода боковины
Обивка передней стойки боковины верхняя правая в сборе, вставка панели боковины, усилитель рейки крыши правый
Панели боковин, стойки боковин
Стойки боковин, стойки проема двери, надставки внутренней панели боковин, надставки боковин
Панель крыши передняя, усилитель крыши, рейка крыши задняя, поперечина задка верхняя и нижняя
Дверь, навеска дверей, обивка, поручень, ящик аптечки, кант проема передних дверей
Стекло неподвижное передних дверей, стекло опускное, уплотнители стекол, механизм стеклоподъемника
Замок и ручки дверей кабины (для автомобилей выпуска до февраля 2000 года)
Замок и ручки передних дверей (для автомобилей выпуска с февраля 2000 года до февраля 2004 года)
Замок и ручки передних дверей (для автомобилей выпуска с февраля 2004 года)
Двери задка, навеска дверей, обивка, поручень, стекла, кант проема дверей задка
Замок, стопоры и ручки дверей задка
Дверь боковая, обивка, кант поема боковой двери
Замки и ручки боковой двери
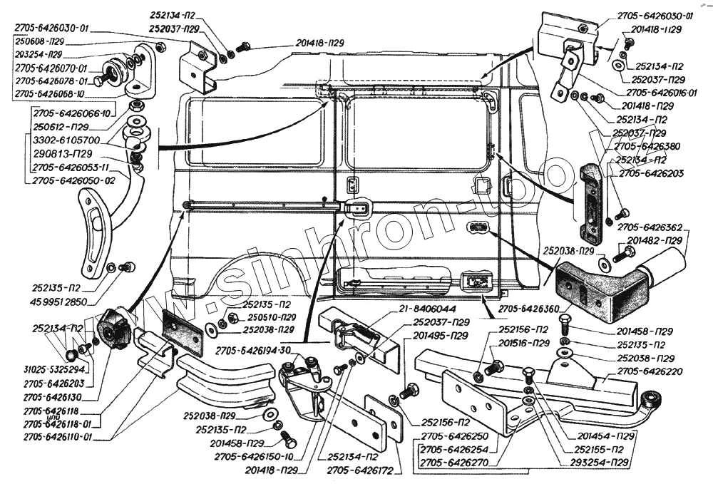
Навеска боковой двери
Сиденье водителя
Механизм регулирования сиденья водителя
Двухместное сиденье кабины
Перегородка кузова
Отопитель, патрубки обогрева ветрового стекла, воздуховод и патрубки вентиляции кабины шланги и патрубки обогрева боковых стекол (для автомобилей выпуска до 2003 года)
Корпус и верхняя крышка отопителя, радиатор отопителя, электродвигатель с роторами, привод вентиляции и отопления (для автомобилей до 2003 года)
Короб воздухозаборника и трубопроводы отопителя (для автомобилей выпуска с 1998 года до 2003 года)
Кожух и крышка отопителя со вставками, корпус и крышка корпуса вентилятора, заслонки отопителя (для автомобилей выпуска до 2003 года)
Управление вентиляцией и отоплением (для автомобилей выпуска до 2003 года)
Установка отопителя (для автомобилей выпуска с 2003 года)
Отопитель (для автомобилей выпуска с 2003 года)
Детали корпуса отопителя (для автомобилей выпуска с 2003 года)
Трубопроводы отопителя (для автомобилей выпуска с 2003 года): I-для автомобилей с двигателем ЗМЗ-406, II-для автомобилей с двигателями ЗМЗ-402 и УМЗ-4215
Зеркало заднего вида, стойка зеркала с опорой, кожух опоры
Ремни безопасности, поручень, козырьки противосолнечные с кронштейнами
Обшивка радиатора, крылья передние, оперение (для автомобилей выпуска до 2003 года)
Облицовка радиатора, оперение, крылья (для автомобилей выпуска с 2003 года)
Капот с арматурой, замок капота и его привод, уплотнитель и петли капота
Подножка правая, подножка левая, подножка боковая, усилитель подножки (для автомобилей выпуска до 2003 года)
Подвеска двигателя
Блок и головка цилиндров, датчик синхронизации системы зажигания двигателей ЗМЗ-406
Блок и головка цилиндров, датчик масла и датчик перегрева охлаждающей жидкости двигателей ЗМЗ-402
Вал коленчатый, поршни и шатуны двигателя ЗМЗ-406
Вал коленчатый, поршни и шатуны двигателей ЗМЗ-402
Валы распределительные и цепной привод распредвалов двигателей ЗМЗ-406
Клапаны и толкатели клапанов, крышка клапанов, крышка маслоналивного патрубка, катушки зажигания, провода и свечи двигателей ЗМЗ-406
Вал распределительный, ось коромысел, клапаны и толкатели клапанов, крышка коромысел двигателей ЗМЗ-402
Газопровод двигателей ЗМЗ-406
Газопровод двигателей ЗМЗ-402
Насос масляный и его привод, фильтр очистки масла, картер, указатель уровня масла, датчики давления и аварийного давления масла двигателей ЗМЗ-406
Картер масляный, указатель уровня масла, насос масляный, крышка маслоналивного патрубка двигателей ЗМЗ-402
Радиатор масляный, клапан радиатора (для автомобилей с двигателем УМЗ-4215)
Привод распределителя зажигания и масляного насоса, фильтр тонкой очистки масла с датчиком аварийного давления масла двигателей ЗМЗ-402
Карбюратор, фильтр воздушный, электромагнитный клапан, клапан рециркуляции с термовакуумным выключателем, вентиляция картера двигателей ЗМЗ-406
Карбюратор, фильтр воздушный, электромагнитный клапан, клапан рециркуляции с термовакуумным выключателем, вентиляция картера двигателей ЗМЗ-402
Бак топливный, крепление топливного бака, пробка бака
Трубопроводы топливные: I- для автомобилей с двигателями ЗМЗ-406, II- для автомобилей с двигателями ЗмЗ-402 и УМЗ-4215
Фильтр грубой очистки топлива, бензонасос: I- для двигателей ЗМЗ-406, II- для двигателей ЗМЗ-402
Привод дроссельных и воздушных заслонок карбюратора: I- для автомобилей выпуска до 2003года, II- для автомобилей выпуска с 2003года
Глушитель, резонатор, трубы и подвеска глушителя двигателей ЗМЗ-406 (для автомобилей выпуска до августа 2003года)
Глушитель, резонатор, трубы и подвеска глушителя двигателей ЗМЗ-406 (для автомобилей выпуска с августа 2003года)
Глушитель, резонатор, трубы и подвеска глушителя двигателей ЗМЗ-402
Глушитель, трубы и подвеска глушителя двигателя УМЗ-4215
Радиатор, подвеска радиатора, трубопроводы и шланги (для автомобилей выпуска до 1998 года): I- для двигателя ЗМЗ-402, II- для двигателя ЗМЗ-406
Радиатор системы охлаждения, кожух вентилятора (для автомобилей выпуска с 1998 года по октябрь 2002года): I- для двигателя ЗМЗ-406, II- для двигателей ЗМЗ-402 и УМЗ-4215
Радиатор двигателей ЗМЗ-406 (для автомобилей выпуска с октября 2002 года): I-с электровентилятором, II-с механическим приводом
Радиатор двигателей ЗМЗ-402 и УМЗ-4215 (для автомобилей выпуска с октября 2002 года)
Вентилятор, насос водяной, привод вентилятора и водяного насоса, термостат, датчики указателя температуры и перегрева охлаждающей жидкости, датчик температурного состояния двигателей ЗМЗ-406
Вентилятор, насос водяной, приводы вентилятора и водяного насоса, термостат, датчик указателя температуры охлаждающей жидкости двигателей ЗМЗ-402
Расширительный бачок системы охлаждения, пробка расширительного бачка (для автомобилей выпуска до 2003 года): I-автомобили с двигателем ЗМЗ-406, II-автомобили с двигателями ЗМЗ-402 УМЗ-4215
Расширительный бачок (для автомобилей выпуска с 2003 года): I-автомобили с двигателем ЗМЗ-406, II-автомобили с двигателями ЗМЗ-402 УМЗ-4215
Сцепление двигателей ЗМЗ-406
Сцепление двигателей ЗМЗ-402
Педали сцепления и тормоза, выключатель сигнала торможения
Детали главного и рабочего цилиндров привода включения сцепления: I-для цилиндра 4301-1602290, II-для цилиндра 3302-1602290
Коробка передач, рычаг переключения передач
Валы и шестерни коробки передач (для автомобилей выпуска до 2004года)
Валы и шестерни коробки передач (для автомобилей выпуска с 2004 года)
Синхронизатор 1-й и 2-й передач, вилка выключения 1-й и 2-й, 3-й и 4-й передач в коробке передач (для автомобилей выпуска с 2004 года)
Картеры передний и задний, валы в сборе, механизм переключения коробки передач, выключатель света заднего хода: I-для автомобилей выпуска до 2004 года, II-для автомобилей выпуска с 2004 года
Передача карданная трансмиссии (для автомобилей выпуска до апреля 2002 года)
Передача карданная трансмиссии (для автомобилей выпуска с апреля 2002 года)
Мост задний, картер моста, полуоси
Редуктор моста, картер редуктора, шестерни главной передачи, дифференциал (для автомобилей с двигателями ЗМЗ-405 и ЗМЗ-402)
Редуктор моста, картер редуктора, шестерни главной передачи, дифференциал (для автомобилей с двигателями УМЗ-4215)
Рама, поперечины крепления двигателя, брызговик двигателя
Буфер передний, переднее буксирное устройство (для автомобилей выпуска до 2003 года)
Буфер передний, переднее буксирное устройство (для автомобилей выпуска с 2003 года)
Буфер задний и световозвращатель
Рессора передняя многолистовая, крепление передних многолистовых рессор (для автомобилей выпуска до апреля 2002 года)
Рессора передняя многолистовая, крепление передних многолистовых рессор (для автомобилей выпуска с апреля 2002 года)
Амортизатор подвески, крепление передних амортизаторов
Установка задней подвески. Рессора задняя многолистовая с дополнительным листом (для автомобилей выпуска до января 2003 года)
Установка задней подвески. Рессора задняя с подрессорником (для автомобилей выпуска с января 2003 года)
Балка передней оси, поворотные кулаки, тяги рулевые, сошка руля
Ось передняя, ступица переднего колеса, тормозной диск, щит и скоба дискового тормоза
Колеса, шины, крепление запасного колеса на автомобиле
Ступица заднего колеса с барабаном, тормоз колодочный задний
Управление рулевое, выключатель зажигания, переключатель стеклоочистителя и стеклоомывателя, переключатель указателей поворота, ближнего и заднего света: I-без гидроусилителя руля, II-с гидроусилителем руля
Механизм рулевого управления (для автомобилей без гидроусилителя руля)
Механизм рулевого управления с гидроусилителем, вал карданный рулевой колонки, насос гидроусилителя руля (для автомобилей с гидроусилителем руля)
Бачок и шланги гидроусилителя руля (установлен на часть автомобилей): I-для автомобилей выпуска до 2003 года, II-для автомобилей выпуска с 2003 года
Механизм рулевого управления в сборе, вал карданный и крестовины карданного вала рулевого управления (для автомобилей без гидроусилителя руля)
Главный и рабочий цилиндр привода включения сцепления, усилитель вакуумный с главным цилиндром тормозов, кронштейн с педалями
Скоба передних дисковых тормозов
Колесный цилиндр, щит и колодки заднего тормоза, разжимной механизм колодок
Детали главного цилиндра тормозов, бачок главного цилиндра, датчик аварийного уровня тормозной жидкости
Трубопроводы тормозной системы, регулятор давления тормозов с приводом
Тормоз стояночный и его привод
Детали вакуумного усилителя тормозов
Генератор двигателей ЗМЗ-406
Генератор двигателей ЗМЗ-402
Батарея аккумуляторная, крепление батареи и проводов, блок предохранителей
Катушка зажигания, датчик-распределитель, провода и свечи двигателей ЗМЗ-402
Стартер двигателя
Фары, указатели поворота, блок плафонов кабины, подкапотная лампа, звуковой сигнал (для автомобилей выпуска до 2003 года)
Фары, указатели поворота, блок плафонов кабины, подкапотная лампа (для автомобилей выпуска с 2003 года)
Фонари задние, плафоны грузового отсека
Электропровода (моторный отсек и кабина): I-для автомобилей с двигателями ЗМЗ-406, II-для автомобилей с двигателями ЗМЗ-402
Электропровода (грузовой отсек)
Блок управления, электромагнитный клапан ЭПХХ, датчик абсолютного давления и датчик детонации системы управления зажиганием двигателей ЗМЗ-406, реле стартера
Приборы электрооборудования автомобилей с двигателями ЗМЗ-402 и УМЗ-4215
Расположение реле и элементов системы зажигания двигателей ЗМЗ-406: I-для автомобилей с электромагнитной муфтой
Панель с приборами, комбинация приборов, блоки предохранителей (для автомобилей выпуска до 2003 года)
Органы управления на панели приборов, комбинация приборов (для автомобилей выпуска с 2003 года)
Инструмент, домкрат и принадлежности
201458-П29
201458-П29
2705-6426362
2705-6426380
21-8406044
252134-П2
252134-П2
252134-П2
252134-П2
252134-П2
252134-П2
252135-П2
252135-П2
252135-П2
252135-П2
290813-П29
250612-П29
293254-П29
250608-П29
45 9951 2850
252156-П2
252156-П2
2705-6426360
201516-П29
201495-П29
252038-П29
252038-П29
252038-П29
252038-П29
201482-П29
201418-П29
201418-П29
201418-П29
201418-П29
252037-П29
252037-П29
252037-П29
252037-П29
293254-П29
252155-П2
201454-П29
250510-П29
2705-6426118
3302-6105700
2705-6426016-01
2705-6426030-01
2705-6426030-01
2705-6426050-02
2705-6426053-11
2705-6426066-10
2705-6426068-10
2705-6426070-01
2705-6426078-01
2705-6426110-01
31025-5325294
2705-6426118-01
2705-6426130
2705-6426150-10
2705-5426172
2705-6426194-30
2705-6426203
2705-6426203
2705-6426220
2705-6426250
2705-6426254
2705-6426270
Позиция на иллюстрации
Заводской номер детали
Название детали
201458-П29
201458-П29
Болт М8-6gх25 ОСТ 37.001.123-96
2705-6426362
2705-6426362
Упор буфера
2705-6426380
2705-6426380
Ручка открывания двери внутренняя
21-8406044
21-8406044
Пружина щеколды замка капота
252134-П2
252134-П2
Шайба 6Т ОСТ 37.001.115-75
252135-П2
252135-П2
Шайба 8Т ОСТ 37.001.115-75
290813-П29
290813-П29
Болт М10-6gх45
250612-П29
250612-П29
Гайка М10-6Н ОСТ 37.001.124-93
293254-П29
293254-П29
Шайба 8
250608-П29
250608-П29
Гайка М6-6Н ОСТ 37.001.124-93
45 9951 2850
45 9951 2850
Винт М8-6gх16
252156-П2
252156-П2
Шайба 10Л ОСТ 37.001.115-75
2705-6426360
2705-6426360
Буфер открывания боковой двери
201516-П29
201516-П29
Болт М10х1-6gх20
201495-П29
201495-П29
Болт М10-6gх20 ОСТ 37.001.123-96
252038-П29
252038-П29
Шайба 8 ОСТ 37.001.144-96
201482-П29
201482-П29
Болт М8х1-6gх35
201418-П29
201418-П29
Болт М6-6gх16 ОСТ 37.001.123-96
252037-П29
252037-П29
Шайба 6 ОСТ 37.001.144-96
293254-П29
293254-П29
Шайба 8
252155-П2
252155-П2
Шайба 8Л ОСТ 37.001.115-75
201454-П29
201454-П29
Болт М8-6gх16 ОСТ 37.001.123-96
250510-П29
250510-П29
Гайка М8-6Н ОСТ 37.001.124-93
2705-6426118
2705-6426118
Прокладка средней направляющей
3302-6105700
3302-6105700
Шайба 12,4
2705-6426016-01
2705-6426016-01
Опора верхней направляющей
2705-6426030-01
2705-6426030-01
Направляющая верхняя
2705-6426050-02
2705-6426050-02
Опора боковой двери верхняя в сборе
2705-6426053-11
2705-6426053-11
Опора боковой двери верхняя
2705-6426066-10
2705-6426066-10
Каретка верхнего ролика
2705-6426068-10
2705-6426068-10
Каретка
2705-6426070-01
2705-6426070-01
Ролик верхней опоры
2705-6426078-01
2705-6426078-01
Ось верхнего ролика
2705-6426110-01
2705-6426110-01
Средняя направляющая боковой двери
31025-5325294
31025-5325294
Заглушка
2705-6426118-01
2705-6426118-01
Прокладка средней направляющей
2705-6426130
2705-6426130
Заглушка средней направляющей
2705-6426150-10
2705-6426150-10
Механизм открывания двери средней направляющей
2705-5426172
2705-5426172
Пластина крепления звена на двери
2705-6426194-30
2705-6426194-30
Ролик направляющий
2705-6426203
2705-6426203
Винт М6х16
2705-6426220
2705-6426220
Направляющая нижняя с ограничителем
2705-6426250
2705-6426250
Механизм открывания боковой двери
2705-6426254
2705-6426254
Опора механизма на двери
2705-6426270
2705-6426270
Рычаг механизма на двери
Содержащиеся в справочниках-каталогах запасные части и детали не предлагаются к продаже, а носят исключительно информационный характер
Дополнительная информация
×
Название:
Номер:
Примечание: