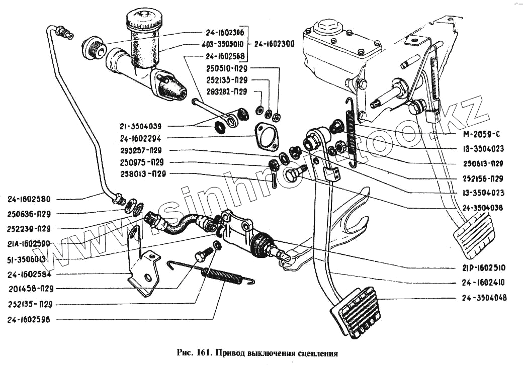
Каталог запасных частей к технике: ГАЗ-24. Привод выключения сцепления
51-3506013
24-1602306
258013-П29
21А-1602590
293282-П29
293257-П29
252239-П29
252156-П29
252135-П29
252135-П29
21Р-1602510
24-1602580
24-1602568
М-2059-С
24-1602596
201458-П29
24-1602294
24-1602410
24-3504038
24-3504048
24-1602584
24-1602300
403-3505010
250975-П29
250636-П29
250613-П29
250510-П29
21-3504039
13-3504023
13-3504023
| Позиция на иллюстрации | Заводской номер детали | Название детали | |
|---|---|---|---|
| 51-3506013 | 51-3506013 | Прокладка | |
| 24-1602306 | 24-1602306 | Штуцер | |
| 258013-П29 | 258013-П29 | Шплинт 2х16 ОСТ 37.001.171-93 | |
| 21А-1602590 | 21А-1602590 | Шланг | |
| 293282-П29 | 293282-П29 | Шайба 8,4 | |
| 293257-П29 | 293257-П29 | Шайба 8 | |
| 252239-П29 | 252239-П29 | Шайба 2-16 ОСТ 37.001.146-75 | |
| 252156-П29 | 252156-П29 | Шайба 10 | |
| 252135-П29 | 252135-П29 | Шайба 8Т | |
| 21Р-1602510 | 21Р-1602510 | Цилиндр в сборе | |
| 24-1602580 | 24-1602580 | Трубка | |
| 24-1602568 | 24-1602568 | Толкатель | |
| М-2059-С | М-2059-С | Пружина оттяжная педали | |
| 24-1602596 | 24-1602596 | Пружина | |
| 201458-П29 | 201458-П29 | Болт М8-6gх25 ОСТ 37.001.123-96 | |
| 24-1602294 | 24-1602294 | Прокладка главного цилиндра выключения сцепления | |
| 24-1602410 | 24-1602410 | Педаль сцепления в сборе | |
| 24-3504038 | 24-3504038 | Ось толкателя педали | |
| 24-3504048 | 24-3504048 | Накладка педалей | |
| 24-1602584 | 24-1602584 | Кронштейн | |
| 24-1602300 | 24-1602300 | Главный цилиндр в сборе | |
| 403-3505010 | 403-3505010 | Главный цилиндр | |
| 250975-П29 | 250975-П29 | Гайка М8х1-6Н ОСТ 37.001.108-93 | |
| 250636-П29 | 250636-П29 | Гайка М16х1,5-6Н ОСТ 37.001.124-93 | |
| 250613-П29 | 250613-П29 | Гайка 10х1-6Н | |
| 250510-П29 | 250510-П29 | Гайка М8-6Н ОСТ 37.001.124-93 | |
| 21-3504039 | 21-3504039 | Втулка оси толкателя | |
| 13-3504023 | 13-3504023 | Втулка оси педали тормоза |
Содержащиеся в справочниках-каталогах запасные части и детали не предлагаются к продаже, а носят исключительно информационный характер