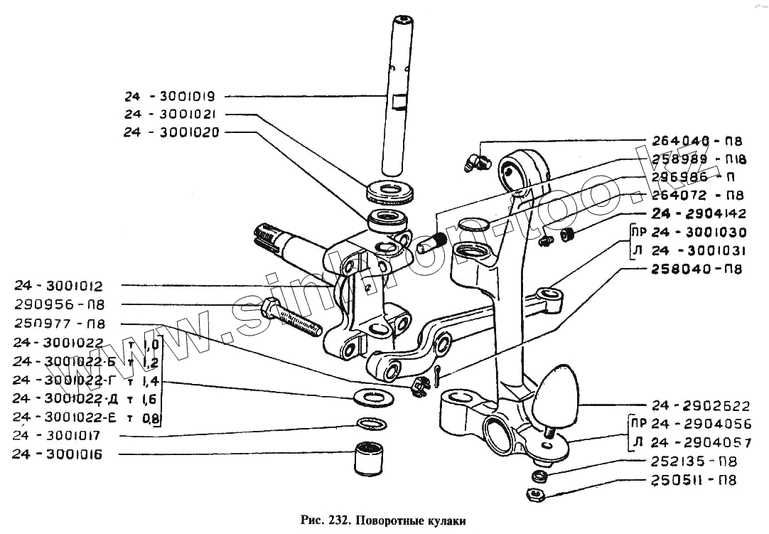
Каталог запасных частей к технике: ГАЗ-24. Поворотные кулаки
264072-П8
258989-П18
258040-П8
24-3001019
24-3001022-Е
24-3001022-Д
24-3001022-Г
24-3001022-Б
24-3001022
252135-П8
24-2904057
24-2904056
24-3001030
24-3001031
290956-П8
264040-П 8
24-3001020
24-3001016
24-3001012
24-3001017
24-2904142
24-3001021
296986-П
250977-П8
250511-П8
24-2902622
| Позиция на иллюстрации | Заводской номер детали | Название детали | |
|---|---|---|---|
| 264072-П8 | 264072-П8 | Пресс-масленка М6х1 коническая | |
| 258989-П18 | 258989-П18 | Штифт | |
| 258040-П8 | 258040-П8 | Шплинт | |
| 24-3001019 | 24-3001019 | Шкворень поворотного кулака | |
| 24-3001022-Е | 24-3001022-Е | Шайба регулировочная | |
| 24-3001022-Д | 24-3001022-Д | Шайба регулировочная | |
| 24-3001022-Г | 24-3001022-Г | Шайба регулировочная | |
| 24-3001022-Б | 24-3001022-Б | Шайба регулировочная | |
| 24-3001022 | 24-3001022 | Шайба регулировочная толщиной 1 мм | |
| 252135-П8 | 252135-П8 | Шайба 8 пружинная | |
| 24-2904057 | 24-2904057 | Стойка передней подвески левая | |
| 24-2904056 | 24-2904056 | Стойка передней подвески правая | |
| 24-3001030 | 24-3001030 | Рычаг рулевой трапеции правый | |
| 24-3001031 | 24-3001031 | Рычаг рулевой трапеции левый | |
| 290956-П8 | 290956-П8 | Болт | |
| 264040-П 8 | 264040-П 8 | Прессмасленка | |
| 24-3001020 | 24-3001020 | Подшипник | |
| 24-3001016 | 24-3001016 | Подшипник | |
| 24-3001006 | 24-3001006 | Кулак поворотный правый в сборе | |
| 24-3001007 | 24-3001007 | Кулак поворотный левый в сборе | |
| 24-3001012 | 24-3001012 | Кулак поворотный | |
| 24-3001017 | 24-3001017 | Кольцо защитное | |
| 24-2904142 | 24-2904142 | Колпачок пресс-масленки | |
| 24-3001021 | 24-3001021 | Колпак защитный подшипника | |
| 296986-П | 296986-П | Заглушка 30 | |
| 250977-П8 | 250977-П8 | Гайка 1М12х1,26 | |
| 250511-П8 | 250511-П8 | Гайка М8х1 | |
| 24-2902622 | 24-2902622 | Буфер |
Содержащиеся в справочниках-каталогах запасные части и детали не предлагаются к продаже, а носят исключительно информационный характер