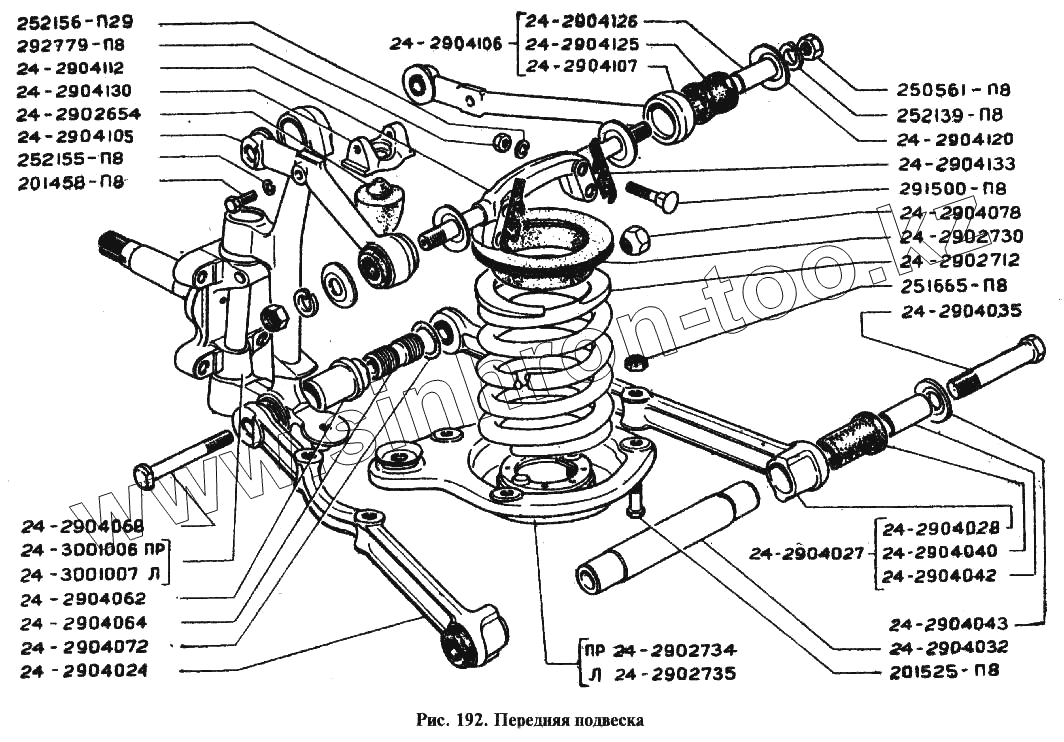
Каталог запасных частей к технике: ГАЗ-24. Передняя подвеска
24-2904027
24-2904068
24-2902730
24-2904133
24-2902712
24-2904107
24-2904106
24-2904105
24-2904028
24-2904035
24-2904024
24-2902735
24-2902734
24-2904043
24-2904120
252139-П8
252155-П8
252156-П29
24-2904078
201525-П8
291500-П8
24-2902654
24-2904040
24-2904042
24-2904062
24-2904064
24-2904125
24-2904126
201458-П8
250561-П8
251665-П8
292779-П8
24-2904072
24-3001007
24-3001006
24-2904130
24-2904032
24-2904112
| Позиция на иллюстрации | Заводской номер детали | Название детали | |
|---|---|---|---|
| 24-2904027 | 24-2904027 | Рычаг нижний задний в сборе | |
| 24-2904068 | 24-2904068 | Палец стойки | |
| 24-2901012 | 24-2901012 | Подвеска в сборе | |
| 24-2902730 | 24-2902730 | Прокладка пружины | |
| 24-2904133 | 24-2904133 | Прокладка регулировочная | |
| 24-2902712 | 24-2902712 | Пружина передней подвески | |
| 24-2904107 | 24-2904107 | Рычаг верхний задний | |
| 24-2904106 | 24-2904106 | Рычаг верхний задний в сборе | |
| 24-2904105 | 24-2904105 | Рычаг верхний передний | |
| 24-2904104 | 24-2904104 | Рычаг верхний передний в сборе | |
| 24-2904028 | 24-2904028 | Рычаг нижний задний | |
| 24-2904035 | 24-2904035 | Палец оси нижних рычагов | |
| 24-2904024 | 24-2904024 | Рычаг нижний передний | |
| 24-2904023 | 24-2904023 | Рычаг нижний передний в сборе | |
| 24-2902735 | 24-2902735 | Чашка пружины левая с усилителями | |
| 24-2902734 | 24-2902734 | Чашка пружины правая в сборе | |
| 24-2904043 | 24-2904043 | Шайба | |
| 24-2904120 | 24-2904120 | Шайба пальца оси верхних рычагов | |
| 252139-П8 | 252139-П8 | Шайба 16 пружинная | |
| 252155-П8 | 252155-П8 | Шайба 8 пружинная | |
| 252156-П29 | 252156-П29 | Шайба 10 | |
| 24-2904078 | 24-2904078 | Гайка пальца стойки | |
| 201525-П8 | 201525-П8 | Болт М10х1-6gх42 | |
| 291500-П8 | 291500-П8 | Болт М10х1-6gх55 | |
| 24-2902654 | 24-2902654 | Буфер верхних рычагов подвески и заднего моста | |
| 24-2904040 | 24-2904040 | Втулка | |
| 24-2904042 | 24-2904042 | Втулка распорная оси нижних рычагов | |
| 24-2904062 | 24-2904062 | Втулка стойки резьбовая | |
| 24-2904064 | 24-2904064 | Втулка распорная резьбовая | |
| 24-2904125 | 24-2904125 | Втулка оси верхних рычагов | |
| 24-2904126 | 24-2904126 | Втулка распорная | |
| 201458-П8 | 201458-П8 | Болт М8х1,25х25 | |
| 250561-П8 | 250561-П8 | Гайка М16х1,5 | |
| 251665-П8 | 251665-П8 | Гайка | |
| 292779-П8 | 292779-П8 | Гайка М10х1-4Н5Н | |
| 24-2904072 | 24-2904072 | Кольцо уплотнительное втулок | |
| 24-3001007 | 24-3001007 | Кулак поворотный левый в сборе | |
| 24-3001006 | 24-3001006 | Кулак поворотный правый в сборе | |
| 24-2904130 | 24-2904130 | Опора буфера верхних рычагов | |
| 24-2904032 | 24-2904032 | Ось нижних рычагов | |
| 24-2904112 | 24-2904112 | Ось верхних рычагов |
Содержащиеся в справочниках-каталогах запасные части и детали не предлагаются к продаже, а носят исключительно информационный характер