Вернуться на главную
Поиск
Каталоги запчастей к технике
Легковые автомобили
ГАЗ
ГАЗ-24
Механизм переключения передач
Каталог запасных частей к технике: ГАЗ-24. Механизм переключения передач
zoom-in
zoom-out
enlarge
shrink
circle-right
circle-left
file-text2
info
cart
Тип техники
Не выбрано
Легковые автомобили
Грузовые автомобили и прицепы
Автобусы
Сельхозтехника
Спецтехника
Двигатели
Мототехника
Марка
Не выбрано
BYD
Chevrolet
Daewoo
Geely
Great Wall
Hyundai
Lifan
Tata
АЗЛК
ВАЗ
ГАЗ
ЗАЗ
ЗИЛ
ИЖ
ЛуАЗ
РАФ
УАЗ
Модель
Не выбрано
АКП Волга Сайбер (2009)
ГАЗ-12 (ЗИМ)
ГАЗ-14 (Чайка) (1980)
ГАЗ-21
ГАЗ-21 (каталог 69 г.) (1969)
ГАЗ-2217 (доп. с дв. Chr Е 3) (2009)
ГАЗ-2217 (доп. с дв. ЗМЗ Е 3) (2009)
ГАЗ-2217 (Соболь) (1999)
ГАЗ-24
ГАЗ-24-10 (1995)
ГАЗ-2705 (Cummins E-4) (2015)
ГАЗ-2705 (ГАЗель) (2000)
ГАЗ-2705 (дв. ЗМЗ-402) (2006)
ГАЗ-2705 (дв. ЗМЗ-406) (2006)
ГАЗ-2705 (дв. УМЗ-4215) (2006)
ГАЗ-2705 (доп. с дв. Chr Е-3) (2009)
ГАЗ-2705 (доп. с дв. ЗМЗ Е-3) (2009)
ГАЗ-2705, 3221 (куз. детали) (2006)
ГАЗ-2752 (доп. с дв. Chr Е 3) (2009)
ГАЗ-2752 (доп. с дв. ЗМЗ Е 3) (2009)
ГАЗ-3102 (2000)
ГАЗ-3102, 3110 (дополнение) (2009)
ГАЗ-31029
ГАЗ-3105 (1996)
ГАЗ-3110
ГАЗ-31105
ГАЗ-31105 (дополнение) (2005)
ГАЗ-3111 (2004)
ГАЗ-3221 (1999)
ГАЗ-3221 (2006) (2006)
ГАЗ-3221 (доп. с дв. Chr Е-3) (2009)
ГАЗ-3221 (Уст. АБС 8.1) (2008)
ГАЗ-3302 (2004) (2004)
ГАЗ-3302 (Cummins E-4) (2015)
ГАЗ-3302 (ГАЗель)
ГАЗ-3302 (доп. с дв. Chr Е 3) (2009)
ГАЗ-3302 (доп. с дв. ЗМЗ Е 3) (2009)
ГАЗ-3302 (Кузовные дет.) (2011)
ГАЗ-3302 (с двиг. УМЗ) (2015)
ГАЗ-3302, 2705 (доп. для ГБО) (2015)
ГАЗ-33027 (Дополнение)
ГАЗ-69 (1957)
ГАЗель 4x4 (Дополнение) (2012)
ГАЗель 4х4 (2001) (2009)
ГАЗЕЛЬ NEXT A65R32-40 (2021)
ГАЗель NEXT Citiline A64R42 (2021)
ГАЗель, Соболь (2003) (2003)
ГАЗель-Бизнес 2705-393 (2015)
ГУР 3110 и 3102 (2000)
Кузов ГАЗ 31029
М20 Победа
Облицовка ГАЗ-31105, 3102 (2009)
Установка климатическая (2009)
Схема
>
Не выбрано
Коврики пола
Стеклоочиститель
Окно ветровое
Омыватель ветрового стекла
Ящик вещевой
Панели приборов и пепельница
Боковина
Крышка и петли крышки багажника
Задок и окно задка
Замок крышки багажника
Дверь передняя, обивка и уплотнение передней двери
Окно и механизм перемещения стекла передней двери
Замки и ручки передней двери
Навеска передней двери
Дверь задняя, обивка и уплотнение задней двери
Окно и механизм перемещения стекла задней двери
Замки и ручки задней двери
Навеска задней двери
Сиденье водителя и переднее сиденье
Механизм регулировки сиденья водителя и переднего сиденья
Спинки сиденья водителя и переднего сиденья
Подлокотник и подставка переднего сиденья
Заднее сиденье, механизм регулировки сиденья и подлокотник
Вентиляция передка
Вентиляция передка
Отопитель кузова и обогреватель ветрового стекла
Отопление кузова и обогреватель боковых стекол
Обогреватель заднего стекла
Обогреватель заднего стекла
Поручни и противосолнечный козырек
Зеркала заднего вида
Капот, замок и петли капота
Крыло переднее
Облицовка радиатора
Фартук заднего крыла
Люк заднего крыла
Подвеска двигателя
Блок и головка цилиндров
Поршни и шатуны
Вал коленчатый
Распределительный вал
Распределительный вал, клапаны и толкатели
Газопровод
Масляный картер и вентиляция картера
Маслоприемник, крепление масляного насоса и привода распределителя
Масляный насос и привод распределителя
Масляный радиатор
Масляный фильтр
Крепление масляного фильтра
Бак бензиновый
Бак бензиновый
Бензиновый привод
Бензиновый насос
Карбюратор
Карбюратор
Карбюратор
Акселератор
Фильтр воздушный
Фильтр тонкой очистки топлива
Глушитель и выхлопные трубы
Радиатор
Термостат системы охлаждения и водяной насос
Вентилятор
Вентилятор
Жалюзи радиатора
Сцепление
Сцепление
Привод выключения сцепления
Привод выключения сцепления
Коробка передач
Коробка передач
Коробка передач
Механизм переключения передач
Механизм переключения передач
Карданный вал
Задний мост, кожухи полуосей, полуось
Главная передача и дифференциал
Рама и брызговики
Буфер передний
Буфер задний
Передняя подвеска
Амортизаторы передней подвески
Стабилизатор
Задние рессоры
Задние рессоры
Амортизаторы задней подвески
Крепление заднего амортизатора
Поворотные кулаки
Рулевые тяги
Рулевые тяги
Колеса и ступицы передних колес
Колеса, держатель запасного колеса, шины
Рулевое управление и крепление рулевого управления
Механизм рулевого управления
Рулевое колесо и кнопка звукового сигнала
Передние колесные тормоза
Задние колесные тормоза
Педаль тормоза
Главный цилиндр тормоза
Трубопроводы гидравлических тормозов
Управление тормозом стоянки
Гидровакуумный усилитель
Клапан управления
Трубопроводы и воздушный фильтр
Распределитель гидравлического привода
Генератор
Генератор
Детали электрооборудования
Аккумуляторная батарея
Катушка зажигания, распределитель, свечи привода зажигания
Распределитель
Стартер
Переключатель света, подфарники и указатели поворота
Фары
Фонари задние, освещение номерного знака и отражатели света
Электропровода
Комбинация приборов
Комбинация приборов
Радиоприемник в сборе
Шоферский инструмент
Шоферский инструмент, шприц для смазки и утеплитель
Домкрат
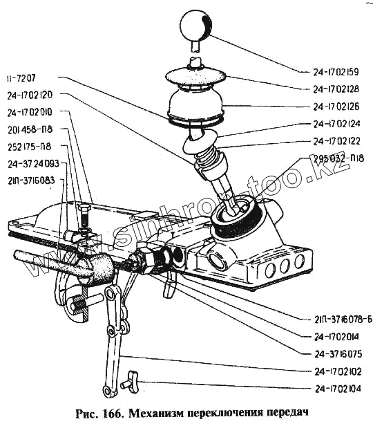
24-1702102
295032-П18
252175-П8
21П-3716083
24-1702128
24-1702104
24-3724093
24-1702124
24-1702120
201458-П8
24-1702159
24-1702122
24-1702014
11-7207
21П-3716078-Б
24-1702010
24-1702126
24-3716075
Позиция на иллюстрации
Заводской номер детали
Название детали
24-1702102
24-1702102
Рычаг включения заднего хода в сборе
295032-П18
295032-П18
Штифт
252175-П8
252175-П8
Шайба 8
21П-3716083
21П-3716083
Чехол защитный
24-1702128
24-1702128
Уплотнитель верхней крышки
24-1702104
24-1702104
Сухарь рычага включения заднего хода
24-3724093
24-3724093
Скоба
24-1702124
24-1702124
Седло пружины рычага переключения передач
24-1702120
24-1702120
Рычаг переключения пере дач
201458-П8
201458-П8
Болт М8х1,25х25
24-1702159
24-1702159
Рукоятка рычага
24-1702122
24-1702122
Пружина рычага переключения передач
24-1702014
24-1702014
Прокладка механизма переключения передач
11-7207
11-7207
Прокладка колпака
21П-3716078-Б
21П-3716078-Б
Прокладка выключателя света заднего хода
24-1702010
24-1702010
Механизм переключения в сборе
24-1702126
24-1702126
Колпак корпуса рычага
24-3716075
24-3716075
Включатель фонаря заднего хода (ВК403)
Содержащиеся в справочниках-каталогах запасные части и детали не предлагаются к продаже, а носят исключительно информационный характер
Дополнительная информация
×
Название:
Номер:
Примечание: