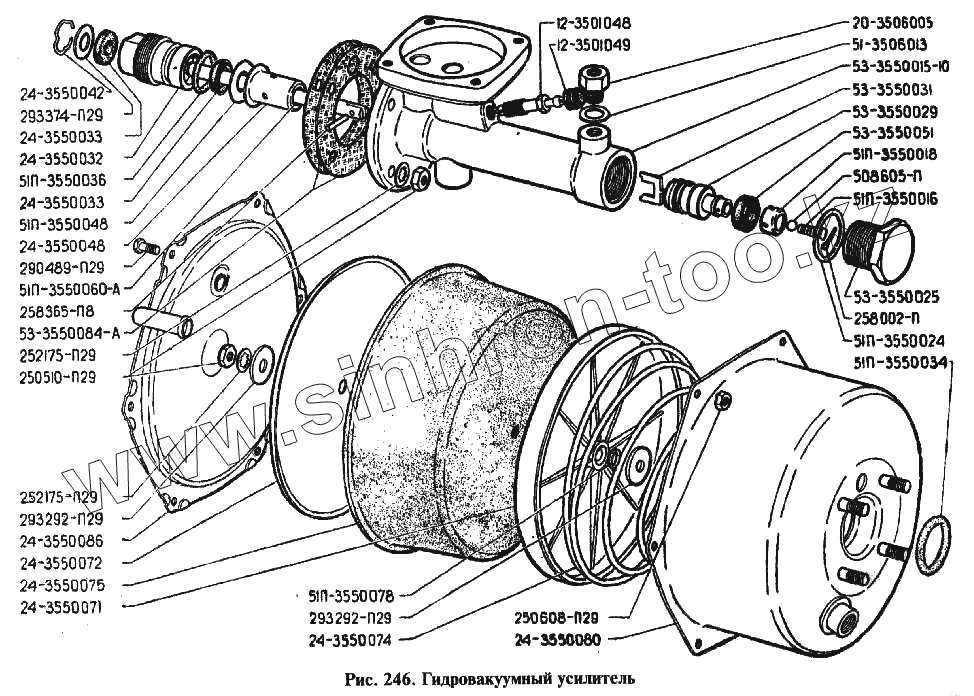
Каталог запасных частей к технике: ГАЗ-24. Гидровакуумный усилитель
24-3550048
24-3550072
53-3550025
51П-3550024
53-3550084-А
24-3550074
51П-3550016
51П-3550060-А
53-3550031
53-3550029
53-3550015-10
252175-П29
252175-П29
293292-П29
293292-П29
293374-П29
51-3506013
51П-3550048
508605-П
258002-П
258365-П8
20-3506005
51П-3550078
250510-П29
250608-П29
24-3550075
12-3501048
12-3501049
51П-3550018
24-3550042
51П-3550034
51П-3550036
290489-П29
24-3550032
24-3550080
24-3550086
24-3550033
24-3550033
53-3550051
24-3550071
| Позиция на иллюстрации | Заводской номер детали | Название детали | |
|---|---|---|---|
| 24-3550048 | 24-3550048 | Упор | |
| 53-3550029-А2 | 53-3550029-А2 | Поршень | |
| 24-3550072 | 24-3550072 | Прижимной диск | |
| 53-3550025 | 53-3550025 | Пробка цилиндра гидровакуумного усилителя тормозов | |
| 51П-3550024 | 51П-3550024 | Прокладка пробки | |
| 53-3550084-А | 53-3550084-А | Прокладка | |
| 24-3550074 | 24-3550074 | Пружина | |
| 51П-3550016 | 51П-3550016 | Пружина клапана поршня цилиндра | |
| 24-3550099 | 24-3550099 | Скоба | |
| 51П-3550060-А | 51П-3550060-А | Толкатель | |
| 53-3550031 | 53-3550031 | Толкатель клапана поршня цилиндра гидровакуумного усилителя тормозов | |
| 53-3550029 | 53-3550029 | Поршень | |
| 53-3550015-10 | 53-3550015-10 | Цилиндр гидровакуумного усилителя тормозов | |
| 252175-П29 | 252175-П29 | Шайба 8 | |
| 293292-П29 | 293292-П29 | Шайба 8,5 | |
| 293374-П29 | 293374-П29 | Шайба 13,5 | |
| 51-3506013 | 51-3506013 | Прокладка | |
| 51П-3550048 | 51П-3550048 | Шайба | |
| 508605-П | 508605-П | Шарик | |
| 258002-П | 258002-П | Шплинт 1,4х16 | |
| 258365-П8 | 258365-П8 | Штифт | |
| 20-3506005 | 20-3506005 | Штуцер | |
| 51П-3550078 | 51П-3550078 | Кольцо уплотнительное гидровакуумного усилителя тормозов | |
| 250510-П29 | 250510-П29 | Гайка М8-6Н ОСТ 37.001.124-93 | |
| 250608-П29 | 250608-П29 | Гайка М6-6Н ОСТ 37.001.124-93 | |
| 24-3550010 | 24-3550010 | Гидровакуумный усилитель | |
| 24-3550075 | 24-3550075 | Диафрагма | |
| 12-3501048 | 12-3501048 | Клапан | |
| 12-3501049 | 12-3501049 | Колпачок перепускного клапана колесного цилиндра тормоза защитный | |
| 51П-3550018 | 51П-3550018 | Колпачок манжеты поршня | |
| 24-3550042 | 24-3550042 | Кольцо стопорное | |
| 51П-3550034 | 51П-3550034 | Кольцо | |
| 51П-3550036 | 51П-3550036 | Кольцо уплотнительное | |
| 290489-П29 | 290489-П29 | Болт | |
| 24-3550032 | 24-3550032 | Корпус уплотнителей цилиндра гидровакуумного усилителя тормоза | |
| 24-3550080 | 24-3550080 | Корпус | |
| 24-3550092 | 24-3550092 | Кронштейн | |
| 24-3550086 | 24-3550086 | Крышка | |
| 24-3550096 | 24-3550096 | Лента | |
| 24-3550033 | 24-3550033 | Манжета уплотнительная | |
| 53-3550051 | 53-3550051 | Манжета (45331112) | |
| 24-3550095 | 24-3550095 | Планка | |
| 24-3550071 | 24-3550071 | Поршень |
Содержащиеся в справочниках-каталогах запасные части и детали не предлагаются к продаже, а носят исключительно информационный характер