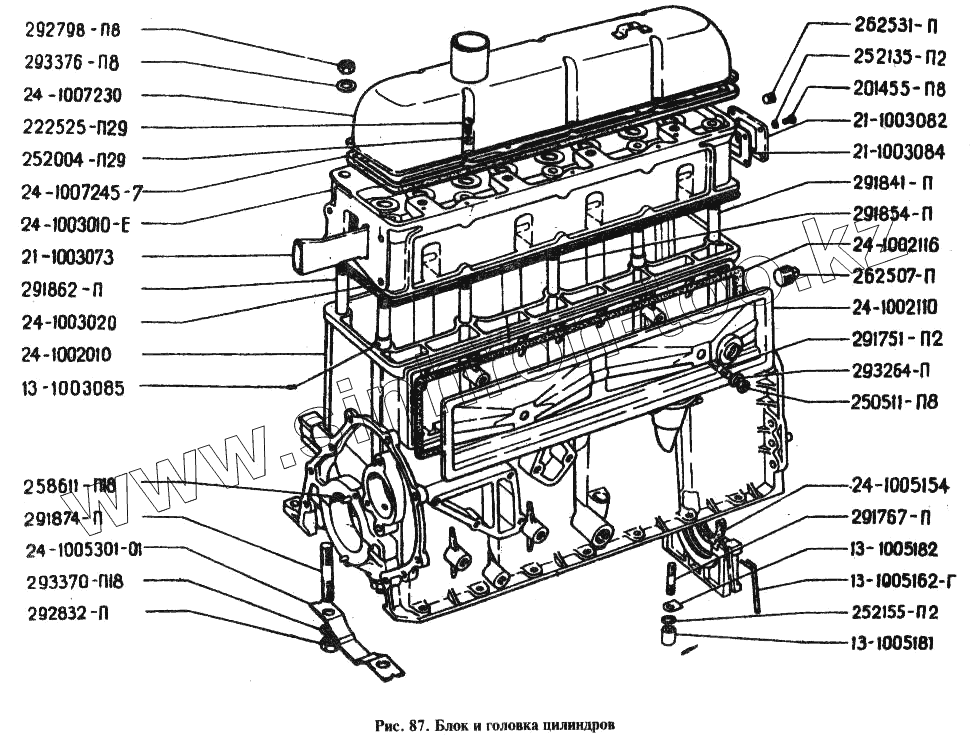
Каталог запасных частей к технике: ГАЗ-24. Блок и головка цилиндров
293370-П18
24-1002116
24-1003020
24-1007245-7
21-1003073
13-1005182
252004-П29
252135-П2
252155-П2
293264-П
21-1003084
293376-П8
291751-П2
291767-П
291841-П
291854-П
291862-П
291874-П
13-1003085
258611-П18
201455-П8
222525-П29
13-1005181
250511-П8
292798-П8
292832-П
24-1003010-Е
24-1002010
21-1003082
24-1002110
24-1007230
24-1005154
24-1005301-01
262507-П
262531-П
13-2005162-Г
| Позиция на иллюстрации | Заводской номер детали | Название детали | |
|---|---|---|---|
| 293370-П18 | 293370-П18 | Шайба 12 | |
| 24-1002116 | 24-1002116 | Прокладка крышки коробки толкателей | |
| 24-1003020 | 24-1003020 | Прокладка | |
| 24-1007245-7 | 24-1007245-7 | Прокладка | |
| 21-1003073 | 21-1003073 | Труба | |
| 13-1005182 | 13-1005182 | Шайба крепления держателя | |
| 252004-П29 | 252004-П29 | Шайба 6 ОСТ 37.001.144-96 | |
| 252135-П2 | 252135-П2 | Шайба 8Т ОСТ 37.001.115-75 | |
| 252155-П2 | 252155-П2 | Шайба 8Л ОСТ 37.001.115-75 | |
| 293264-П | 293264-П | Шайба 8 | |
| 21-1003084 | 21-1003084 | Прокладка | |
| 293376-П8 | 293376-П8 | Шайба 11,5 | |
| 291751-П2 | 291751-П2 | Шпилька М8х1-4hх30 | |
| 291767-П | 291767-П | Шпилька М8х1х62 | |
| 291841-П | 291841-П | Шпилька | |
| 291854-П | 291854-П | Шпилька | |
| 291862-П | 291862-П | Шпилька | |
| 291874-П | 291874-П | Шпилька М12х1,25-4h6hх82 | |
| 13-1003085 | 13-1003085 | Штифт | |
| 258611-П18 | 258611-П18 | Штифт 4х10 | |
| 24-1003007-Е | 24-1003007-Е | Головка цилиндров с клапа нами в сборе | |
| 24-1002009 | 24-1002009 | Блок с картером сцепления в сборе | |
| 201455-П8 | 201455-П8 | Болт М8-6gх18 | |
| 222525-П29 | 222525-П29 | Винт М6-6gх16 ОСТ 37.001.128-96 | |
| 13-1005181 | 13-1005181 | Гайка | |
| 250511-П8 | 250511-П8 | Гайка М8х1 | |
| 292798-П8 | 292798-П8 | Гайка М11х1 | |
| 292832-П | 292832-П | Гайка СП М12х1,25 | |
| 24-1003010-Е | 24-1003010-Е | Головка | |
| 24-1003006-Е | 24-1003006-Е | Головка цилиндров с деталями газораспределения в сборе | |
| 24-1002010 | 24-1002010 | Блок в сборе | |
| 21-1003082 | 21-1003082 | Крышка отверстия водяной рубашки головки цилиндров | |
| 24-1002110 | 24-1002110 | Крышка | |
| 24-1007230 | 24-1007230 | Крышка коромысел | |
| 24-1005154 | 24-1005154 | Набивка | |
| 24-1005301-01 | 24-1005301-01 | Пластина стопорная | |
| 262507-П | 262507-П | Пробка К3/8" | |
| 262531-П | 262531-П | Пробка КГ 1/8" | |
| 13-2005162-Г | 13-2005162-Г | Прокладка |
Содержащиеся в справочниках-каталогах запасные части и детали не предлагаются к продаже, а носят исключительно информационный характер