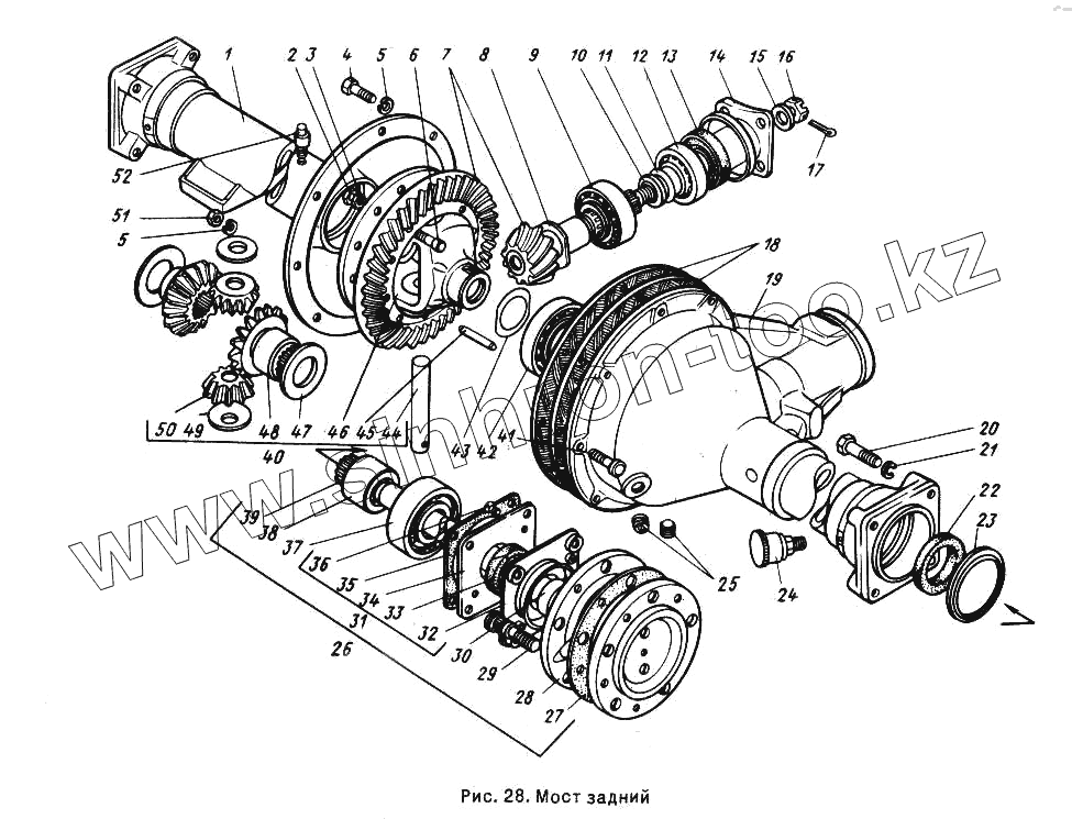
Каталог запасных частей к технике: ГАЗ-24-10. Мост задний
1
2
3
4
5
5
6
7
8
9
10
11
12
13
14
15
16
17
18
19
20
21
22
23
24
25
26
27
28
29
30
31
32
33
34
35
36
37
38
39
40
41
42
43
44
45
46
47
48
49
50
51
52
| Позиция на иллюстрации | Заводской номер детали | Название детали | |
|---|---|---|---|
| 1 | 24-10-2401013 | Кожух полуоси левый | |
| 2 | 292759-П | Гайка 9 стопорная | |
| 3 | 292758-П | Гайка СпМ10х1 | |
| 4 | 201496-П8 | Болт М10-6gх22 | |
| 5 | 252136-П2 | Шайба 10 ОТ ОСТ 37.001.115-75 | |
| 6 | 24-2403034 | Болт Сп М10х1х28 | |
| 7 | 24-2402020-01 | Зубчатые колеса главной передачи заднего моста | |
| 8 | 24-2402046 | Кольцо регулировочное толщиной 1,55 мм | |
| 9 | 24-2402041 | Подшипник задний 7607АУ1Ш | |
| 10 | 21-2402029 | Шайба регулировочная толщиной 4 мм | |
| 11 | 12-2402033 | Прокладка регулировочная подшипника ведущей шестерни (толщина 0,25 мм) | |
| 12 | 24-2402025 | Подшипник передний 6-7606К1Ш | |
| 13 | 12-2402052-23 | Манжета ведущей шестерни в сборе | |
| 14 | 13-2201100-А | Фланец в сборе | |
| 15 | 20-2402064-Б | Шайба 21 | |
| 16 | 292917-П | Гайка М20х1,5-5Н6Н | |
| 17 | 258053-П | Шплинт 4х25 | |
| 18 | 69-2401040 | Прокладка крышки картера заднего моста | |
| 19 | 24-2401010-А | Картер заднего моста с кожухом полуоси в сборе | |
| 20 | 290862-П8 | Болт М12х1,25-6gх45 | |
| 21 | 252157-П2 | Шайба 12Л ОСТ 37.001.115-75 | |
| 22 | 12-2401060-Б | Сальник внутренний подшипника полуоси заднего моста с пружиной в сборе | |
| 23 | 12-2403082 | Прокладка пружинная подшипника полуоси заднего моста | |
| 24 | 20-2400020 | Масленка в сборе | |
| 25 | 296576-П29 | Пробка КГ1/2" | |
| 26 | 24-2403069-10 | Полуось заднего моста в сборе | |
| 27 | 20-3104055 | Прокладка маслоотражателя фланца полуоси заднего моста | |
| 28 | 21-2403072 | Маслоотражатель фланца полуоси заднего моста | |
| 29 | 20-3103008-Б | Болт ступицы колеса | |
| 30 | 21-2403025 | Втулка наружного уплотнения полуоси | |
| 31 | 21-2403100-А2 | Корпус наружного уплотнения подшипника полуоси с пластиной и набивкой в сборе | |
| 32 | 21-2403102-Б | Корпус наружного уплотнения подшипника полуоси в сборе | |
| 33 | 12-2403107 | Набивка сальника | |
| 34 | 12-2403086-Б | Пластина сальника | |
| 35 | 12-2403087 | Прокладка | |
| 36 | 221577-П29 | Винт М5-6gх10 | |
| 37 | 12-2403080-01 | Подшипник полуоси 308УШ | |
| 38 | 3102-2403084 | Кольцо зажимное | |
| 39 | 24-2403070 | Полуось | |
| 40 | 24-2403011 | Дифференциал с ведомой шестерней в сборе | |
| 41 | 290773-П8 | Болт М10х1х35 | |
| 42 | 12-2403036-01 | Подшипник дифференциала 7510У2Ш | |
| 43 | 12-2403090 | Прокладка регулировочная подшипников дифференциала заднего моста (толщина 0,1 мм) | |
| 44 | 24-2403060 | Ось сателлитов | |
| 45 | 295047-П | Стопор оси сателлитов дифференциала заднего моста | |
| 46 | 24-2403018 | Коробка дифференциала | |
| 47 | 12-2403030-А | Шайба опорная | |
| 48 | 24-2403050-10 | Шестерня полуоси заднего моста | |
| 49 | 12-2403058-А2 | Шайба опорная сателлита | |
| 50 | 24-2403055-10 | Сателлит дифференциала | |
| 51 | 250513-П8 | Гайка М10х1-6Н | |
| 52 | 298430-П | Сапун в сборе |
Содержащиеся в справочниках-каталогах запасные части и детали не предлагаются к продаже, а носят исключительно информационный характер