Вернуться на главную
Поиск
Каталоги запчастей к технике
Легковые автомобили
ГАЗ
ГАЗ-24-10
Домкрат
Каталог запасных частей к технике: ГАЗ-24-10. Домкрат
zoom-in
zoom-out
enlarge
shrink
circle-right
circle-left
file-text2
info
cart
Тип техники
Не выбрано
Легковые автомобили
Грузовые автомобили и прицепы
Автобусы
Сельхозтехника
Спецтехника
Двигатели
Мототехника
Марка
Не выбрано
BYD
Chevrolet
Daewoo
Geely
Great Wall
Hyundai
Lifan
Tata
АЗЛК
ВАЗ
ГАЗ
ЗАЗ
ЗИЛ
ИЖ
ЛуАЗ
РАФ
УАЗ
Модель
Не выбрано
АКП Волга Сайбер (2009)
ГАЗ-12 (ЗИМ)
ГАЗ-14 (Чайка) (1980)
ГАЗ-21
ГАЗ-21 (каталог 69 г.) (1969)
ГАЗ-2217 (доп. с дв. Chr Е 3) (2009)
ГАЗ-2217 (доп. с дв. ЗМЗ Е 3) (2009)
ГАЗ-2217 (Соболь) (1999)
ГАЗ-24
ГАЗ-24-10 (1995)
ГАЗ-2705 (Cummins E-4) (2015)
ГАЗ-2705 (ГАЗель) (2000)
ГАЗ-2705 (дв. ЗМЗ-402) (2006)
ГАЗ-2705 (дв. ЗМЗ-406) (2006)
ГАЗ-2705 (дв. УМЗ-4215) (2006)
ГАЗ-2705 (доп. с дв. Chr Е-3) (2009)
ГАЗ-2705 (доп. с дв. ЗМЗ Е-3) (2009)
ГАЗ-2705, 3221 (куз. детали) (2006)
ГАЗ-2752 (доп. с дв. Chr Е 3) (2009)
ГАЗ-2752 (доп. с дв. ЗМЗ Е 3) (2009)
ГАЗ-3102 (2000)
ГАЗ-3102, 3110 (дополнение) (2009)
ГАЗ-31029
ГАЗ-3105 (1996)
ГАЗ-3110
ГАЗ-31105
ГАЗ-31105 (дополнение) (2005)
ГАЗ-3111 (2004)
ГАЗ-3221 (1999)
ГАЗ-3221 (2006) (2006)
ГАЗ-3221 (доп. с дв. Chr Е-3) (2009)
ГАЗ-3221 (Уст. АБС 8.1) (2008)
ГАЗ-3302 (2004) (2004)
ГАЗ-3302 (Cummins E-4) (2015)
ГАЗ-3302 (ГАЗель)
ГАЗ-3302 (доп. с дв. Chr Е 3) (2009)
ГАЗ-3302 (доп. с дв. ЗМЗ Е 3) (2009)
ГАЗ-3302 (Кузовные дет.) (2011)
ГАЗ-3302 (с двиг. УМЗ) (2015)
ГАЗ-3302, 2705 (доп. для ГБО) (2015)
ГАЗ-33027 (Дополнение)
ГАЗ-69 (1957)
ГАЗель 4x4 (Дополнение) (2012)
ГАЗель 4х4 (2001) (2009)
ГАЗЕЛЬ NEXT A65R32-40 (2021)
ГАЗель NEXT Citiline A64R42 (2021)
ГАЗель, Соболь (2003) (2003)
ГАЗель-Бизнес 2705-393 (2015)
ГУР 3110 и 3102 (2000)
Кузов ГАЗ 31029
М20 Победа
Облицовка ГАЗ-31105, 3102 (2009)
Установка климатическая (2009)
Схема
>
Не выбрано
Пол, кожух пола, коврики пола и багажник
Термошумоизоляция кузова
Стеклоочиститель и привод, стекла, уплотнители и отделочная рамка ветрового окна, насос водяной очистки ветрового стекла
Обивка передка
Панель приборов и вещевой ящик
Панель приборов, консоль панели приборов, пепельница
Боковина, крыша, обивка крыши
Обивка полки задка, окно задка, обивка багажника
Крышка багажника, петли, упор, Замок крышки багажника
Дверь передняя
Окно и механизм перемещения стекла передней двери
Замок и ручки передней двери
Дверь задняя
Окно и механизм перемещения стекла задней двери
Замок и ручки задней двери
Сиденье водителя и переднее сиденье
Сиденье заднее
Радиатор и электродвигатель отопителя
Отопление и вентиляция
Управление вентиляцией и отоплением кузова, трубопроводы
Зеркала
Держатели, поручни, крючки для одежды, ремни безопасности
Козырек противосолнечный
Облицовка радиатора (металлическая), капот, крыло переднее
Облицовка радиатора (пластмассовая), капот, крыло переднее
Фартук щитка, люк заднего крыла
Замок и привод замка капота, петли капота
Подвеска двигателя
Блок и головка цилиндров двигателя
Поршни, шатуны, вал коленчатый и маховик двигателя
Вал распределительный, клапаны и толкатели клапанов двигателя
Газопровод
Картер масляный, насос масляный и радиатор масляный
Вентиляция картера, фильтр воздушный двигателя и устройства дополнительного карбюратора
Привод распределителя зажигания и фильтр очистки масла
Бак топливный
Трубопроводы топливные и фильтр тонкой очистки топлива
Насос топливный
Карбюратор
Карбюратор
Акселератор
Фильтр воздушный и установка карбюратора
Глушитель выхлопа и трубы выхлопные
Система рециркуляции отработавших газов
Радиатор, трубопроводы и шланги, пробка радиатора, краник сливной, кожух вентилятора, жалюзи и расширительный бачок
Термостат, насос водяной, вентилятор и его привод
Сцепление
Главный цилиндр привода сцепления и цилиндр выключения сцепления
Крепление главного цилиндра привода сцепления, цилиндра выключения, педали тормоза
Коробка передач
Картер и удлинитель с вторичным валом коробки передач
Механизм переключения передач
Вал карданный заднего моста
Мост задний
Рама и брызговик двигателя
Буфер передний и задний
Пружины и рычаги передней подвески
Стойки передней подвески и поворотные кулаки
Рычаги в сборе, амортизатор передней подвески и стабилизатор поперечной устойчивости
Амортизаторы передние
Рессоры задние и крепление задних амортизаторов
Амортизаторы задние
Тяги рулевые
Колеса, колпаки колес, Тормоза рабочие задние в сборе и тормозные барабаны
Ступицы передних колес, тормоза рабочие передние
Колесо, вентиль, шина, держатель запасного колеса
Механизм рулевого управления
Крепление рулевого механизма и рулевое управление
Управление рулевое
Колесо рулевого управления и кнопка звукового сигнала
Тормоза рабочие передние
Тормоза рабочие задние
Педаль сцепления и тормоза, привод механизма управления тормозами
Цилиндр главный гидротормозов
Трубопроводы и регулятор тормозного момента гидравлических систем
Привод механизма управления стояночным тормозом
Рычаг привода стояночного тормоза
Усилитель тормоза вакуумный, сигнализация прекращения действия тормозов аварийная, трубопроводы вакуумного усилителя тормоза
Генератор
Генератор
Батарея аккумуляторная
Катушка зажигания, датчик-распределитель, свечи провода зажигания
Стартер
Фары, указатели поворота и фары противотуманные
Плафоны внутреннего освещения, лампы переносная и подкапотная
Фонари задние, фонарь освещения номерного знака
Электрооборудование
Соединители электропроводов, электропривода (для модели ГАЗ 24-10)
Соединители электропроводов, электропривода (для модели ГАЗ 24-11)
Указатели поворота, повторители и опознавательные фонари такси
Датчик-распределитель
Панель и комбинация приборов
Радиооборудование
Инструмент водителя и приспособления
Инструмент водителя и приспособления (для экспорта)
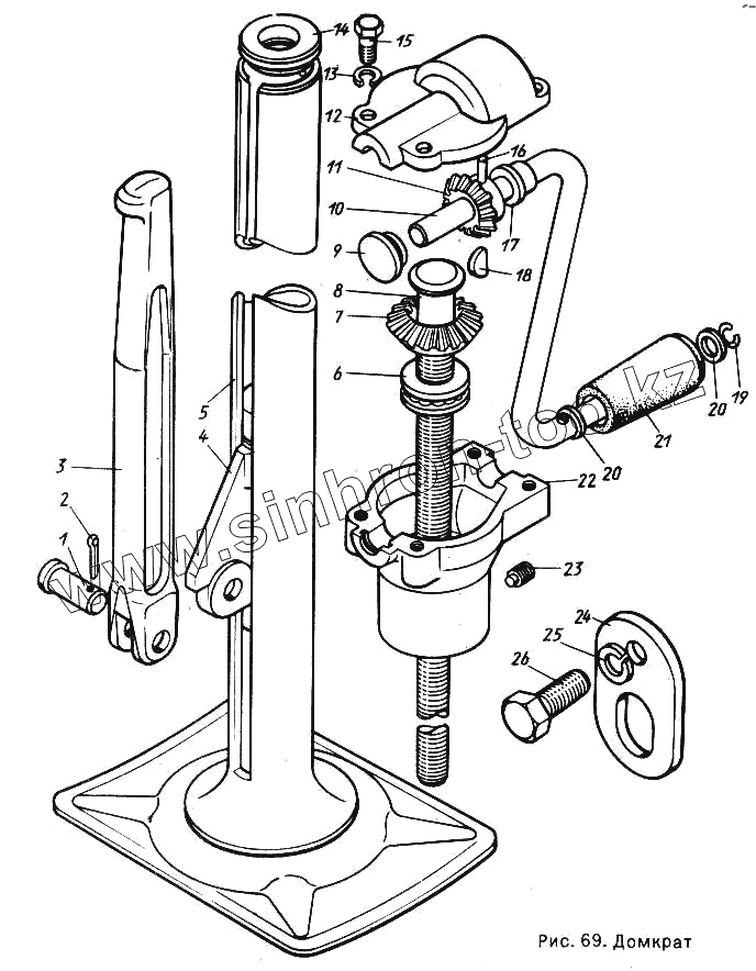
Домкрат
1
2
3
4
5
6
7
8
9
10
11
12
13
14
15
16
17
18
19
20
20
21
22
23
24
25
26
Позиция на иллюстрации
Заводской номер детали
Название детали
1
260057-П29
Палец 10х28 ОСТ 37.001.163-97
2
258038-П
Шплинт 2,7х15
3
24-3913452-01
Лапа
4
24-3913455
Кронштейн лапы
5
24-3913314
Корпус в сборе
6
8103
Подшипник домкрата
7
24-3913426
Шестерня ведомая винтового домкрата
8
24-3913318
Винт
9
24-3913414
Буфер головки
10
24-3913462
Вороток домкрата
11
24-3913348
Шестерня ведущая
12
24-3913422
Крышка
13
252154-П29
Шайба 6Л ОСТ 37.001.115-75
14
24-3913413
Втулка
15
201420-П29
Болт М6-6gх20 ОСТ 37.001.123-96
16
45 9841 1360
Штифт 4х20
17
21-1108041-Б
Втулка валика акселератора
18
45 9824 0256
Шпонка 3х5
19
24-3913465
Кольцо стопорное
20
293301-П29
Шайба 10
21
24-3913464
Ручка воротка
22
24-3913412
Головка домкрата
23
290602-П29
Винт М8х1-6hх15
24
24-3913467-10
Упор винтового домкрата
25
252157-П8
Шайба 12 пружинная
26
201561-П29
Болт М12х1,25-6gх25 ОСТ 37.001.123-96
Содержащиеся в справочниках-каталогах запасные части и детали не предлагаются к продаже, а носят исключительно информационный характер
Дополнительная информация
×
Название:
Номер:
Примечание: