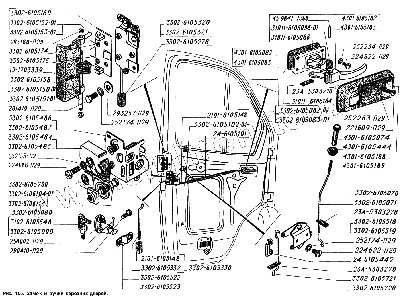
Каталог запасных частей к технике: ГАЗ-2217 (Соболь). Замок и ручки передних дверей
3302-6105160
3302-6105487
3302-6105518
3302-6105519
3302-6105152-01
3302-6105153-01
3302-6105150-01
3302.6105151-01
4301-6105182
4301-6105182
4301-6105183
3302-6105487
4301-6105188
4301-6105188
4301-6105189
31011-6105098-01
31011-6105098-01
3302-6105174
3302-6105174
3302-6105175
3302-6105175
24-6105101
45 9841 1360
258002-П29
3302-6106114
252155-П2
293257-П29
252263-П29
252234-П29
252174-П29
252174-П29
293188-П29
3302-6105700
31011-6105184
3302-6105102-01
3302-6105330
3302-6105332
3302-6105720
3302-6105720
3302-6105721
3302-6105070
3302-6105071
3302-6105486
23А-5303270
3302-6105320
3302-6105321
3102-6105548
3302-6105484
3302-6105484
3302-6105485
3302-6105485
24-6105442
24-6105442
23А-5303270
23А-5303270
3302-6105278
3302-6105080
3302-6105090
4301-6105444
4301-6105444
224686-П29
221609-П29
224622-П29
224622-П29
13-1703339
201419-П29
3302-6105523
31011-6105184
3302-6105082-01
3302-6105083-01
4301-6105082
4301-6105082
4301-6105083
3302-6105522
3302-6105522
3302-6105523
290410-П29
3302-6106104-01
3302-6105158
31011-6105086
31011-6105086
4301-6105074
4301-6105074
2101-6105148
2101-6105148
3302-6105278
| Позиция на иллюстрации | Заводской номер детали | Название детали | |
|---|---|---|---|
| 3302-6105160 | 3302-6105160 | Розетка наружной ручки двери | |
| 3302-6105487 | 3302-6105487 | Рычажный механизм замка двери левый | |
| 3302-6105518 | 3302-6105518 | Рычаг тяг выключения замка двери правый | |
| 3302-6105519 | 3302-6105519 | Рычаг тяг выключения замка двери левый | |
| 3302-6105152-01 | 3302-6105152-01 | Ручка наружная правая | |
| 3302-6105153-01 | 3302-6105153-01 | Ручка наружная левая | |
| 3302-6105150-01 | 3302-6105150-01 | Ручка двери наружная правая в сборе | |
| 3302.6105151-01 | 3302.6105151-01 | Ручка двери наружная левая в сборе | |
| 4301-6105182 | 4301-6105182 | Ручка внутреннего привода правая | |
| 4301-6105182 | 4301-6105182 | Ручка внутреннего привода правая | |
| 4301-6105183 | 4301-6105183 | Ручка внутреннего привода левая | |
| 3302-6105487 | 3302-6105487 | Рычажный механизм замка двери левый | |
| 4301-6105188 | 4301-6105188 | Розетка внутреннего привода правая | |
| 4301-6105188 | 4301-6105188 | Розетка внутреннего привода правая | |
| 4301-6105189 | 4301-6105189 | Розетка внутреннего привода левая | |
| 31011-6105098-01 | 31011-6105098-01 | Пружина привода | |
| 31011-6105098-01 | 31011-6105098-01 | Пружина привода | |
| 3302-6105174 | 3302-6105174 | Пружина наружной ручки двери правая | |
| 3302-6105174 | 3302-6105174 | Пружина наружной ручки двери правая | |
| 3302-6105175 | 3302-6105175 | Пружина наружной ручки двери левая | |
| 3302-6105175 | 3302-6105175 | Пружина наружной ручки двери левая | |
| 24-6105101 | 24-6105101 | Чехол тяги | |
| 45 9841 1360 | 45 9841 1360 | Штифт 4х20 | |
| 258002-П29 | 258002-П29 | Шплинт 1,5х16 | |
| 3302-6106114 | 3302-6106114 | Шип фиксатора двери | |
| 252155-П2 | 252155-П2 | Шайба 8Л ОСТ 37.001.115-75 | |
| 293257-П29 | 293257-П29 | Шайба 8 | |
| 252263-П29 | 252263-П29 | Шайба 2-6 ОСТ 37.001.147-75 | |
| 252234-П29 | 252234-П29 | Шайба 2-6 ОСТ 37.001.146-75 | |
| 252174-П29 | 252174-П29 | Шайба 2-6 ОСТ 37.001.145-75 | |
| 293188-П29 | 293188-П29 | Шайба 5,2 ГОСТ 11648-75 | |
| 3302-6105700 | 3302-6105700 | Шайба 12,4 | |
| 31011-6105184 | 31011-6105184 | Прокладка привода замка | |
| 3302-6105102-01 | 3302-6105102-01 | Тяга привода замка | |
| 3302-6105330 | 3302-6105330 | Тяга выключения привода замка в сборе | |
| 3302-6105332 | 3302-6105332 | Тяга выключения привода замка | |
| 3302-6105720 | 3302-6105720 | Тяга выключения замка промежуточная правая | |
| 3302-6105720 | 3302-6105720 | Тяга выключения замка промежуточная правая | |
| 3302-6105721 | 3302-6105721 | Тяга выключения замка промежуточная левая | |
| 3302-6105070 | 3302-6105070 | Тяга выключения замка двери правая | |
| 3302-6105071 | 3302-6105071 | Тяга выключения замка двери левая | |
| 3302-6105486 | 3302-6105486 | Рычажный механизм замка двери правый | |
| 23А-5303270 | 23А-5303270 | Зажим тяги | |
| 3302-6105320 | 3302-6105320 | Кронштейн рычага привода наружной ручки двери правый | |
| 3302-6105321 | 3302-6105321 | Кронштейн рычага привода наружной ручки двери левый | |
| 3102-6105548 | 3102-6105548 | Ключи замка двери с кольцом | |
| 3302-6105484 | 3302-6105484 | Запорный механизм замка правый | |
| 3302-6105484 | 3302-6105484 | Запорный механизм замка правый | |
| 3302-6105485 | 3302-6105485 | Запорный механизм замка левый | |
| 3302-6105485 | 3302-6105485 | Запорный механизм замка левый | |
| 24-6105442 | 24-6105442 | Зажим тяги | |
| 24-6105442 | 24-6105442 | Зажим тяги | |
| 23А-5303270 | 23А-5303270 | Зажим тяги | |
| 3302-6105278 | 3302-6105278 | Наконечник тяги | |
| 3302-6105080 | 3302-6105080 | Выключатель замка с ключами | |
| 3302-6105090 | 3302-6105090 | Выключатель замка двери | |
| 4301-6105444 | 4301-6105444 | Втулка наконечника тяги выключения замка | |
| 4301-6105444 | 4301-6105444 | Втулка наконечника тяги выключения замка | |
| 224686-П29 | 224686-П29 | Винт М8х1,25-6gх25 | |
| 221609-П29 | 221609-П29 | Винт М6-6gх25 | |
| 224622-П29 | 224622-П29 | Винт М6-6gх10 ОСТ 37.001.130-81 | |
| 13-1703339 | 13-1703339 | Буфер | |
| 201419-П29 | 201419-П29 | Болт М6-6gх18 ОСТ 37.001.123-96 | |
| 3302-6105523 | 3302-6105523 | Поводок кулачка с шаровым пальцем левый | |
| 31011-6105184 | 31011-6105184 | Прокладка привода замка | |
| 3302-6105082-01 | 3302-6105082-01 | Привод замка внутренний с тягой правый | |
| 3302-6105083-01 | 3302-6105083-01 | Привод замка внутренний с тягой левый | |
| 4301-6105082 | 4301-6105082 | Привод замка двери внутренний правый | |
| 4301-6105082 | 4301-6105082 | Привод замка двери внутренний правый | |
| 4301-6105083 | 4301-6105083 | Привод замка двери внутренний левый | |
| 3302-6105522 | 3302-6105522 | Поводок кулачка с шаровым пальцем правый | |
| 3302-6105522 | 3302-6105522 | Поводок кулачка с шаровым пальцем правый | |
| 3302-6105523 | 3302-6105523 | Поводок кулачка с шаровым пальцем левый | |
| 290410-П29 | 290410-П29 | Болт М5-6gх20 | |
| 3302-6106104-01 | 3302-6106104-01 | Пластина крепления фиксатора | |
| 3302-6105158 | 3302-6105158 | Ось наружной ручки | |
| 31011-6105086 | 31011-6105086 | Основание привода замка двери | |
| 31011-6105086 | 31011-6105086 | Основание привода замка двери | |
| 4301-6105074 | 4301-6105074 | Наконечник тяги выключения замка двери | |
| 4301-6105074 | 4301-6105074 | Наконечник тяги выключения замка двери | |
| 2101-6105148 | 2101-6105148 | Наконечник тяги выключения замка двери | |
| 2101-6105148 | 2101-6105148 | Наконечник тяги выключения замка двери | |
| 3302-6105278 | 3302-6105278 | Наконечник тяги |
Содержащиеся в справочниках-каталогах запасные части и детали не предлагаются к продаже, а носят исключительно информационный характер