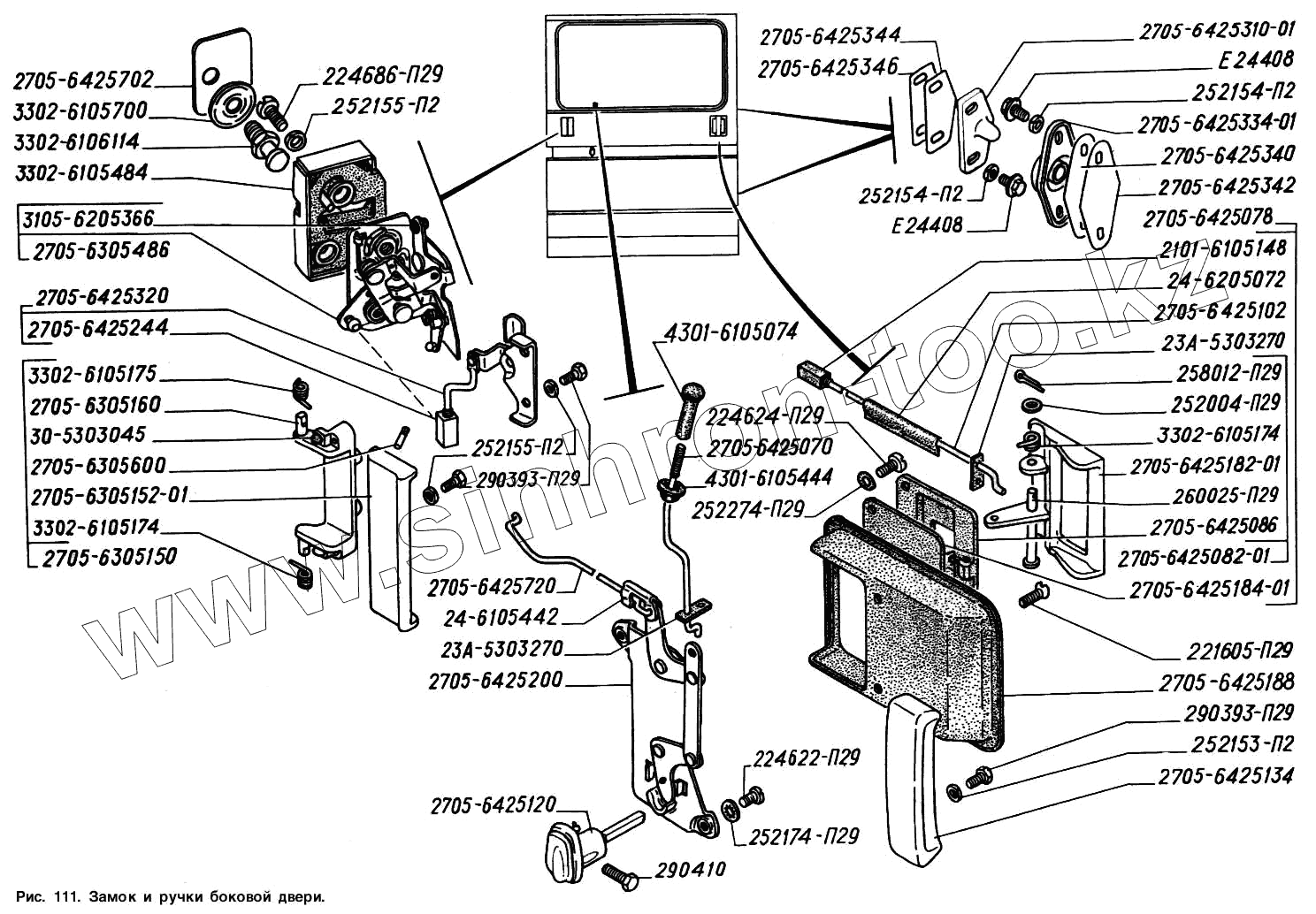
Каталог запасных частей к технике: ГАЗ-2217 (Соболь). Замок и ручки боковой двери
2705-6425188
2705-6305150
2705-6305150
2705-6305152-01
2705-6305152-01
2705-6425182-01
2705-6425134
2705-6305160
2705-6305160
3302-6105174
3302-6105174
3302-6105175
3302-6105175
2705-6425184-01
2705-6425082-01
2705-6425078
2705-6425702
252274-П29
252004-П29
2705-6305600
2705-6305600
258012-П29
3302-6106114
2705-6425310-01
252155-П2
252155-П2
252154-П2
252154-П2
2705-6425346
252174-П29
252153-П2
3302-6105700
24-6205072
2705-6425244
2705-6425720
2705-6425070
2705-6425102
4301-6105444
24-6105442
24-6105442
23А-5303270
23А-5303270
2705-6425120
3105-6205366
3105-6205366
4301-6105444
3302-6105484
224686-П29
221605-П29
224624-П29
224622-П29
30-5303045
30-5303045
Е24408
Е24408
290393-П29
290393-П29
2101-6105148
2705-6425344
2705-6425342
2705-6425340
260025-П29
2705-6425086
4301-6105074
4301-6105074
290410
2101-6105148
2705-6305486
2705-6305486
2705-6425200
2705-6425320
2705-6425334-01
3302-6105484
| Позиция на иллюстрации | Заводской номер детали | Название детали | |
|---|---|---|---|
| 2705-6425188 | 2705-6425188 | Розетка внутреннего привода | |
| 2705-6305150 | 2705-6305150 | Ручка двери наружная в сборе | |
| 2705-6305150 | 2705-6305150 | Ручка двери наружная в сборе | |
| 2705-6305152-01 | 2705-6305152-01 | Ручка двери наружная | |
| 2705-6305152-01 | 2705-6305152-01 | Ручка двери наружная | |
| 2705-6425182-01 | 2705-6425182-01 | Ручка внутреннего привода | |
| 2705-6425134 | 2705-6425134 | Ручка боковой двери наружная передняя | |
| 2705-6305160 | 2705-6305160 | Розетка наружной ручки двери | |
| 2705-6305160 | 2705-6305160 | Розетка наружной ручки двери | |
| 2705-6426110-01 | 2705-6426110-01 | Средняя направляющая боковой двери | |
| 3302-6105174 | 3302-6105174 | Пружина наружной ручки двери правая | |
| 3302-6105174 | 3302-6105174 | Пружина наружной ручки двери правая | |
| 3302-6105175 | 3302-6105175 | Пружина наружной ручки двери левая | |
| 3302-6105175 | 3302-6105175 | Пружина наружной ручки двери левая | |
| 2705-6425184-01 | 2705-6425184-01 | Прокладка привода замка | |
| 2705-6425082-01 | 2705-6425082-01 | Привод замка двери внутренний | |
| 2705-6425078 | 2705-6425078 | Привод замка боковой двери внутренний с тягой | |
| 2705-6425702 | 2705-6425702 | Пластина шипа фиксатора боковой двери | |
| 252274-П29 | 252274-П29 | Шайба 6 ОСТ 37.001.146-75 | |
| 252004-П29 | 252004-П29 | Шайба 6 ОСТ 37.001.144-96 | |
| 2705-6305600 | 2705-6305600 | Штифт 3х15 | |
| 2705-6305600 | 2705-6305600 | Штифт 3х15 | |
| 258012-П29 | 258012-П29 | Шплинт 2х12 ОСТ 37.001.171-93 | |
| 3302-6106114 | 3302-6106114 | Шип фиксатора двери | |
| 2705-6425310-01 | 2705-6425310-01 | Шип направляющий фиксатора | |
| 252155-П2 | 252155-П2 | Шайба 8Л ОСТ 37.001.115-75 | |
| 252154-П2 | 252154-П2 | Шайба 6Л ОСТ 37.001.115-75 | |
| 2705-6425346 | 2705-6425346 | Пластина регулировочная | |
| 252174-П29 | 252174-П29 | Шайба 2-6 ОСТ 37.001.145-75 | |
| 252153-П2 | 252153-П2 | Шайба 5Л ОСТ 37.001.115-75 | |
| 3302-6105700 | 3302-6105700 | Шайба 12,4 | |
| 24-6205072 | 24-6205072 | Чехол тяги | |
| 2705-6425244 | 2705-6425244 | Тяга наружной ручки двери с наконечником | |
| 2705-6425720 | 2705-6425720 | Тяга выключения замка промежуточная | |
| 2705-6425070 | 2705-6425070 | Тяга выключения замка | |
| 2705-6425102 | 2705-6425102 | Тяга внутреннего привода боковой двери | |
| 4301-6105444 | 4301-6105444 | Втулка наконечника тяги выключения замка | |
| 24-6105442 | 24-6105442 | Зажим тяги | |
| 24-6105442 | 24-6105442 | Зажим тяги | |
| 23А-5303270 | 23А-5303270 | Зажим тяги | |
| 23А-5303270 | 23А-5303270 | Зажим тяги | |
| 2705-6425120 | 2705-6425120 | Выключатель замка двери | |
| 3105-6205366 | 3105-6205366 | Втулка рычагов внутреннего замка | |
| 3105-6205366 | 3105-6205366 | Втулка рычагов внутреннего замка | |
| 4301-6105444 | 4301-6105444 | Втулка наконечника тяги выключения замка | |
| 3302-6105484 | 3302-6105484 | Запорный механизм замка правый | |
| 224686-П29 | 224686-П29 | Винт М8х1,25-6gх25 | |
| 221605-П29 | 221605-П29 | Винт М6-6gх16 | |
| 224624-П29 | 224624-П29 | Винт М6-6gх14 ОСТ 37.001.130-81 | |
| 224622-П29 | 224622-П29 | Винт М6-6gх10 ОСТ 37.001.130-81 | |
| 30-5303045 | 30-5303045 | Буфер | |
| 30-5303045 | 30-5303045 | Буфер | |
| Е24408 | Е24408 | Болт СпМ6х16 | |
| 290393-П29 | 290393-П29 | Болт М5-6gх12 | |
| 2101-6105148 | 2101-6105148 | Наконечник тяги выключения замка двери | |
| 2705-6425344 | 2705-6425344 | Пластина регулировочная | |
| 2705-6425342 | 2705-6425342 | Пластина регулировочная | |
| 2705-6425340 | 2705-6425340 | Пластина регулировочная | |
| 260025-П29 | 260025-П29 | Ось крышки | |
| 2705-6425086 | 2705-6425086 | Основание привода замка двери | |
| 2705-6426220-30 | 2705-6426220-30 | Направляющая нижняя с ограничителем | |
| 4301-6105074 | 4301-6105074 | Наконечник тяги выключения замка двери | |
| 4301-6105074 | 4301-6105074 | Наконечник тяги выключения замка двери | |
| 290410 | 290410 | Болт М5-6gх20 | |
| 2101-6105148 | 2101-6105148 | Наконечник тяги выключения замка двери | |
| 2705-6305486 | 2705-6305486 | Механизм замка боковой и задней дверей рычажный | |
| 2705-6305486 | 2705-6305486 | Механизм замка боковой и задней дверей рычажный | |
| 2705-6425200 | 2705-6425200 | Механизм выключения замка боковой двери | |
| 2705-6425320 | 2705-6425320 | Кронштейн рычага привода | |
| 2705-6425334-01 | 2705-6425334-01 | Корпус фиксатора | |
| 2705-6426022 | 2705-6426022 | Кожух верхней направляющей | |
| 3302-6105484 | 3302-6105484 | Запорный механизм замка правый |
Содержащиеся в справочниках-каталогах запасные части и детали не предлагаются к продаже, а носят исключительно информационный характер