Вернуться на главную
Поиск
Каталоги запчастей к технике
Легковые автомобили
ГАЗ
ГАЗ-2217 (Соболь)
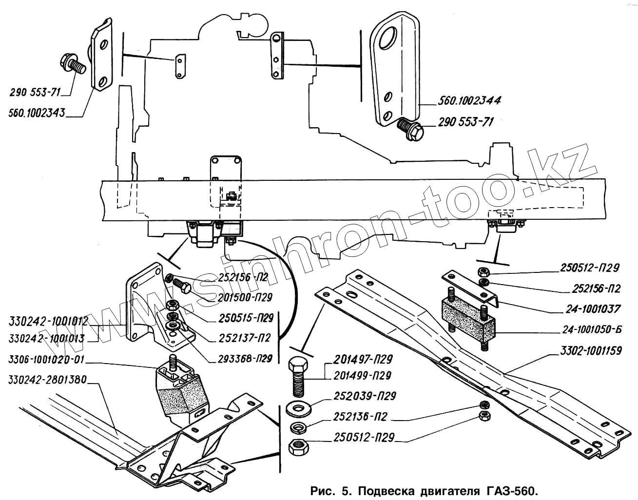
Подвеска двигателя ГАЗ-560
Каталог запасных частей к технике: ГАЗ-2217 (Соболь). Подвеска двигателя ГАЗ-560
zoom-in
zoom-out
enlarge
shrink
circle-right
circle-left
file-text2
info
cart
Тип техники
Не выбрано
Легковые автомобили
Грузовые автомобили и прицепы
Автобусы
Сельхозтехника
Спецтехника
Двигатели
Мототехника
Марка
Не выбрано
BYD
Chevrolet
Daewoo
Geely
Great Wall
Hyundai
Lifan
Tata
АЗЛК
ВАЗ
ГАЗ
ЗАЗ
ЗИЛ
ИЖ
ЛуАЗ
РАФ
УАЗ
Модель
Не выбрано
АКП Волга Сайбер (2009)
ГАЗ-12 (ЗИМ)
ГАЗ-14 (Чайка) (1980)
ГАЗ-21
ГАЗ-21 (каталог 69 г.) (1969)
ГАЗ-2217 (доп. с дв. Chr Е 3) (2009)
ГАЗ-2217 (доп. с дв. ЗМЗ Е 3) (2009)
ГАЗ-2217 (Соболь) (1999)
ГАЗ-24
ГАЗ-24-10 (1995)
ГАЗ-2705 (Cummins E-4) (2015)
ГАЗ-2705 (ГАЗель) (2000)
ГАЗ-2705 (дв. ЗМЗ-402) (2006)
ГАЗ-2705 (дв. ЗМЗ-406) (2006)
ГАЗ-2705 (дв. УМЗ-4215) (2006)
ГАЗ-2705 (доп. с дв. Chr Е-3) (2009)
ГАЗ-2705 (доп. с дв. ЗМЗ Е-3) (2009)
ГАЗ-2705, 3221 (куз. детали) (2006)
ГАЗ-2752 (доп. с дв. Chr Е 3) (2009)
ГАЗ-2752 (доп. с дв. ЗМЗ Е 3) (2009)
ГАЗ-3102 (2000)
ГАЗ-3102, 3110 (дополнение) (2009)
ГАЗ-31029
ГАЗ-3105 (1996)
ГАЗ-3110
ГАЗ-31105
ГАЗ-31105 (дополнение) (2005)
ГАЗ-3111 (2004)
ГАЗ-3221 (1999)
ГАЗ-3221 (2006) (2006)
ГАЗ-3221 (доп. с дв. Chr Е-3) (2009)
ГАЗ-3221 (Уст. АБС 8.1) (2008)
ГАЗ-3302 (2004) (2004)
ГАЗ-3302 (Cummins E-4) (2015)
ГАЗ-3302 (ГАЗель)
ГАЗ-3302 (доп. с дв. Chr Е 3) (2009)
ГАЗ-3302 (доп. с дв. ЗМЗ Е 3) (2009)
ГАЗ-3302 (Кузовные дет.) (2011)
ГАЗ-3302 (с двиг. УМЗ) (2015)
ГАЗ-3302, 2705 (доп. для ГБО) (2015)
ГАЗ-33027 (Дополнение)
ГАЗ-69 (1957)
ГАЗель 4x4 (Дополнение) (2012)
ГАЗель 4х4 (2001) (2009)
ГАЗЕЛЬ NEXT A65R32-40 (2021)
ГАЗель NEXT Citiline A64R42 (2021)
ГАЗель, Соболь (2003) (2003)
ГАЗель-Бизнес 2705-393 (2015)
ГУР 3110 и 3102 (2000)
Кузов ГАЗ 31029
М20 Победа
Облицовка ГАЗ-31105, 3102 (2009)
Установка климатическая (2009)
Схема
>
Не выбрано
Крепление кузова
Обивка салона 6-и местного автобуса с низкой крышей
Обивка салона 10-и местного автобуса со средней крышей
Облицовка, фартуки, крышка люка боковины
Настил пола салона автобусов, рейки боковины
Настил пола, задний коврик, крышка люка настила пола кабины автомобиля-фургона, передние коврики пола, уплотнитель под рычаг КП, настилы подножки боковой и передних дверей
Коврик пола салона автобусов, кожух арки заднего колеса, стол салона, крышка люка настила пола, настил подножки боковой двери: I - для 6-местного автобуса, II - для 10-местного автобуса
Стекло ветрового окна, стеклоочиститель, омыватель электрический, реле стеклоочистителя
Обивка передка и термошумоизоляция
Панель приборов
Окна боковины, обивка, стекла и кант проема боковой двери: I - для автобусов, II - для автомобиля-фургона
Двери передние, навеска дверей, обивка, ящик аптечки, кант проема передних дверей
Стекла передних дверей, механизм стеклоподъемника
Замок и ручки передних дверей
Дверь задка автобуса с низкой крышей, навеска двери, обивка, стекло и кант проема двери задка
Замок и ручка двери задка автобуса с низкой крышей
Двери задка автомобилей со средней крышей, навеска дверей, обивка, стекла, кант проема дверей задка: I - для автобуса, II -для автомобиля-фургона
Замок и ручки дверей задка автомобилей со средней крышей
Стопоры дверей задка автомобилей со средней крышей
Замок и ручки боковой двери
Навеска боковой двери
Установка сидений 6-местного автобуса
Установка сидений 10-местного автобуса
Сиденье водителя автобусов и переднее сиденье 6-местного автобуса
Сиденье водителя автомобиля-фургона
Механизм регулирования сиденья водителя
Сиденья переднего ряда салона 6-местного автобуса
Сиденья заднего ряда салона 6-местного автобуса
Двухместные сиденья кабины автомобиля-фургона
Перегородка салона, обивка перегородки, ограждение заднего отопителя 6-и местного автобуса
Перегородка и обивка кабины и грузового салона автомобиля-фургона
Отопитель передний, шланги и патрубки обогрева и вентиляции, короб воздухозаборника
Корпус, радиатор и электродвигатель с роторами переднего отопителя, привод вентиляции и отопления
Кожух и крышка, заслонки переднего отопителя
Управление вентиляцией и отоплением, центральный переключатель освещения
Отопитель задний автобусов, ограждение отопителя 10-местного автобуса, радиатор, электродвигатель с вентилятором: I - для 6-местного автобуса, II -для 10-местного автобуса
Отопитель задний автомобиля-фургона, ограждение отопителя, радиатор, электродвигатель с вентилятором
Трубопроводы отопителей автобусов, электронасос I - для 6-местного автобуса. II -для 10-местного автобуса
Трубопроводы отопителей автомобиля-фургона, электронасос
Шторы окон 6-местного автобуса
Зеркала заднего вида наружные, кожух воздухоотвода боковины, облицовка кожуха воздухоотвода
Зеркало заднего вида внутреннее и крючки для одежды на автобусах, поручни, козырьки противосолнечные, облицовка желоба: I - для 6-местного автобуса, II - для 10-местного автобуса
Установка ремней безопасности на 6-местном автобусе
Установка ремней безопасности на автомобиле-фургоне и ремней безопасности водителя и пассажиров передних сидений 10-местного автобуса
Облицовка радиатора, крылья передние, оперение
Капот с арматурой, замок капота и его привод, уплотнитель капота
Подвеска двигателя ЗМЗ-4063
Подвеска двигателя ГАЗ-560
Блок и головка цилиндров, датчик синхронизации и скорости вращения системы управления зажиганием двигателя ЗМЗ-4063
Блок цилиндров и картер, корпус распределительного вала, крышка маслоналивного отверстия, штифтовые запальные свечи двигателя ГАЗ-560
Вал коленчатый, поршни и шатуны двигателя ЗМЗ-4063
Вал коленчатый, поршни и шатуны, кольцо опорное заднее двигателя ГАЗ-560
Валы распределительные и цепной привод распредвалов двигателя ЗМЗ-4063
Клапаны и толкатели клапанов, крышка клапанов, катушки зажигания, провода и свечи, крышка маслоналивного патрубка двигателя ЗМЗ-4063
Вал распределительный, ось коромысел, насос-форсунки и клапаны, сервомагнит с датчиком положения рейки и датчик числа оборотов системы управления двигателем ГАЗ-560
Ременный привод распределительного вала, вентилятор с муфтой, крышки зубчатого ремня и опора вентилятора двигателя ГАЗ-560
Насос масляный и его привод, фильтр очистки масла, картер, указатель уровня масла, датчики давления и аварийного давления масла двигателя ЗМЗ-4063
Маслоприемник и насос масляный, кольцо опорное переднее двигателя ГАЗ-560
Фильтр масляный, масляный радиатор, маслоотделитель, датчики давления и аварийного давления масла двигателя ГАЗ-560
Указатель уровня масла, перепускной клапан топливной магистрали, трубки топливные моноблока, сливной краник охлаждающей жидкости на моноблоке двигателя ГАЗ-560
Газопровод двигателя ЗМЗ-4063
Бак топливный, труба наливная и пробка топливного бака, приемное устройство, датчик уровня топлива: I - для автомобилей с двигателем ЗМЗ-4063, II - для автомобилей с двигателем ГАЗ-560
Насос топливный, фильтр тонкой очистки, отстойник бензиновый и трубопроводы топливные двигателя ЗМЗ-4063
Насос топливный электрический, фильтры грубой и тонкой очистки, трубопроводы топливные двигателя ГАЗ-560
Детали фильтра тонкой очистки топлива двигателя ГАЗ-560, детали фильтров грубой очистки топлива: I - для двигателя ЗМЗ-4063, II - для двигателя ГАЗ-560
Привод дроссельных и воздушной заслонок карбюратора двигателя ЗМЗ-4063
Модуль педальный с датчиком положения газ-педали системы управления двигателем ГАЗ-560
Карбюратор, фильтр воздушный, электромагнитный клапан ЭПХХ, клапан рециркуляции с термовакуумным выключателем, шланги вентиляции картера двигателя ЗМЗ-4063
Фильтр воздушный со шлангами, воздухозаборник, шланг вентиляции картера, датчик температуры воздуха системы управления двигателем ГАЗ-560
Труба впускная и коллектор выпускной, турбокомпрессор, клапан рециркуляции, маслопровод к турбокомпрессору и вакуумному насосу двигателя ГАЗ-560
Глушитель, резонатор, трубы глушителя двигателя ЗМЗ-4063
Глушитель, резонатор, трубы глушителя двигателя ГАЗ-560
Радиатор, электровентилятор, датчик включения электровентилятора двигателя ЗМЗ-4063 6-b местного автобуса
Радиатор, кожух вентилятора двигателя ЗМЗ-4063 10-местного автобуса
Радиатор, кожух вентилятора, датчик сигнализатора перегрева охлаждающей жидкости двигателя ГАЗ-560
Расширительный бачок, пробка расширительного бачка: I - для -двигателя ЗМЗ-4063, II - для двигателя ГАЗ-560
Насос водяной двигателя ЗМЗ-4063 6-местного автобуса, ремень привода водяного насоса, термостат, датчики указателя температуры и сигнализатора перегрева охлаждающей жидкости, датчик температуры охлаждающей жидкости системы управления зажиганием двигателя
Вентилятор, насос водяной двигателя ЗМЗ-4063 10-местного автобуса
Насос водяной с термостатом, датчик указателя температуры охлаждающей жидкости и датчик температуры охлаждающей жидкости системы управления двигателем ГАЗ-560
Сцепление двигателя ЗМЗ-4063
Сцепление двигателя ГАЗ-560
Главный цилиндр и рабочий цилиндр привода выключения сцепления, главный цилиндр тормозов с вакуумным усилителем, кронштейн с педалями: I - для автомобилей с двигателем ЗМЗ-4063, II - для автомобилей с двигателем ГАЗ-560
Педали сцепления и тормоза, выключатель сигнала торможения
Детали главного и рабочего цилиндров привода выключения сцепления: I - для автомобилей с двигателем ЗМЗ-4063, II - для автомобилей с двигателем ГАЗ-560
Коробка передач, рычаг переключения передач: I - для автомобилей с двигателем ЗМЗ-4063, II - для автомобилей с двигателем ГАЗ-560
Валы и шестерни коробки передач
Передний и задний картеры, механизм переключения коробки передач, выключатель света заднего хода
Карданная передача трансмиссии
Мост задний, картер моста, полуоси
Редуктор моста, картер редуктора, шестерни главной передачи, дифференциал
Рама: I - для автомобилей с двигателем ЗМЗ-4063, II - для автомобилей с двигателем ГАЗ-560
Буфер передний, переднее буксирное устройство
Буфер задний, световозвращатели
Передняя подвеска, стабилизатор поперечной устойчивости
Рычаги в сборе, пружина, амортизатор, поперечина передней подвески
Рычаги, сайлентблоки рычагов, верхний шарнир передней подвески
Рессора задней подвески
Амортизатор задней подвески
Задний стабилизатор поперечной устойчивости
Колеса, шины, крепление запасного колеса: I - для автобусов, II - для автомобиля-фургона
Рулевое колесо автобусов, колонка рулевого управления с кожухами, переключатели стеклоочистителя и указателей поворота, выключатель зажигания (приборов и стартера)
Рулевое колесо автомобиля-фургона, вал рулевого управления с подшипниками, кронштейн рулевой колонки
Механизм рулевого управления в сборе, вал карданный рулевой колонки автомобиля без гидроусилителя
Механизм рулевого управления автомобиля без гидроусилителя
Механизм рулевого управления со встроенным гидроусилителем, вал карданный рулевой колонки, насос, бачок и шланги рулевого гидроусилителя
Рулевая трапеция, рычаги маятниковые с осями, шарниры и рулевые тяги
Ступица заднего колеса с тормозным барабаном, тормоз колодочный задний
Колесный цилиндр, щит и колодки заднего тормоза, разжимной механизм стояночного тормоза
Ступица переднего колеса с тормозным диском, скоба передних дисковых тормозов, стойка с цапфой, нижний шарнир передней подвески
Корпус и основание скобы, колодки с накладкой передних дисковых тормозов
Детали главного цилиндра тормозов, датчик аварийного уровня тормозной жидкости
Трубопроводы тормозной системы
Рычаг и привод стояночного тормоза, выключатель сигнализатора рабочего положения стояночного тормоза
Детали вакуумного усилителя тормозов
Регулятор давления тормозов, привод регулятора
Генератор двигателя ЗМЗ-4063
Генератор с вакуумным насосом, ремень привода навесных агрегатов двигателя ГАЗ-560
Батарея аккумуляторная автомобилей с двигателем ЗМЗ-4063, выключатель батареи, блок предохранителей
Батарея аккумуляторная автомобилей с двигателем ГАЗ-560, выключатель батареи, блок предохранителей
Стартеры: I - для двигателя ЗМЗ-4063, II -для двигателя ГАЗ-560
Фары, указатели поворота, блок плафонов, фонарь освещения под капотом, звуковой сигнал
Фонари задние, фонарь дополнительного сигнала торможения, светильники салона, плафон грузового отсека, плафон освещения подножки, люк крыши: I - для 6-и местного автобуса, II - для 10-и местного автобуса, III- для автомобиля-фургона
Жгуты проводов с блоками предохранителей, выключатель зажигания, центральный переключатель освещения, переключатель стеклоочистителя и указателей поворота, выключатели на панели приборов автобусов с двигателем ЗМЗ-4063
Жгуты проводов с блоками предохранителей, выключатель приборов и стартера, центральный переключатель освещения, переключатели стеклоочистителя и указателей поворота, выключатели на панели приборов автомобиля-фургона с двигателем ГАЗ-560
Электропровода
Блок управления зажиганием, электромагнитный клапан ЭПХХ, датчик абсолютного давления, датчик детонации системы управления зажиганием двигателя ЗМЗ-4063, реле стартера
Блок управления двигателем, реле, предохранители, датчик температуры воздуха системы управления двигателем ГАЗ-560, реле стартера
Клапан электромагнитный системы рециркуляции, датчик давления наддува, жгуты и провода системы управления двигателем ГАЗ-560
Панель с приборами, комбинация приборов, блоки предохранителей: I - для автобусов, II - для автомобиля-фургона
Датчики контрольно-измерительных приборов, датчики системы управления зажиганием двигателя ЗМЗ-4063, выключатель света заднего хода на коробке передач
Датчики контрольно-измерительных приборов, датчики системы управления двигателем ГАЗ-560
Радиооборудование: I - для 6-местного автобуса, II - для 10-местного автобуса и автомобиля-фургона
Инструмент и принадлежности
Подшипники, Шарики
Ролики, Манжеты резиновые армированные для валов, Шланги резиновые
Лампы накаливания (12В)
24-1001050-Б
252137-П2
293368-П29
252156-П2
252156-П2
252136-П2
252039-П29
560.1002344
560.1002343
330242-2801380
3302-1001159
3302-1001159
3306-1001020-01
3306-1001020-01
24-1001050-Б
201497-П29
24-1001037
24-1001037
330242-1001012
330242-1001012
330242-1001013
330242-1001013
250515-П29
250512-П29
250512-П29
290553-71
290553-71
201500-П29
201499-П29
Позиция на иллюстрации
Заводской номер детали
Название детали
24-1001050-Б
24-1001050-Б
Подушка опоры двигателя задняя
252137-П2
252137-П2
Шайба 12.ОТ ОСТ 37.001.115-75
293368-П29
293368-П29
Шайба 12,5
252156-П2
252156-П2
Шайба 10Л ОСТ 37.001.115-75
252136-П2
252136-П2
Шайба 10 ОТ ОСТ 37.001.115-75
252039-П29
252039-П29
Шайба 10 ОСТ 37.001.144-96
560.1002344
560.1002344
Серьга (2203501/О)
560.1002343
560.1002343
Серьга (2040070/1)
330242-2801380
330242-2801380
Поперечина передней подвески двигателя
3302-1001159
3302-1001159
Поперечина задней опоры двигателя
3302-1001159
3302-1001159
Поперечина задней опоры двигателя
3306-1001020-01
3306-1001020-01
Подушка подвески двигателя передняя
3306-1001020-01
3306-1001020-01
Подушка подвески двигателя передняя
24-1001050-Б
24-1001050-Б
Подушка опоры двигателя задняя
201497-П29
201497-П29
Болт М10-6gх25 ОСТ 37.001.123-96
24-1001037
24-1001037
Ограничитель
24-1001037
24-1001037
Ограничитель
330242-1001012
330242-1001012
Кронштейн двигателя со штифтом правый
330242-1001012
330242-1001012
Кронштейн двигателя со штифтом правый
330242-1001013
330242-1001013
Кронштейн двигателя со штифтом левый
330242-1001013
330242-1001013
Кронштейн двигателя со штифтом левый
22171-1000300
22171-1000300
Двигатель ГАЗ-560 с коробкой передач
22171-1000300
22171-1000300
Двигатель ГАЗ-560 с коробкой передач
250515-П29
250515-П29
Гайка М12х1,25-6Н ОСТ 37.001.124-93
250512-П29
250512-П29
Гайка М10-6Н ОСТ 37.001.124-93
290553-71
290553-71
Болт М8х 20 (3802419/0)
201500-П29
201500-П29
Болт М10-6gх32 ОСТ 37.001.123-96
201499-П29
201499-П29
Болт М10-6gх30 ОСТ 37.001.123-96
Содержащиеся в справочниках-каталогах запасные части и детали не предлагаются к продаже, а носят исключительно информационный характер
Дополнительная информация
×
Название:
Номер:
Примечание: