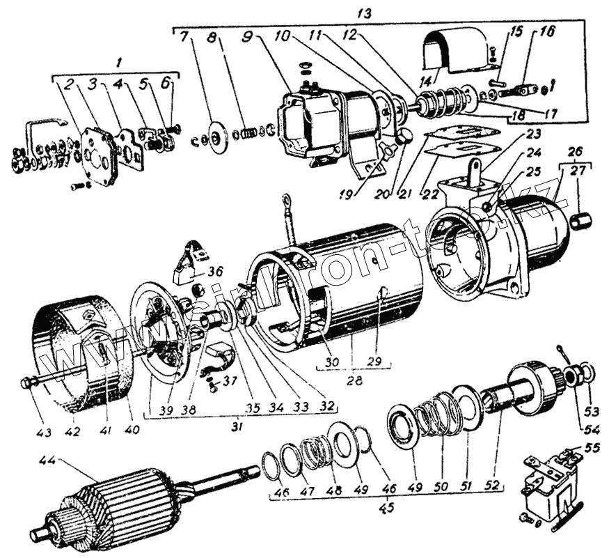
Каталог запасных частей к технике: ГАЗ-21. Стартер
1
2
3
4
5
6
7
8
9
10
11
12
13
14
15
16
17
18
19
20
21
22
23
24
25
26
27
28
29
30
31
32
33
34
35
36
37
38
39
40
41
42
43
44
45
46
46
47
48
49
49
50
51
52
53
54
55
| Позиция на иллюстрации | Заводской номер детали | Название детали | |
|---|---|---|---|
| СТ8-3708622 | СТ8-3708622 | Вкладыш привода | |
| 220103-П8 | 220103-П8 | Винт М6х1х12 | |
| Х9-10-81Д | Х9-10-81Д | Шплинт | |
| Х-404 | Х-404 | Шплинт | |
| Х-1482 | Х-1482 | Шайба 6Т пружинная | |
| 252234-П8 | 252234-П8 | Шайба 6 пружинная | |
| Х-1482 | Х-1482 | Шайба 6Т пружинная | |
| СТ21-3708150 | СТ21-3708150 | Катушка № 3 и № 4 в сборе | |
| РС14-3708120 | РС14-3708120 | Катушка реле в сборе | |
| МХ-0169 | МХ-0169 | Гайка | |
| Х-4001 | Х-4001 | Шайба 5Т пружинная | |
| 1 | РС14-3708030 | Крышка реле в сборе | |
| 2 | РС14-3708002 | Прокладка | |
| 3 | РС14-3708033 | Прокладка изоляционная | |
| 4 | РС14-3708035 | Контакт гибкий | |
| 5 | РС14-3708032 | Болт контактный | |
| 6 | МХ-0799 | Болт клеммы К3 | |
| 7 | РС6-3708030 | Диск контактный в сборе | |
| 8 | РС14-3708007 | Пружина диска | |
| 9 | РС14-3708100 | Ярмо электромагнитное с кожухом в сборе | |
| 10 | СТ21-3708007 | Прокладка | |
| 11 | РС14-3708003 | Чашка пружины | |
| 12 | РС14-3708010 | Якорь со штоком в сборе | |
| 13 | РС14-3708000 | Реле электромагнитное стартера в сборе | |
| 14 | СТ21-3708016 | Кожух защитный | |
| 15 | СТ21-3708002 | Штифт | |
| 16 | РС14-3708020 | Винт регулировочный в сборе | |
| 17 | РС14-3708005 | Шайба специальная пружины | |
| 18 | РС14-3708004 | Пружина якоря | |
| 19 | МХ-0287 | Шайба замковая | |
| 20 | МХ-0032 | Болт крепления реле | |
| 21 | СТ21-3708015 | Прокладка защитного кожуха нижняя | |
| 22 | СТ21-3708017 | Прокладка защитного кожуха | |
| 23 | СТ21-3708020 | Рычаг привода стартера | |
| 24 | 8Х-1533 | Гайка М6-6Н | |
| 25 | СТ21-3708014 | Ось рычага привода стартера | |
| 26 | СТ21-3708400-Б | Крышка стартера со стороны привода в сборе | |
| 27 | СЛ-138-88 | Втулка крышки со стороны привода | |
| 28 | СТ21-3708100 | Корпус стартера в сборе | |
| 29 | Х1-9449 | Винт крепления полюса | |
| 30 | СТ21-3708120 | Катушка № 1 и № 2 в сборе | |
| 31 | СТ21-3708300 | Крышка со стороны коллектора в сборе | |
| 32 | СТ21-3708307 | Колодка тормоза | |
| 33 | СТ21-3708308 | Пружина тормоза | |
| 34 | МХ-0787 | Шайба упорная | |
| 35 | МХ-0788 | Шайба упорная | |
| 36 | 1-МАФ-13 | Щетка стартера в сборе на массу | |
| 37 | 7Х-1542 | Винт присоединения щетки | |
| 38 | СТ28-3708403 | Вкладыш | |
| 39 | СТ21-3708304 | Пружина щетки | |
| 40 | СТ28-3708043 | Прокладка | |
| 41 | МХ-0278 | Винт | |
| 42 | СТ28-3708042 | Лента защитная | |
| 43 | 1-МВВ-20 | Шпилька стяжная стартера | |
| 44 | СТ21-3708200 | Якорь стартера в сборе | |
| 45 | СТ21-3708600 | Привод стартера в сборе | |
| 46 | СТ21-3708602 | Кольцо запорное | |
| 47 | МХ-0947 | Упорная шайба | |
| 48 | СТ21-3708604 | Пружина | |
| 49 | СТ21-3708601 | Втулка отводки | |
| 50 | СТ21-3708603 | Буферная пружина | |
| 51 | СТ21-3708608 | Чашка упорная привода стартера большая | |
| 52 | СТ21-3708610 | Втулка направляющая с шестерней в сборе | |
| 53 | МХ-0107 | Шайба упорная | |
| 54 | СТ21-3708005 | Гайка якоря упорная | |
| 55 | РС24-Б | Реле включения стартера в сборе |
Содержащиеся в справочниках-каталогах запасные части и детали не предлагаются к продаже, а носят исключительно информационный характер