Каталог запасных частей к технике: ГАЗ-21. Реле-регулятор
1
2
3
4
5
6
7
8
9
10
11
12
13
14
15
16
17
18
19
20
21
22
| Позиция на иллюстрации | Заводской номер детали | Название детали | |
|---|---|---|---|
| РР24-3702418 | РР24-3702418 | Пружина | |
| 7Х-1497 | 7Х-1497 | Шайба | |
| МХ-0284 | МХ-0284 | Шайба изоляционная | |
| МХ-0741 | МХ-0741 | Шайба пружинная | |
| Х-4001 | Х-4001 | Шайба 5Т пружинная | |
| Х-4452 | Х-4452 | Шайба изоляционная | |
| 8Х-1541 | 8Х-1541 | Винт | |
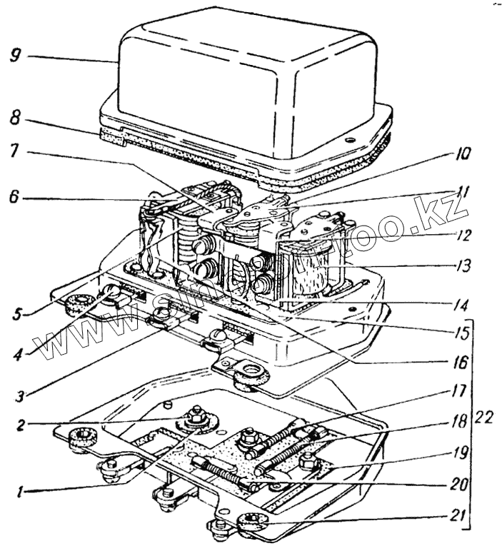
| 1 | МХ-0547 | Шайба | |
| 2 | Х-4003 | Гайка М5-6Н | |
| 3 | ВК-14-3708053 | Шайба специальная | |
| 4 | 7Х-1598 | Винт М5-8hх12 | |
| 5 | РР24-3702200 | Реле обратного тока в сборе | |
| 6 | РР24-3702205 | Якорь реле обратного тока в сборе | |
| 7 | РР24-3702320 | Держатель контакта ограничителя тока в сборе | |
| 8 | РР24-3702008 | Прокладка уплотнительная | |
| 9 | РР24-3702003 | Крышка | |
| 10 | РР24-3702300 | Ограничитель тока в сборе | |
| 11 | РР24-3702420 | Якорь регулятора напряжения в сборе | |
| 12 | РР24-3702440 | Держатель с контактом в сборе | |
| 13 | РР24-3702400 | Регулятор напряжения в сборе | |
| 14 | РР20-3702419 | Прокладка изоляционная | |
| 15 | РР24-3702105 | Пластина изоляционная верхняя | |
| 16 | РР24-3702217 | Держатель с контактом в сборе | |
| 17 | РР24-3702547 | Сопротивление 13 Ом в сборе | |
| 18 | РР24-3702542 | Сопротивление 80 Ом в сборе | |
| 19 | РР24-3702119 | Пластина изоляционная нижняя | |
| 20 | РР24-3702541 | Сопротивление 30 Ом в сборе | |
| 21 | РР20-3702020 | Амортизатор в сборе | |
| 22 | РР24-3702100 | Основание в сборе |
Содержащиеся в справочниках-каталогах запасные части и детали не предлагаются к продаже, а носят исключительно информационный характер