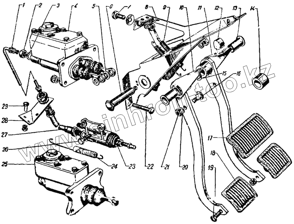
Каталог запасных частей к технике: ГАЗ-21. Привод выключения сцепления и тормозная педаль
1
2
3
4
5
6
6
7
8
8
9
9
10
11
12
12
13
13
14
15
15
16
16
17
18
18
19
19
20
21
22
22
23
24
25
26
27
28
29
| Позиция на иллюстрации | Заводской номер детали | Название детали | |
|---|---|---|---|
| 252136-П2 | 252136-П2 | Шайба 10 ОТ ОСТ 37.001.115-75 | |
| 201495-П8 | 201495-П8 | Болт М10-6gх20 | |
| 252155-П2 | 252155-П2 | Шайба 8Л ОСТ 37.001.115-75 | |
| 252155-П2 | 252155-П2 | Шайба 8Л ОСТ 37.001.115-75 | |
| 252135-П2 | 252135-П2 | Шайба 8Т ОСТ 37.001.115-75 | |
| 252134-П2 | 252134-П2 | Шайба 6Т ОСТ 37.001.115-75 | |
| 252239-П8 | 252239-П8 | Шайба 16 пружинная | |
| 252156-П2 | 252156-П2 | Шайба 10Л ОСТ 37.001.115-75 | |
| 252039-П | 252039-П | Шайба 10 | |
| 252156-П2 | 252156-П2 | Шайба 10Л ОСТ 37.001.115-75 | |
| 252136-П2 | 252136-П2 | Шайба 10 ОТ ОСТ 37.001.115-75 | |
| 250636-П8 | 250636-П8 | Гайка М16х1,5 | |
| 250613-П8 | 250613-П8 | Гайка М10х1 | |
| 252039-П2 | 252039-П2 | Шайба 10,5 | |
| 250789-П4 | 250789-П4 | Гайка 1М8 болта крепления площадки к педали сцепления | |
| 250789-П8 | 250789-П8 | Гайка 1М8х1 | |
| 250612-П8 | 250612-П8 | Гайка М10 | |
| 250612-П8 | 250612-П8 | Гайка М10 | |
| 250512-П8 | 250512-П8 | Гайка М10-6Н | |
| 250764-П8 | 250764-П8 | Гайка М6х1 | |
| 21-3504007-Б | 21-3504007-Б | Педаль тормоза с кронштейном в сборе | |
| 1 | 21А-1602580-Б | Трубка от главного цилиндра к кронштейну гибкого шланга в сборе | |
| 2 | 20-3506005 | Штуцер | |
| 3 | 51-3506013 | Прокладка | |
| 4 | 21А-3505010 | Главный цилиндр тормоза и выключения сцепления в сборе | |
| 5 | 21-3504039 | Втулка оси толкателя | |
| 6 | 21-3504020 | Ось педалей сцепления и тормоза | |
| 6 | 21-3504020 | Ось педалей сцепления и тормоза | |
| 7 | 201495-П8 | Болт М10-6gх20 | |
| 8 | 21-3504050-Б | Кронштейн педали тормоза в сборе | |
| 8 | 21-3504050 | Кронштейн педалей сцепления и тормоза в сборе | |
| 9 | М-2059-С | Пружина оттяжная педали | |
| 9 | М-2059-С | Пружина оттяжная педали | |
| 10 | 21А-1602410 | Педаль сцепления в сборе | |
| 11 | 21А-3504010 | Педаль тормоза в сборе | |
| 12 | 21-3504018 | Буфер | |
| 12 | 21-3504018 | Буфер | |
| 13 | 21А-1602468 | Втулка оси рычагов | |
| 13 | 21А-1602468 | Втулка оси рычагов | |
| 14 | 21-3504022-Б | Втулка распорная | |
| 15 | 21-3504024 | Шайба упорная | |
| 15 | 21-3504024 | Шайба упорная | |
| 16 | 21-3504038 | Ось толкателя педали | |
| 16 | 21-3504038 | Ось толкателя педали | |
| 17 | 21-3504040 | Площадка педали тормоза в сборе | |
| 18 | 21А-1602438 | Площадка педалей обрезиненная | |
| 18 | 21А-1602438 | Площадка педалей обрезиненная | |
| 19 | 290646-П4 | Болт 1М8х22 крепления площадки к педали сцепления | |
| 19 | 290646-П8 | Болт 1М8х1х22 | |
| 20 | 252156-П2 | Шайба 10Л ОСТ 37.001.115-75 | |
| 21 | 250613-П8 | Гайка М10х1 | |
| 22 | 200320-П8 | Болт М10-6gх55 | |
| 22 | 200320-П8 | Болт М10-6gх55 | |
| 23 | 21А-1602510 | Цилиндр привода выключения сцепления в сборе | |
| 24 | 21А-1602596 | Пружина оттяжная вилки выключения сцепления | |
| 25 | 21-3505010-Б | Главный цилиндр тормоза в сборе | |
| 26 | 201456-П4 | Болт М8х20 крепления цилиндра, привода выключения сцепления | |
| 27 | 21А-1602590 | Шланг | |
| 28 | 21А-1602584-Б | Кронштейн крепления гибкого шланга привода выключения сцепления | |
| 29 | 201417-П8 | Болт М6х1х14 |
Содержащиеся в справочниках-каталогах запасные части и детали не предлагаются к продаже, а носят исключительно информационный характер