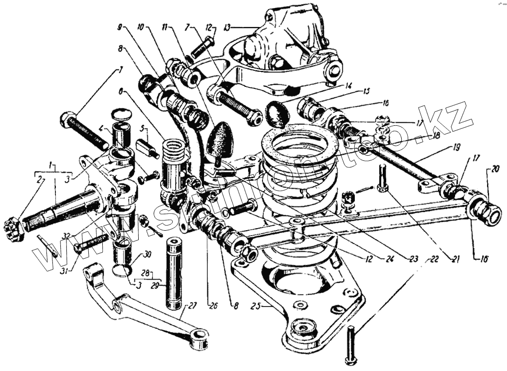
Каталог запасных частей к технике: ГАЗ-21. Передняя подвеска в сборе
1
2
3
3
4
5
6
7
7
8
8
9
10
11
12
12
13
14
15
16
16
17
17
18
19
20
21
22
23
24
25
26
27
28
29
30
31
32
| Позиция на иллюстрации | Заводской номер детали | Название детали | |
|---|---|---|---|
| 252136-П | 252136-П | Шайба диаметром 10 пружинная | |
| 250868-П8 | 250868-П8 | Гайка 1М10х1 | |
| 257853-П | 257853-П | Шплинт-проволока диаметром 1,2х175 | |
| 258070-П | 258070-П | Шплинт 5х40 | |
| 258038-П | 258038-П | Шплинт 2,7х15 | |
| 258040-П | 258040-П | Шплинт 2,7х25 | |
| 252135-П2 | 252135-П2 | Шайба 8Т ОСТ 37.001.115-75 | |
| 252240-П2 | 252240-П2 | Шайба 18 пружинная | |
| 252176-П2 | 252176-П2 | Шайба 10 пружинная | |
| 25663-S2 | 25663-S2 | Шайба 11 пружинная | |
| 20-2902735 | 20-2902735 | Чашка опорная пружины передней подвески левая в сборе | |
| 21-3001031 | 21-3001031 | Рычаг рулевой трапеции - левый | |
| 21-2901015 | 21-2901015 | Подвеска передняя в сборе (без тормозов и колес) | |
| 21-2904033 | 21-2904033 | Ось нижних рычагов передней подвески левая | |
| 20-3001013-Б | 20-3001013-Б | Кулак поворотный со втулками в сборе | |
| 250511-П8 | 250511-П8 | Гайка М8х1 | |
| 250637-П8 | 250637-П8 | Гайка М18 | |
| 250511-П8 | 250511-П8 | Гайка М8х1 | |
| 250977-П8 | 250977-П8 | Гайка 1М12х1,26 | |
| 292801-П8 | 292801-П8 | Гайка 1М11х1 | |
| 292768-П8 | 292768-П8 | Гайка 1М10 специальная | |
| 1 | 20-3001012-Б | Кулак поворотный правый со втулками в сборе | |
| 2 | 292957-П2 | Гайка М24х1,5-4Н5Н | |
| 3 | 11-3109 | Втулка шкворня поворотного кулака | |
| 4 | 290644-П8 | Болт 1М8х1х20 | |
| 5 | 20-3001025 | Штифт стопорный шкворня поворотного кулака | |
| 6 | 20-3001022 | Шайба поворотного кулака регулировочная | |
| 7 | 20-2904068-А | Палец стойки передней подвески резьбовой | |
| 8 | 20-2904092 | Кольцо резьбового пальца передней подвески уплотнительное | |
| 9 | 21-2904056 | Стойка передней подвески | |
| 10 | 21-2904062 | Втулка стойки передней подвески резьбовая | |
| 11 | 20-2902622-А | Буфер хода сжатия передней подвески | |
| 12 | 290763-П | Болт М10х45 резьбовых втулок стяжной | |
| 13 | 21-2905006 | Амортизатор передней подвески в сборе | |
| 14 | 21-2902654 | Упор рамки радиатора | |
| 15 | 21-2904040 | Втулка нижних рычагов передней подвески в сборе | |
| 16 | 20-2904020-Б | Рычаги передней подвески нижние (комплект) | |
| 17 | 20-2904034 | Кольцо защитное оси нижних рычагов передней подвески | |
| 18 | 20-2902730 | Прокладка пружины передней подвески | |
| 19 | 21-2904032 | Ось нижних рычагов передней подвески правая | |
| 20 | 20-2904040 | Втулка резьбовая нижних рычагов передней подвески в сборе | |
| 21 | 290759-П8 | Болт 1М10х35 крепления оси нижних рычагов передней подвески к поперечине | |
| 22 | 205445-П8 | Болт 1М10х1х48 | |
| 23 | 21-2902712 | Пружина передней подвески | |
| 24 | 20-2902620 | Ограничитель хода сжатия передней подвески | |
| 25 | 20-2902734 | Чашка опорная пружины передней подвески правая в сборе | |
| 26 | 21-2904063 | Втулка стойки передней подвески резьбовая эксцентриковая | |
| 27 | 21-3001030 | Рычаг рулевой трапеции - правый | |
| 28 | 21-2900101 | Втулки и шкворни (комплект) для ремонта поворотного кулака | |
| 29 | 21-3001018 | Шкворень поворотного кулака с заглушкой в сборе | |
| 30 | 260313-П | Заглушка 32 ОСТ 37.001.173-82 | |
| 31 | 290917-П8 | Болт 1М12х1,25х50 | |
| 32 | 21-3001020 | Подшипник шкворня поворотного кулака упорный |
Содержащиеся в справочниках-каталогах запасные части и детали не предлагаются к продаже, а носят исключительно информационный характер