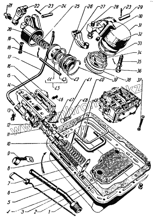
Каталог запасных частей к технике: ГАЗ-21. Механизм управления планетарной передачей
1
2
3
4
5
6
7
8
9
10
11
12
13
14
15
16
17
18
19
20
21
22
23
23
23
24
25
26
27
28
29
30
31
32
33
34
35
36
37
38
39
40
41
42
43
44
45
46
47
48
49
| Позиция на иллюстрации | Заводской номер детали | Название детали | |
|---|---|---|---|
| 250764-П8 | 250764-П8 | Гайка М6х1 | |
| 250612-П | 250612-П | Гайка М10 | |
| 252155-П2 | 252155-П2 | Шайба 8Л ОСТ 37.001.115-75 | |
| 252154-П2 | 252154-П2 | Шайба 6Л ОСТ 37.001.115-75 | |
| 293238-П8 | 293238-П8 | Шайба 6 плоская | |
| 252153-П2 | 252153-П2 | Шайба 5Л ОСТ 37.001.115-75 | |
| 252156-П2 | 252156-П2 | Шайба 10Л ОСТ 37.001.115-75 | |
| 21-1712110 | 21-1712110 | Центробежный регулятор коробки передач в сборе | |
| 21-1712040 | 21-1712040 | Регулятор переключения передач в сборе | |
| 21-1712010 | 21-1712010 | Регулятор давления в сборе | |
| 252157-П2 | 252157-П2 | Шайба 12Л ОСТ 37.001.115-75 | |
| 1 | 21-1710233 | Прокладка поддона | |
| 2 | 21-1704100 | Маслоприемник | |
| 3 | 21-1710225 | Поддон коробки передач в сборе | |
| 4 | 21-1704290 | Указатель уровня масла в сборе | |
| 5 | 21-1704280 | Труба маслоналивная с гайкой в сборе | |
| 6 | 21-1712030 | Пластина упорная пружин регулятора давления | |
| 7 | 21-1712021 | Пружина регулятора питания гидротрансформатора | |
| 8 | 21-1712032 | Шпилька упорной пластины пружин регулятора давления | |
| 9 | 21-1704287 | Кронштейн маслоналивной трубы | |
| 10 | 21-1712028 | Пружина регулятора главного давления коробки передач | |
| 11 | 21-1712020 | Золотник регулятора подпитки гидротрансформатора | |
| 12 | 21-1712024 | Золотник регулятора главного давления коробки передач в сборе | |
| 13 | 201455-П8 | Болт М8-6gх18 | |
| 14 | 21-1712012 | Корпус регулятора давления | |
| 15 | 21-1712018 | Пластина регулятора давления | |
| 16 | 21-1712014 | Крышка корпуса регулятора давления с трубкой в сборе | |
| 17 | 21-1712107 | Трубка маслопровода смазки коробки передач | |
| 18 | 21-1711275 | Трубка маслопроводная | |
| 19 | 201501-П8 | Болт М10-6gх35 | |
| 20 | 21-1711215 | Цилиндр тормоза 2-й передачи | |
| 21 | 242538-П18 | Винт М10х35 | |
| 22 | 21-1711250 | Рычаг тормоза 2-й передачи | |
| 23 | 21-1711255 | Стопор оси | |
| 23 | 21-1711255 | Стопор оси | |
| 24 | 21-1711252 | Ось рычага тормоза 2-й передачи | |
| 25 | 21-1711235 | Пружина цилиндра тормоза 2-й передачи | |
| 26 | 21-1711240 | Крышка цилиндра тормоза 2-й передачи | |
| 27 | 21-1711350 | Рычаг тормоза 1-й передачи и заднего хода | |
| 28 | 21-1711356 | Болт крепления цилиндра тормоза 1-й передачи и заднего хода | |
| 29 | 21-1711352 | Ось рычага тормоза 1-й передачи и заднего хода | |
| 30 | 262531-П8 | Пробка 1/8"-27 коническая масляного канала | |
| 31 | 21-1711315 | Цилиндр тормоза 1-й передачи и заднего хода | |
| 32 | 21-1711325 | Поршень цилиндра тормоза 1-й передачи и заднего хода | |
| 33 | 21-1711328 | Кольцо уплотнительное поршня | |
| 34 | 21-1711335 | Пружина тормоза 1-й передачи и заднего хода | |
| 35 | 21-1711355 | Болт крепления цилиндра тормоза 1-й передачи и заднего хода | |
| 36 | 21-1711340 | Крышка цилиндра тормоза 1-й передачи и заднего хода | |
| 37 | 200216-П8 | Болт М6х42 крепления регулятора к картеру коробки передач | |
| 38 | 21-1711342 | Кольцо стопорное крышки цилиндра тормоза 1-й передачи и заднего хода | |
| 39 | 21-1711245 | Кольцо стопорное крышки цилиндра 2-й передачи | |
| 40 | 21-1712106 | Трубка соединительная регуляторов коробки передач | |
| 41 | 21-1712034 | Тарелка клапана переднего насоса коробки передач | |
| 42 | 21-1711242 | Кольцо уплотнительное крышки цилиндра | |
| 43 | 21-1711228 | Кольцо уплотнительное поршня тормоза 2-й передачи | |
| 44 | 21-1711232 | Кольцо уплотнительное поршня тормоза 2-й передачи | |
| 45 | 21-1711220 | Поршень тормоза 2-й передачи в сборе | |
| 46 | 222501-П8 | Винт М5х18 | |
| 47 | 21-1712031 | Штырь упорной пластины | |
| 48 | 21-1712035 | Пружина клапана переднего насоса коробки передач | |
| 49 | 21-1712105 | Трубка соединительная регуляторов коробки передач |
Содержащиеся в справочниках-каталогах запасные части и детали не предлагаются к продаже, а носят исключительно информационный характер