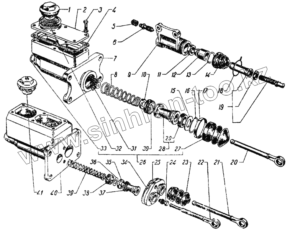
Каталог запасных частей к технике: ГАЗ-21. Главный цилиндр тормоза
1
2
3
4
5
6
7
8
9
10
11
12
13
14
15
16
17
18
19
20
21
22
23
23
24
25
26
27
28
29
30
31
32
33
34
35
36
37
38
39
40
41
| Позиция на иллюстрации | Заводской номер детали | Название детали | |
|---|---|---|---|
| 21А-1602524 | 21А-1602524 | Наконечник толкателя | |
| ВК-21А-3500105 | ВК-21А-3500105 | Комплект детален для главного цилиндра тормоза | |
| 252135-П2 | 252135-П2 | Шайба 8Т ОСТ 37.001.115-75 | |
| 21А-1602522 | 21А-1602522 | Толкатель вилки выключения сцепления | |
| 252134-П2 | 252134-П2 | Шайба 6Т ОСТ 37.001.115-75 | |
| 1 | 51-3505075 | Пробка наливная главного цилиндра тормоза в сборе | |
| 2 | 51-3505006 | Крышка картера главного цилиндра тормоза | |
| 3 | 201418-П2 | Болт М6х16 | |
| 4 | 51-3505007 | Прокладка крышки картера главного цилиндра тормоза | |
| 5 | 12-3501049 | Колпачок перепускного клапана колесного цилиндра тормоза защитный | |
| 6 | 12-3501048 | Клапан | |
| 7 | 21-3505015 | Картер главного цилиндра тормоза | |
| 8 | 51-3505031 | Пружина возвратная поршня главного цилиндра тормоза | |
| 9 | 21А-1602512 | Цилиндр | |
| 10 | 51-3505022 | Держатель возвратной пружины поршня главного цилиндра тормоза | |
| 11 | 21А-1602516 | Манжета | |
| 12 | 21А-1602514 | Поршень цилиндра привода выключения сцепления | |
| 13 | 11-7544 | Кольцо стопорное | |
| 14 | 21А-1602528 | Колпак | |
| 15 | 51-3505048 | Шайба упорная поршня | |
| 16 | 51-3505038 | Кольцо | |
| 17 | 51-3505046 | Кольцо стяжное защитного колпака главного цилиндра тормоза | |
| 18 | 257824-П | Шплинт-проволока диаметром 0,8х150 защитного колпака | |
| 19 | 21А-1602520 | Толкатель вилки выключения сцепления в сборе | |
| 20 | 21-3505060-Б | Толкатель поршня главного цилиндра тормоза | |
| 21 | 21А-3505060 | Толкатель поршня главного цилиндра тормоза | |
| 22 | 21А-1602568 | Толкатель поршня главного цилиндра выключения сцепления | |
| 23 | 21А-3505065 | Колпак защитный главного цилиндра | |
| 23 | 21А-3505065 | Колпак защитный главного цилиндра | |
| 24 | 201457-П8 | Болт М8-6gх22 | |
| 25 | 21А-3505048 | Крышка упорная поршня главного цилиндра тормоза и выключения сцепления | |
| 26 | ВК-21-3500105 | Комплект деталей для главного цилиндра тормоза | |
| 27 | 21-3505065 | Колпак защитный | |
| 28 | 12-3505028 | Поршень главного цилиндра тормоза в сборе | |
| 29 | 12-3501051 | Манжета уплотнительная | |
| 30 | 51-3505035 | Манжета | |
| 31 | 51-3505020 | Клапан главного цилиндра тормоза в сборе | |
| 32 | 51-3505058 | Прокладка наливной пробки | |
| 33 | 51-3506013 | Прокладка | |
| 34 | 21А-3505049 | Прокладка упорной крышки | |
| 35 | 21А-1602546 | Поршень главного цилиндра выключения сцепления | |
| 36 | 21А-1602552 | Клапан поршня главного цилиндра выключения сцепления | |
| 37 | 21А-1602548 | Манжета уплотнительная поршня главного цилиндра выключения сцепления | |
| 38 | 21А-1602554 | Манжета уплотнительная внутренняя главного цилиндра выключения сцепления | |
| 39 | 21А-1602560 | Пружина возвратная поршня главного цилиндра выключения сцепления в сборе | |
| 40 | 21А-3505015 | Картер главного цилиндра тормоза и выключения сцепления | |
| 41 | 21А-3505075 | Пробка наливная главного цилиндра тормоза в сборе |
Содержащиеся в справочниках-каталогах запасные части и детали не предлагаются к продаже, а носят исключительно информационный характер