Каталог запасных частей к технике: ГАЗ-21. Фильтр масляный тонкой очистки
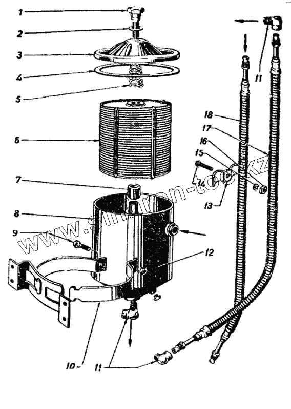
1
2
3
4
5
6
7
8
9
10
11
11
12
13
14
15
16
17
18
| Позиция на иллюстрации | Заводской номер детали | Название детали | |
|---|---|---|---|
| 21-1017010 | 21-1017010 | Фильтр масляный тонкой очистки в сборе | |
| 1 | 51-1017026 | Болт стяжной крышки масляного фильтра тонкой очистки | |
| 2 | 297216-П | Шайба 16 | |
| 3 | 51-1017025-Б | Крышка масляного фильтра тонкой очистки | |
| 4 | 51-1017065-Б | Прокладка крышки масляного фильтра тонкой очистки | |
| 5 | 51-1017028 | Пружина распорная масляного фильтра тонкой очистки | |
| 6 | 51-1017035-А3 | Элемент фильтрующий масляного фильтра тонкой очистки в сборе (АСФО-2) | |
| 7 | 51-1017067 | Трубка распорная фильтрующего элемента масляного фильтра тонкой очистки | |
| 8 | 21Б-1017015 | Корпус масляного фильтра тонкой очистки в сборе | |
| 9 | 201482-П8 | Болт М8х1-6gх35 | |
| 10 | 20-1017087 | Хомут крепления масляного фильтра тонкой очистки | |
| 11 | 298493-П | Штуцер 1/4"-18 угловой | |
| 12 | 251107-П8 | Гайка 1М8х1 | |
| 13 | 63-1013119 | Скоба соединительная шлангов масляного фильтра тонкой очистки | |
| 14 | 220109-П8 | Винт М6х1х25 | |
| 15 | 252134-П2 | Шайба 6Т ОСТ 37.001.115-75 | |
| 16 | 251104-П8 | Гайка М6х1 | |
| 17 | 20-1017124 | Шланг выпускной масляного фильтра тонкой очистки в сборе | |
| 18 | 21Б-1017124 | Шланг масляного фильтра тонкой очистки впускной в сборе |
Содержащиеся в справочниках-каталогах запасные части и детали не предлагаются к продаже, а носят исключительно информационный характер