Каталог запасных частей к технике: ГАЗ-21. Дверь передняя
1
2
3
4
5
6
7
8
9
10
11
12
13
14
15
16
17
18
19
20
21
22
23
24
25
26
27
28
| Позиция на иллюстрации | Заводской номер детали | Название детали | |
|---|---|---|---|
| 252264-П8 | 252264-П8 | Шайба 8 | |
| 21А-6102010 | 21А-6102010 | Обивка передней двери в сборе комплект - правая | |
| 21-6101561 | 21-6101561 | Облицовка порога передней двери - левая | |
| 21-6106011 | 21-6106011 | Петля передней двери с кронштейном в сборе - левая | |
| 21-6106101-Б | 21-6106101-Б | Фиксатор передней двери в сборе - левый | |
| 252136-П2 | 252136-П2 | Шайба 10 ОТ ОСТ 37.001.115-75 | |
| 252263-П8 | 252263-П8 | Шайба 6 пружинная | |
| 293226-П8 | 293226-П8 | Шайба 6 пружинная | |
| 252264-П8 | 252264-П8 | Шайба 8 | |
| 290271-П8 | 290271-П8 | Винт М4х5,5 | |
| 293226-П8 | 293226-П8 | Шайба 6 пружинная | |
| 258000-П | 258000-П | Шплинт 1,5х10 | |
| 240276-П8 | 240276-П8 | Шуруп 3,5х6 | |
| 240818-П27 | 240818-П27 | Шуруп по металлу 4х12 | |
| 240219-П8 | 240219-П8 | Шуруп по металлу 4х15 | |
| 240820-П8 | 240820-П8 | Винт 4х18 | |
| 240816-П8 | 240816-П8 | Винт М4х6 | |
| 21-6100011-Б | 21-6100011-Б | Дверь передняя в сборе с арматурой и стеклами, окрашенная и обитая - левая | |
| 21А-6102011 | 21А-6102011 | Обивка передней двери в сборе комплект - левая | |
| 240817-П8 | 240817-П8 | Винт 4х10 | |
| 291684-П8 | 291684-П8 | Винт М6х1х35 | |
| 250789-П8 | 250789-П8 | Гайка 1М8х1 | |
| 250764-П8 | 250764-П8 | Гайка М6х1 | |
| 261853-П9 | 261853-П9 | Гвоздь диаметром 1,6х12 обойный крепления канта проема | |
| 21-6100010-Б | 21-6100010-Б | Дверь передняя в сборе с арматурой и стеклами, окрашенная и обитая - правая | |
| 21-6100015 | 21-6100015 | Дверь передняя в сборе сварка - левая | |
| 21-6100015-Б | 21-6100015-Б | Дверь передняя в сборе сварка - левая | |
| 21-6100014-Б | 21-6100014-Б | Дверь передняя в сборе сварка - правая | |
| 21-6107022 | 21-6107022 | Держатель крепления уплотнителя | |
| 21-6102093 | 21-6102093 | Держатель обивки передней двери - левый | |
| 21-6101518 | 21-6101518 | Держатель поясного молдинга | |
| 21-6101489 | 21-6101489 | Молдинг передней двери нижний - левый | |
| 21-6101481-А1 | 21-6101481-А1 | Молдинг передней двери поясной - левый (комплект) | |
| 21-6102011 | 21-6102011 | Обивка передней двери в сборе комплект - левая | |
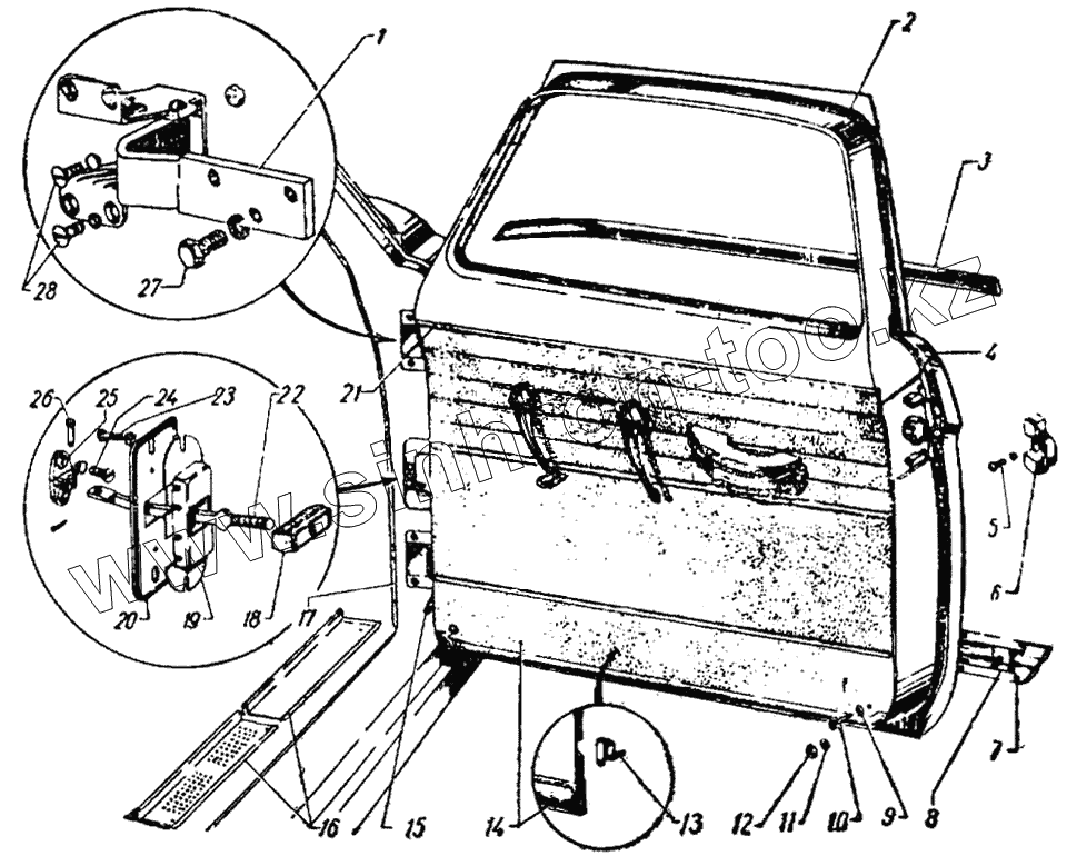
| 1 | 21-6106010 | Петля передней двери с кронштейном в сборе - правая | |
| 2 | 21-6107020-А | Уплотнитель фланца передней двери | |
| 3 | 21-6101480-А1 | Молдинг передней двери поясной - правый (комплект) | |
| 4 | 21-6100014 | Дверь передняя в сборе сварка - правая | |
| 5 | 223153-П29 | Винт 1М8х22 крепления фиксатора | |
| 6 | 21-6106100-Б | Фиксатор двери в сборе - правый | |
| 7 | 21-6101488 | Молдинг передней двери нижний - правый | |
| 8 | 21-8403120 | Держатель молдинга | |
| 9 | 293158-П | Шайба 4 | |
| 10 | 241820-П13 | Винт М4х8 | |
| 11 | 252233-П8 | Шайба 5 пружинная | |
| 12 | 250763-П8 | Гайка М5х0,8 | |
| 13 | 21-6102080 | Пистон крепления обивки в сборе | |
| 14 | 21-6102010 | Обивка передней двери в сборе комплект - правая | |
| 15 | 21-6107028 | Уплотнитель торца передней двери | |
| 16 | 21-6101560 | Облицовка порога передней двери - правая | |
| 17 | 21-6107048 | Кант проема передней двери в сборе | |
| 18 | 30-6106086 | Буфер ограничителя двери | |
| 19 | 21-6106180 | Стопор ограничителя передней двери в сборе | |
| 20 | 21-0106192 | Облицовка ограничителя передней двери | |
| 21 | 21-6102092 | Держатель обивки передней двери - правый | |
| 22 | 21-6106090 | Рычаг ограничителя передней двери | |
| 23 | 224624-П8 | Винт М6-6gх14 | |
| 24 | 221605-П8 | Винт М6х16 | |
| 25 | 32-6106088 | Кронштейн ограничителя передней двери | |
| 26 | 260009-П8 | Палец 6х14 крепления рычага ограничителя | |
| 27 | 290754-П8 | Болт М10х1-6gх28 | |
| 28 | 221691-П8 | Винт 1М8х18 |
Содержащиеся в справочниках-каталогах запасные части и детали не предлагаются к продаже, а носят исключительно информационный характер