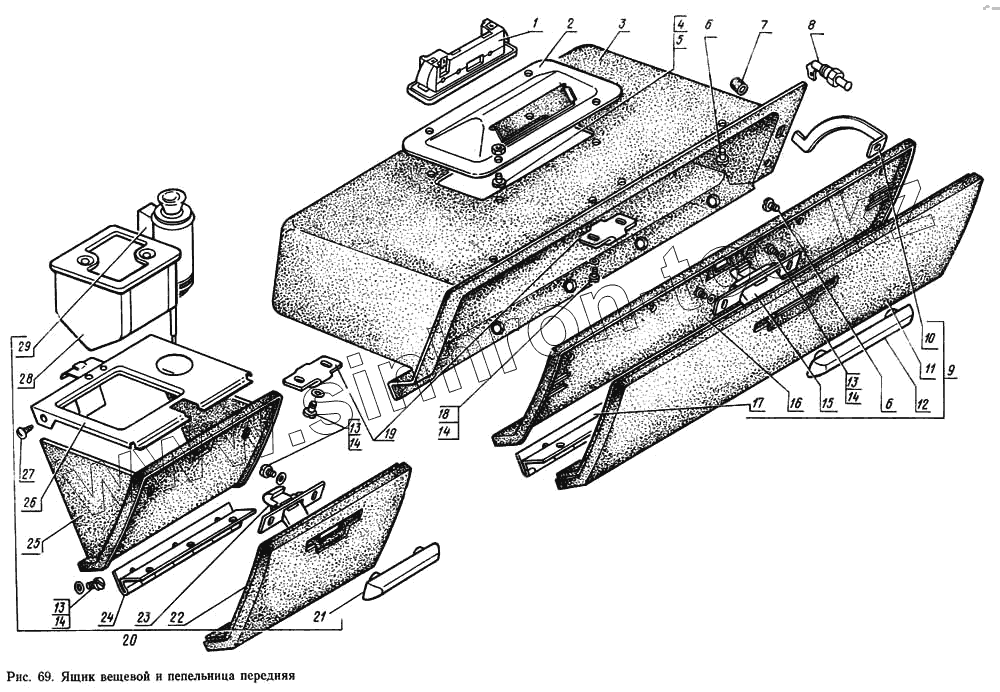
Каталог запасных частей к технике: ГАЗ-14 (Чайка). Ящик вещевой и пепельница передняя
1
2
3
4
5
6
6
6
7
8
9
10
11
12
13
13
13
14
14
14
14
15
16
17
18
19
20
21
22
23
24
25
26
27
28
29
| Позиция на иллюстрации | Заводской номер детали | Название детали | |
|---|---|---|---|
| 1 | 14-3714012 | Плафон ПК142 | |
| 2 | 14-5303128 | Кронштейн плафона освещения вещевого ящика | |
| 3 | 14-5303110 | Ящик вещевой | |
| 4 | 224570-П29 | Винт М4-6gх8 ОСТ 37.001.130-81 | |
| 5 | 250762-П29 | Гайка М4 | |
| 6 | 14-5303300 | Винт М5х10 | |
| 6 | 14-5303300 | Винт М5х10 | |
| 6 | 14-5303300 | Винт М5х10 | |
| 7 | 52-5303098-7 | Буфер ограничителя | |
| 8 | ВК-409 | Выключатель освещения вещевого ящика (24-3803130) | |
| 9 | 14-5303008 | Дверца вещевого ящика с арматурой в сборе | |
| 10 | 14-5303096 | Ограничитель дверцы | |
| 11 | 14-5303016 | Дверца вещевого ящика в сборе | |
| 12 | 14-5303108 | Ручка дверцы вещевого ящика | |
| 13 | 224597-П29 | Винт М5-6gх10 ОСТ 37.001.130-81 | |
| 13 | 224597-П29 | Винт М5-6gх10 ОСТ 37.001.130-81 | |
| 14 | 252273-П29 | Шайба 5 ОСТ 37.001.146-75 | |
| 14 | 252273-П29 | Шайба 5 ОСТ 37.001.146-75 | |
| 14 | 252273-П29 | Шайба 5 ОСТ 37.001.146-75 | |
| 15 | 14-5303052 | Замок дверцы вещевого ящика в сборе | |
| 16 | 14-5303028 | Облицовка дверцы вещевого ящика | |
| 17 | 14-5303032 | Петля дверцы вещевого ящика в сборе | |
| 18 | 224598-П29 | Винт М5-6gх12 ОСТ 37.001.130-81 | |
| 19 | 14-8203022-01 | Скоба | |
| 20 | 14-8203008 | Пепельница передняя в сборе | |
| 21 | 14-8203053 | Ручка передней пепельницы | |
| 22 | 14-8203028 | Крышка передней пепельницы в сборе | |
| 23 | 14-8203056 | Замок передней пепельницы в сборе | |
| 24 | 14-8203041 | Петля передней пепельницы в сборе | |
| 25 | 14-8203017 | Корпус передней пепельницы | |
| 26 | 14-8203025 | Облицовка передней пепельницы в сборе | |
| 27 | 240817-П13 | Винт 4х10 | |
| 28 | 14-8203010 | Коробка передней пепельницы с облицовкой в сборе | |
| 29 | ПТ10 | Прикуриватель в сборе |
Содержащиеся в справочниках-каталогах запасные части и детали не предлагаются к продаже, а носят исключительно информационный характер